GM Service Manual Online
For 1990-2009 cars only
Makes
🢒
Chevrolet
🢒
2007
🢒
Optra
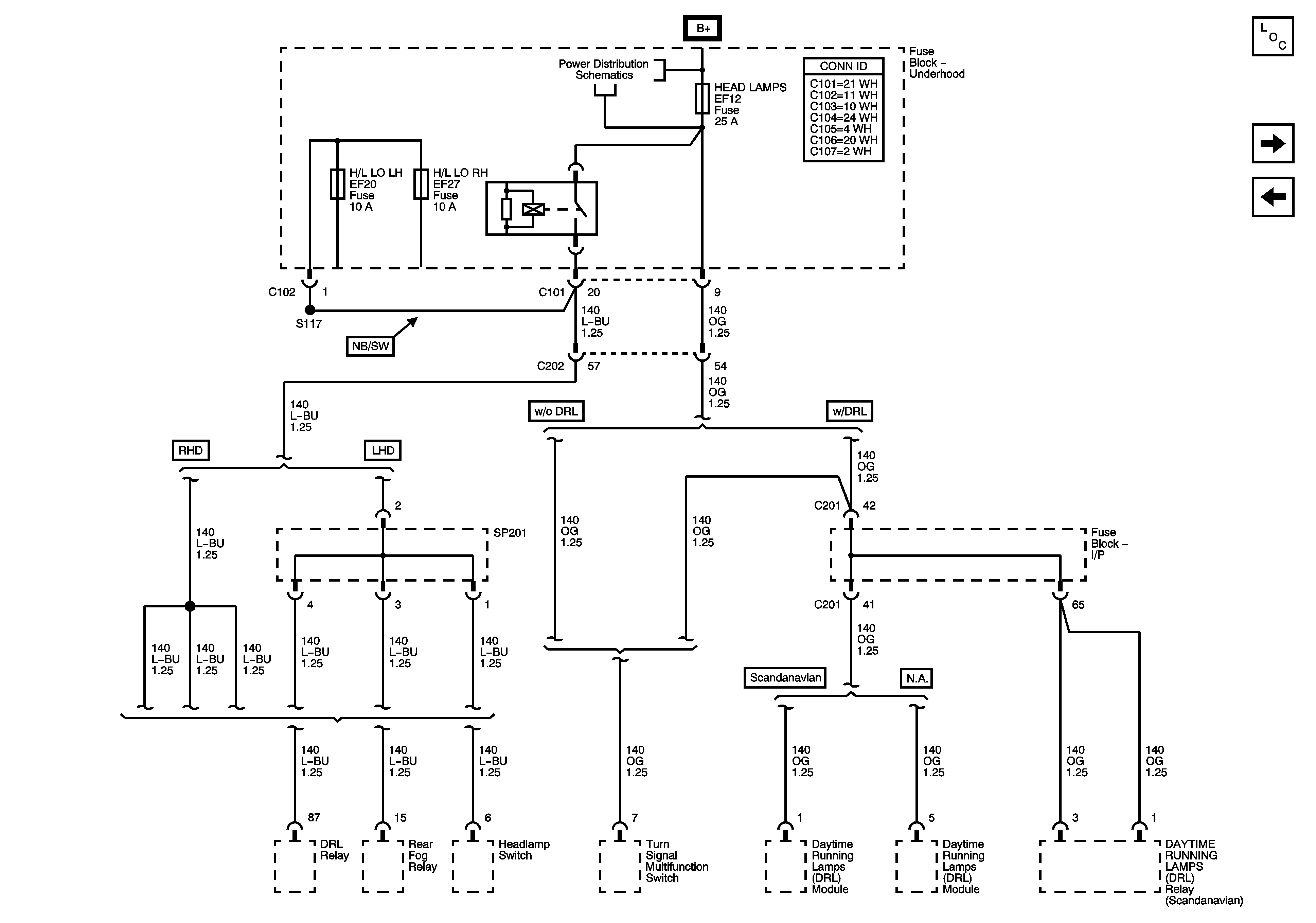
🢒 Underhood Fuse Block - HEADLAMPS FUSE
Underhood Fuse Block - HEADLAMPS FUSE
Underhood Fuse Block - HEAD LAMPS FUSE
Master Electrical Component List
Underhood Fuse Block - LOW BEAM LT, LOW BEAM RT, ILLUM LT, ILLUM RT, and HI BEAM Fuses
Underhood Fuse Block - FRT FOG, DRIVER PWR W/DW and PWR WNDW Fuses
Underhood Fuse Block - Battery Feeds - 1of 2