GM Service Manual Online
For 1990-2009 cars only
Makes
🢒
Chevrolet
🢒
2007
🢒
Optra
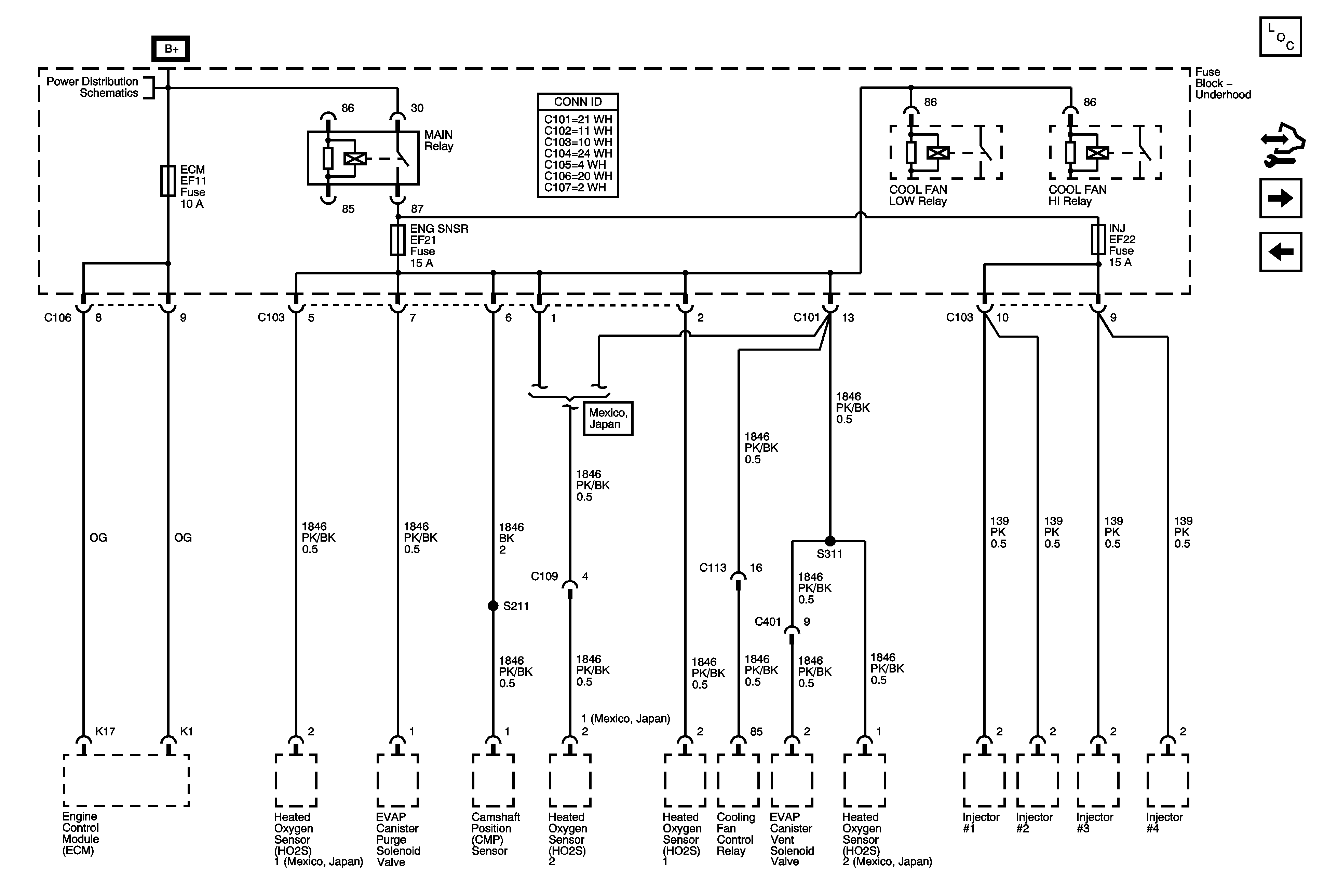
🢒 Underhood Fuse Block - MAIN Relay and ECM, ENG SNSR, and INJ Fuses - MR-140
Underhood Fuse Block - MAIN Relay and ECM, ENG SNSR, and INJ Fuses - MR-140
Underhood Fuse Block - MAIN Relay and ECM, ENG SNSR, and INJ Fuses - MR-140
Master Electrical Component List
Control Module References
Underhood Fuse Block - MAIN Relay and ECM, ENG SNSR, and INJ Fuses - HV240
Underhood Fuse Block - MAIN Relay and ECM, ENG SNSR, and INJ Fuses - Sirius D4
Underhood Fuse Block - Battery Feeds - 1of 2