GM Service Manual Online
For 1990-2009 cars only
Makes
🢒
Chevrolet
🢒
2007
🢒
Optra
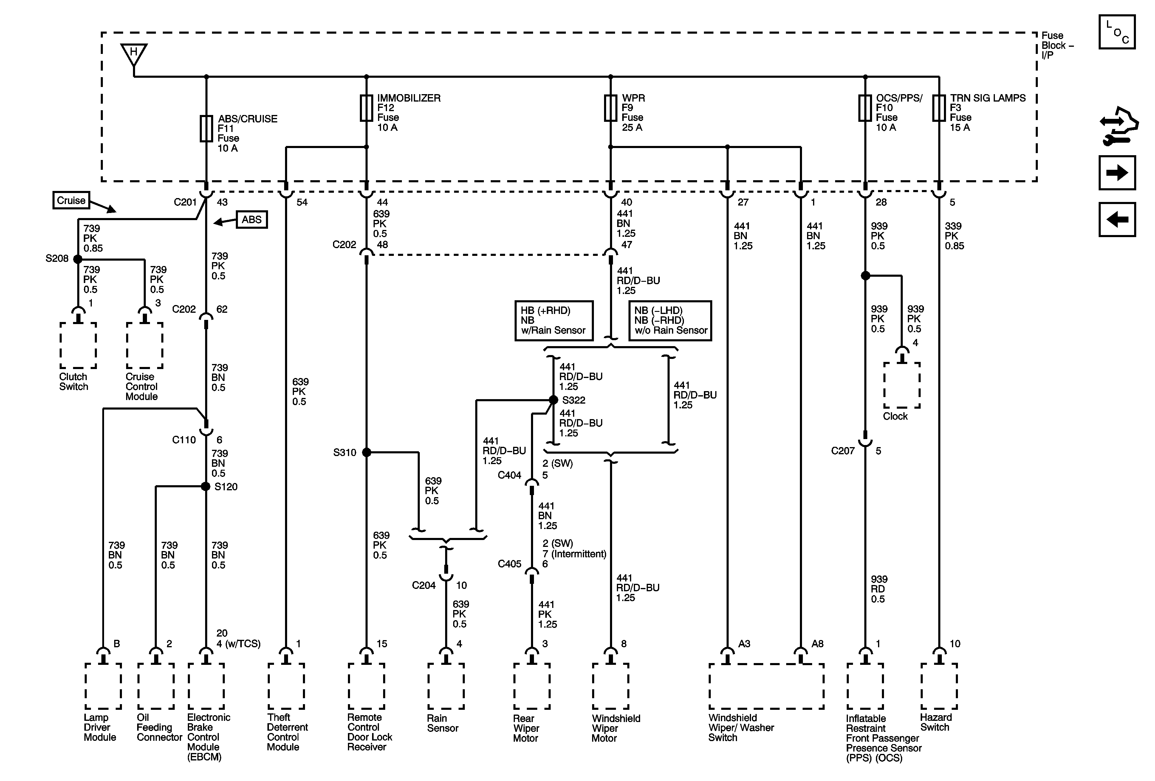
🢒 I/P Fuse Block - ABS, IMMOBILIZER, WPR,and TRN SIG LAMPS Fuses
I/P Fuse Block - ABS, IMMOBILIZER, WPR,and TRN SIG LAMPS Fuses
I/P Fuse Block - ABS, IMMOBILIZER, WPR, and TRN SIG LAMPS Fuses
Master Electrical Component List
Control Module References
I/P Fuse Block - ECM Fuse
I/P Fuse Block - CLSTR, AIR BAG, BCK/UP and ENG FUSE BOX DRL Fuses
I/P Fuse Block - CLSTR, AIR BAG, BCK/UP and ENG FUSE BOX DRL Fuses