GM Service Manual Online
For 1990-2009 cars only
Makes
🢒
Chevrolet
🢒
2007
🢒
Optra
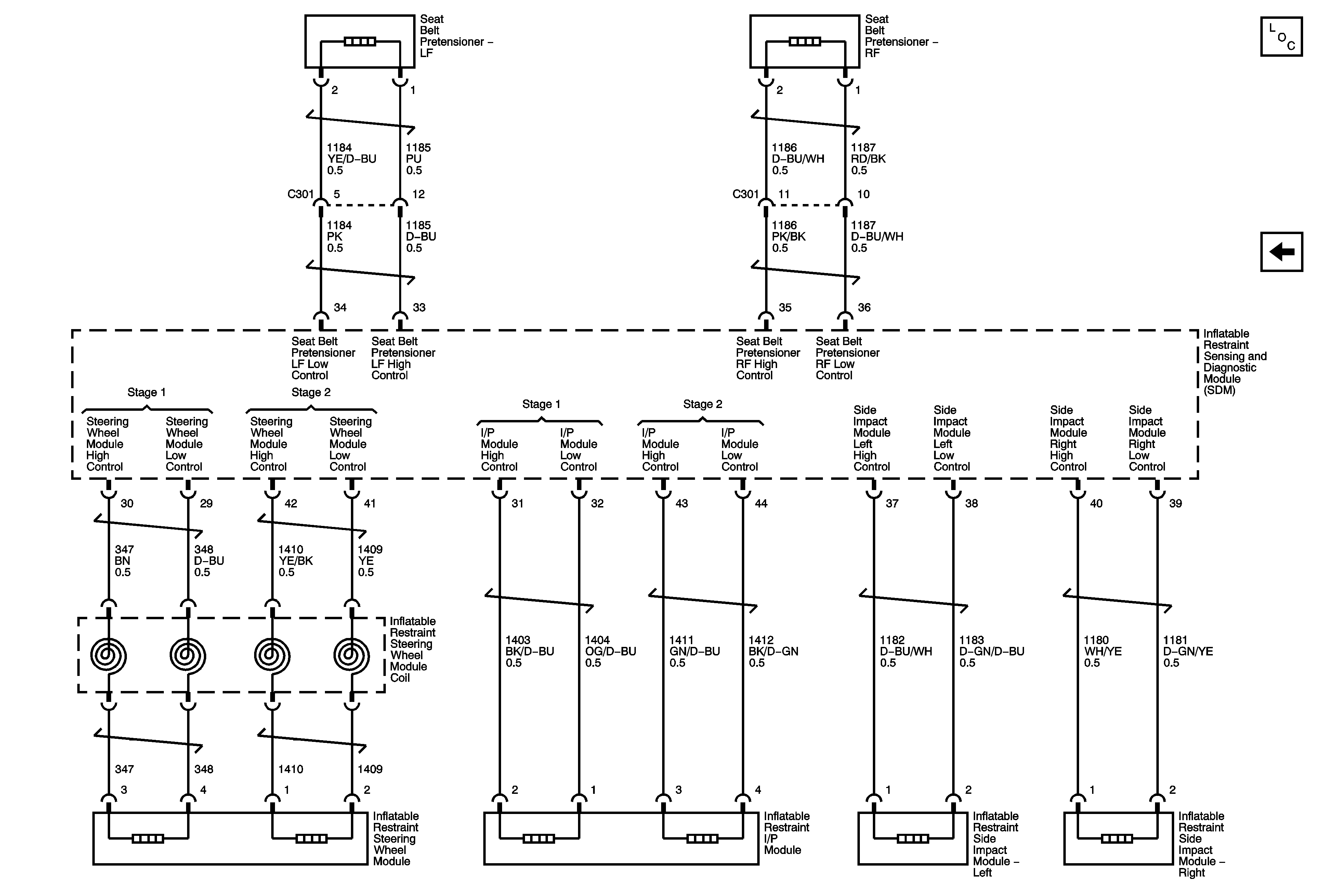
🢒 Dual Stage - 2 of 2
Dual Stage - 2 of 2
Dual Stage SIR 2 of 2
Master Electrical Component List
Dual Stage SIR - 1 of 2