GM Service Manual Online
For 1990-2009 cars only

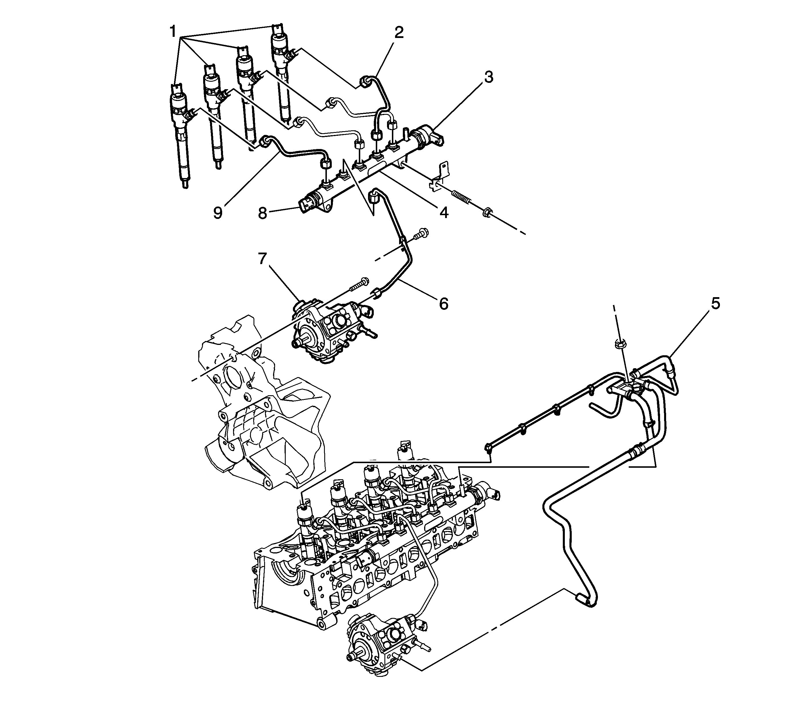
Object Number: 1831246  Size: LF
(1)Fuel Injectors
(2)Fuel Injector to Fuel Rail Pipe
(3)Fuel Pressure Regulator 2 Valve
(4)Fuel Rail
(5)Fuel Return Hose
(6)Fuel Injection Pump to Fuel Rail Pipe
(7)Fuel Injection Pump
(8)Fuel Rail Pressure Sensor
(9)Fuel Injector to Fuel Rail Pipe