GM Service Manual Online
For 1990-2009 cars only
Makes
🢒
Chevrolet
🢒
2008
🢒
Optra
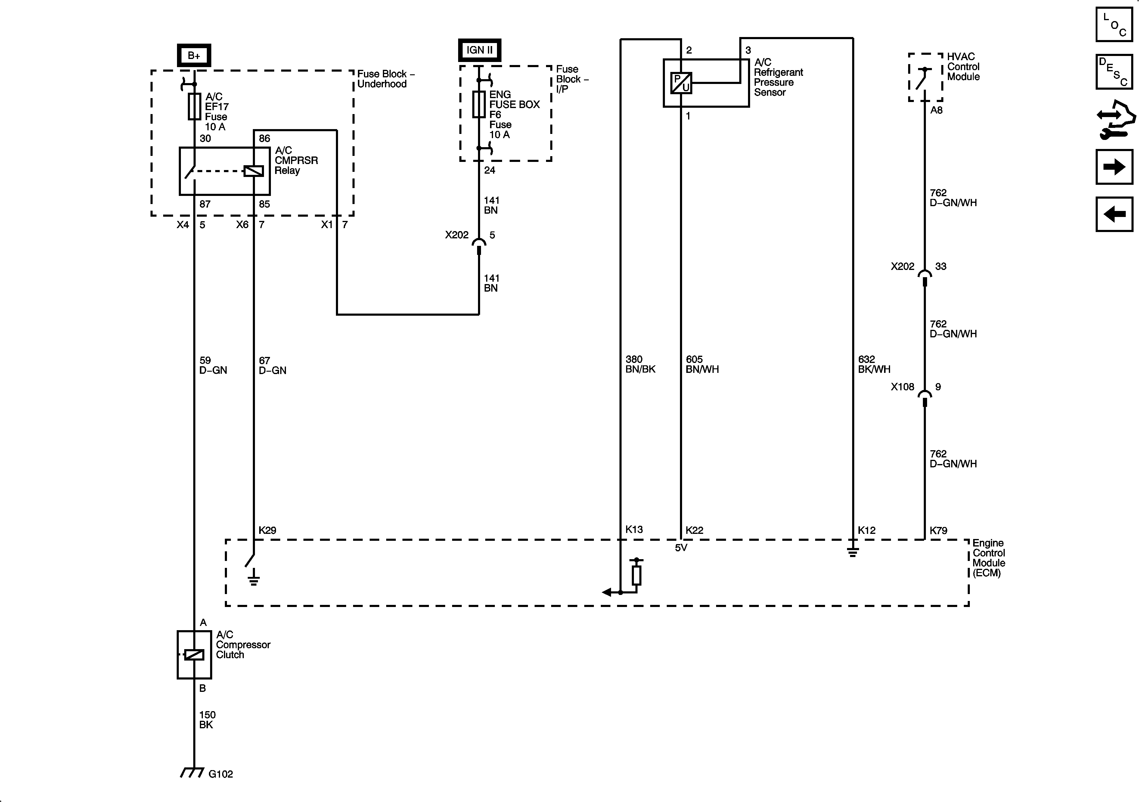
🢒 Compressor Controls Diesel
Compressor Controls Diesel
Compressor Controls - Diesel
Master Electrical Component List
Control Module References
Temperature Controls/Air Delivery
Compressor Controls HV240
Fuse Block - Underhood B+ Bus, 1 of 3
Fuse Block - Underhood B+ Bus, 1 of 3