GM Service Manual Online
For 1990-2009 cars only
Makes
🢒
Chevrolet
🢒
2008
🢒
Optra
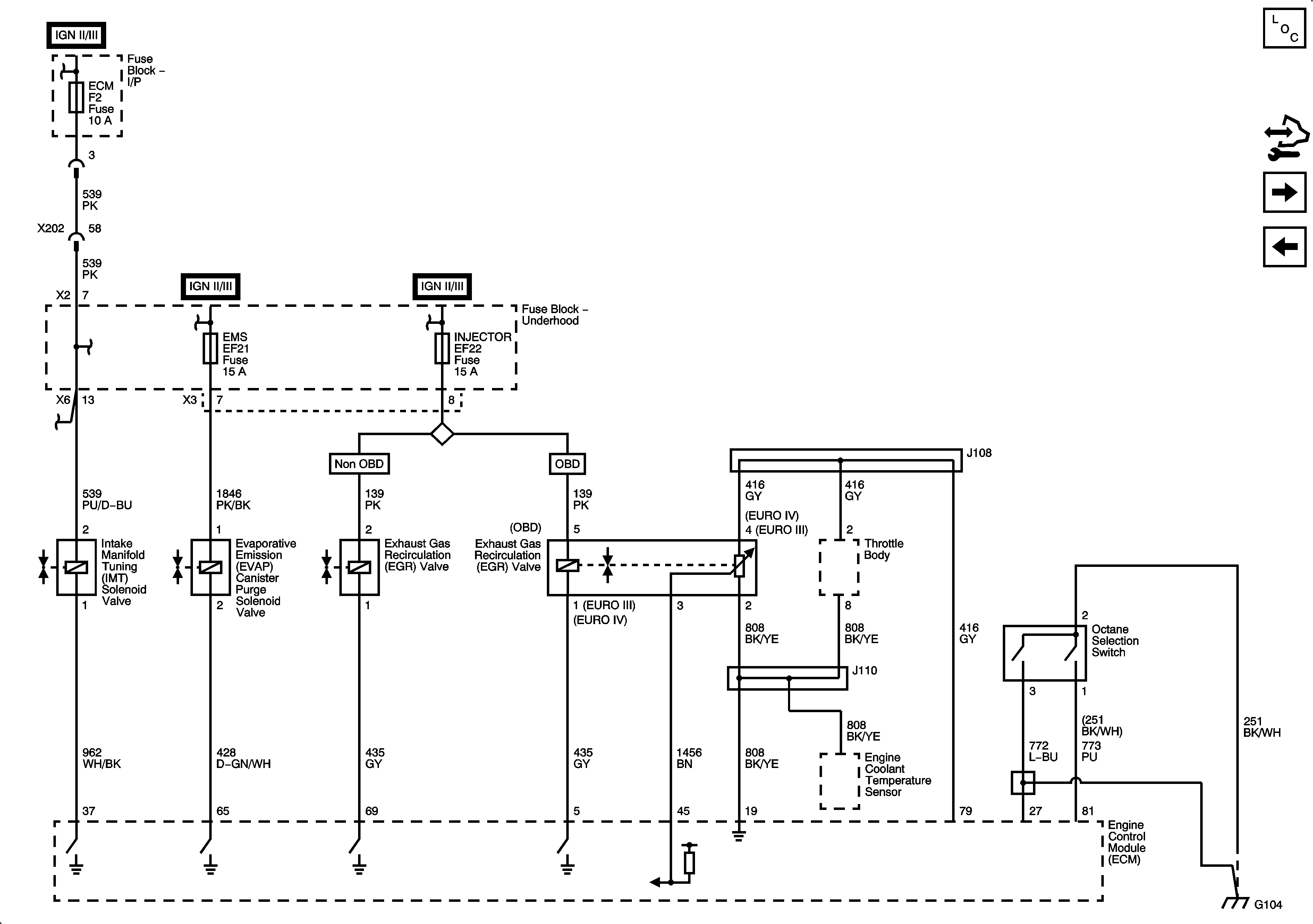
🢒 Intake Manifold Tuning Valve, EVAP, EGR,Octane Selection Switch
Intake Manifold Tuning Valve, EVAP, EGR,Octane Selection Switch
Intake Manifold Tuning Valve, EVAP, EGR, Octane Selection Switch
Master Electrical Component List
Control Module References
Controlled/Monitored Subsystem References
Fuel Pump Controls and Fuel Injector
Fuse Block - Underhood B+ Bus, 1 of 3
Fuse Block - Underhood B+ Bus, 1 of 3
Fuse Block - Underhood B+ Bus, 1 of 3
Fuse Block - Underhood B+ Bus, 1 of 3
Fuse Block - Underhood B+ Bus, 1 of 3
G104