GM Service Manual Online
For 1990-2009 cars only
Makes
🢒
Chevrolet
🢒
2008
🢒
Optra
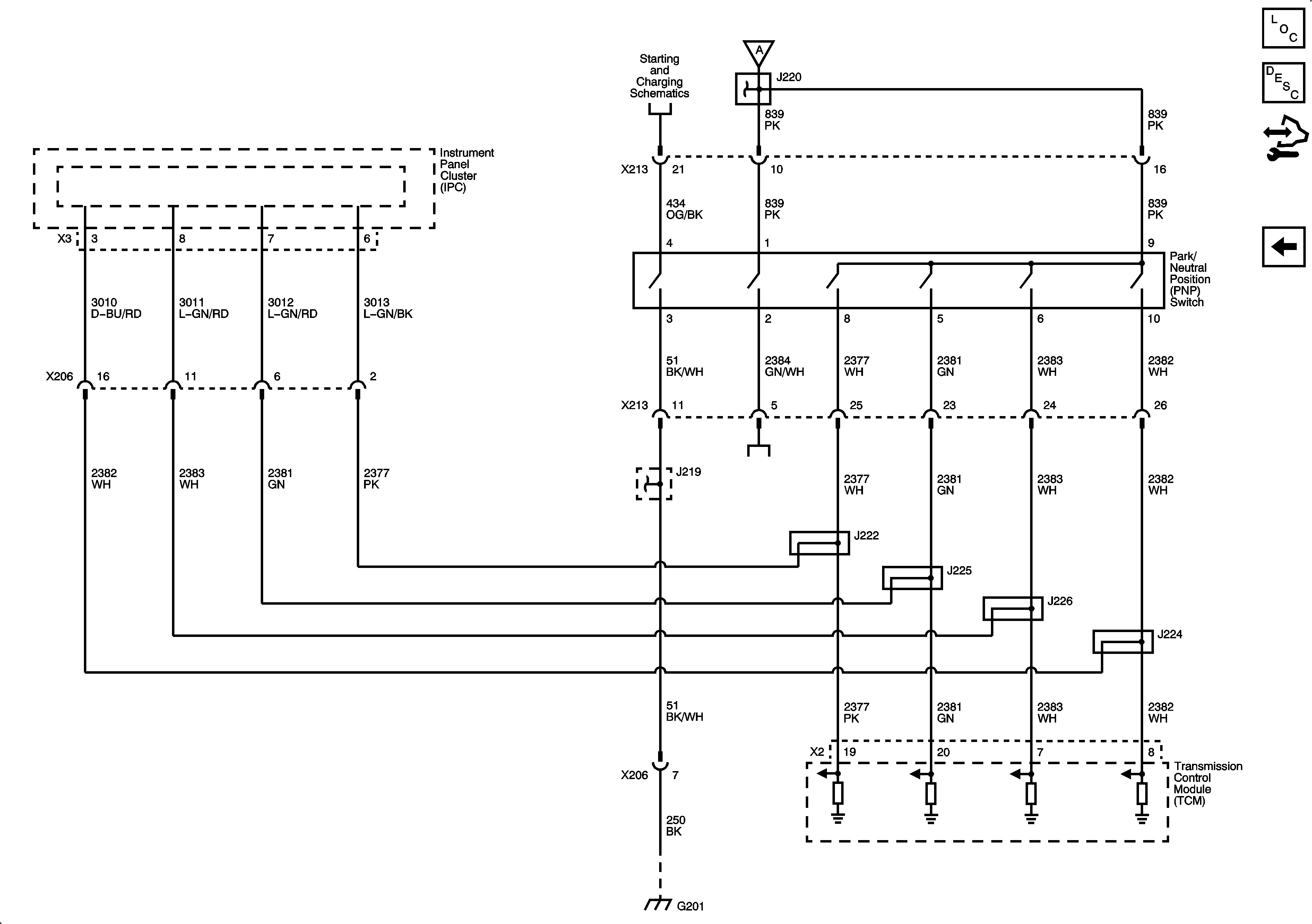
🢒 Park/Neutral Position (PNP) Switch
Park/Neutral Position (PNP) Switch
Park/Neutral Position (PNP) Switch
Master Electrical Component List
Control Module References
Input Shaft, Output Shaft, and Vehicle Speed Sensors (VSS)
Starting
TCM Power, Ground, MIL, Serial Data, and Shift Program Switch
G201 - 1 of 2
G201 - 1 of 2