GM Service Manual Online
For 1990-2009 cars only
Makes
🢒
Chevrolet
🢒
2008
🢒
Optra
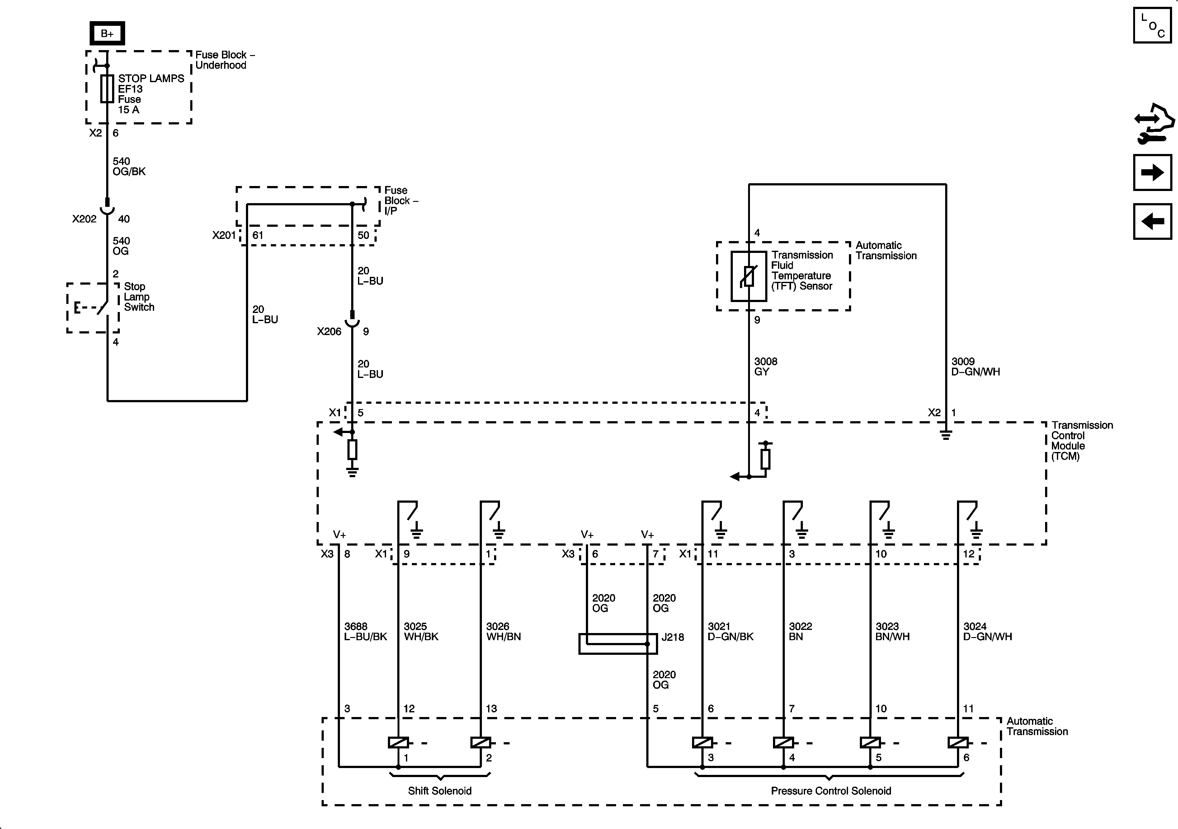
🢒 Shift and Pressure Control Solenoids
Shift and Pressure Control Solenoids
Shift and Pressure Control Solenoids
Master Electrical Component List
Control Module References
Vehicle Speed Signal
Power, Ground, Hold Switch, and DLC
Fuse Block - Underhood B+ Bus, 1 of 3
Fuse Block - Underhood B+ Bus, 1 of 3