GM Service Manual Online
For 1990-2009 cars only
Makes
🢒
Chevrolet
🢒
2008
🢒
Optra
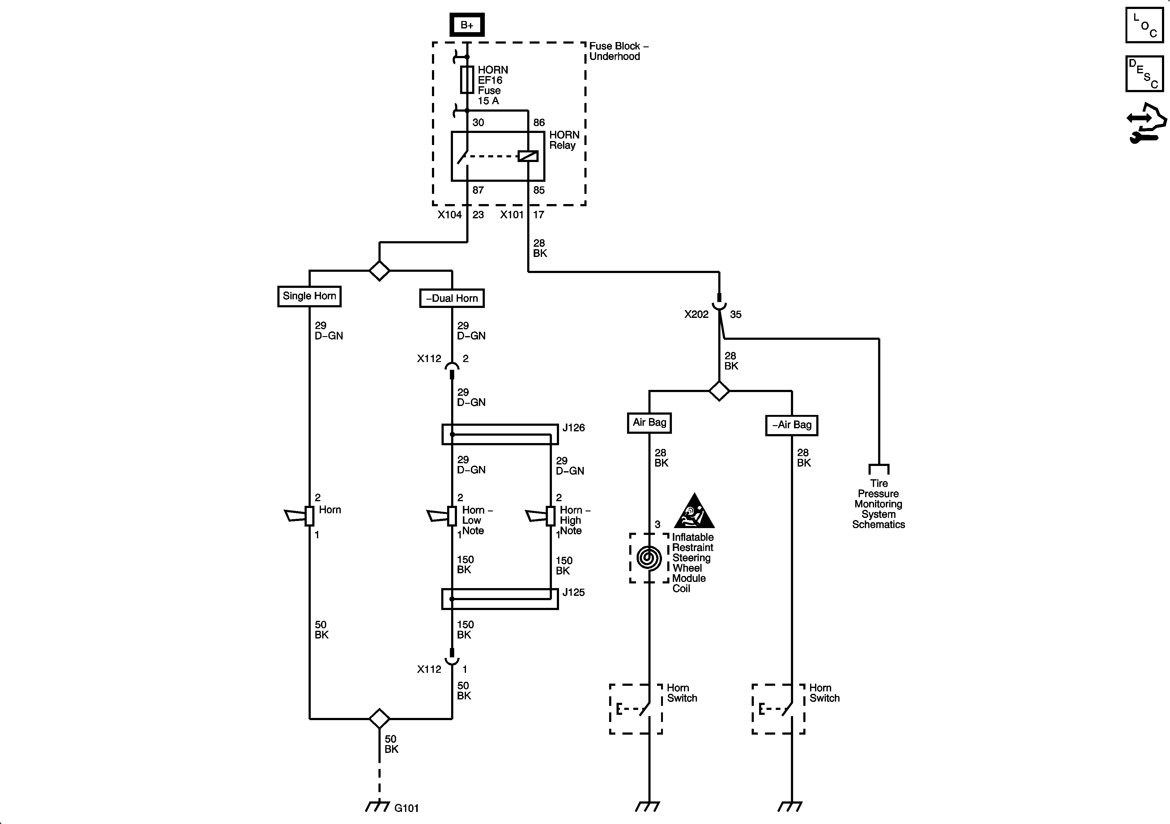
🢒 Horn Schematics
Horn Schematics
Master Electrical Component List
Control Module References
Master Electrical Schematic Icons
Tire Pressure Monitoring System
Fuse Block - Underhood B+ Bus, 1 of 3
G101