GM Service Manual Online
For 1990-2009 cars only
Makes
🢒
Chevrolet
🢒
2008
🢒
Optra
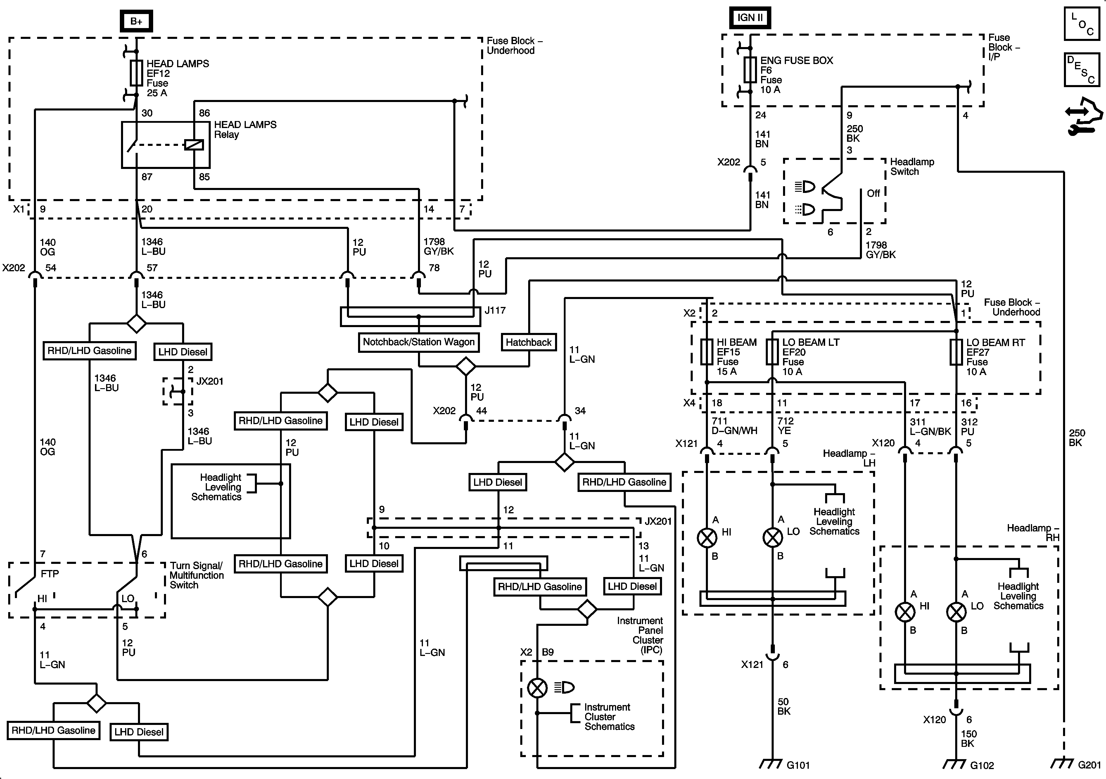
🢒 Headlights Schematics (RHD)
Headlights Schematics (RHD)
Master Electrical Component List
Control Module References
Headlamps - LHD Except North America
Fuse Block - Underhood B+ Bus, 1 of 3
Fuse Block - Underhood B+ Bus, 1 of 3
Fuse Block - Underhood B+ Bus, 1 of 3
Headlight Leveling
Fuse Block - Underhood B+ Bus, 1 of 3
G101
G102
G201 - 1 of 2