GM Service Manual Online
For 1990-2009 cars only
Makes
🢒
Chevrolet
🢒
2008
🢒
Optra
🢒 Data Communication
Data Communication
Master Electrical Component List
Control Module References
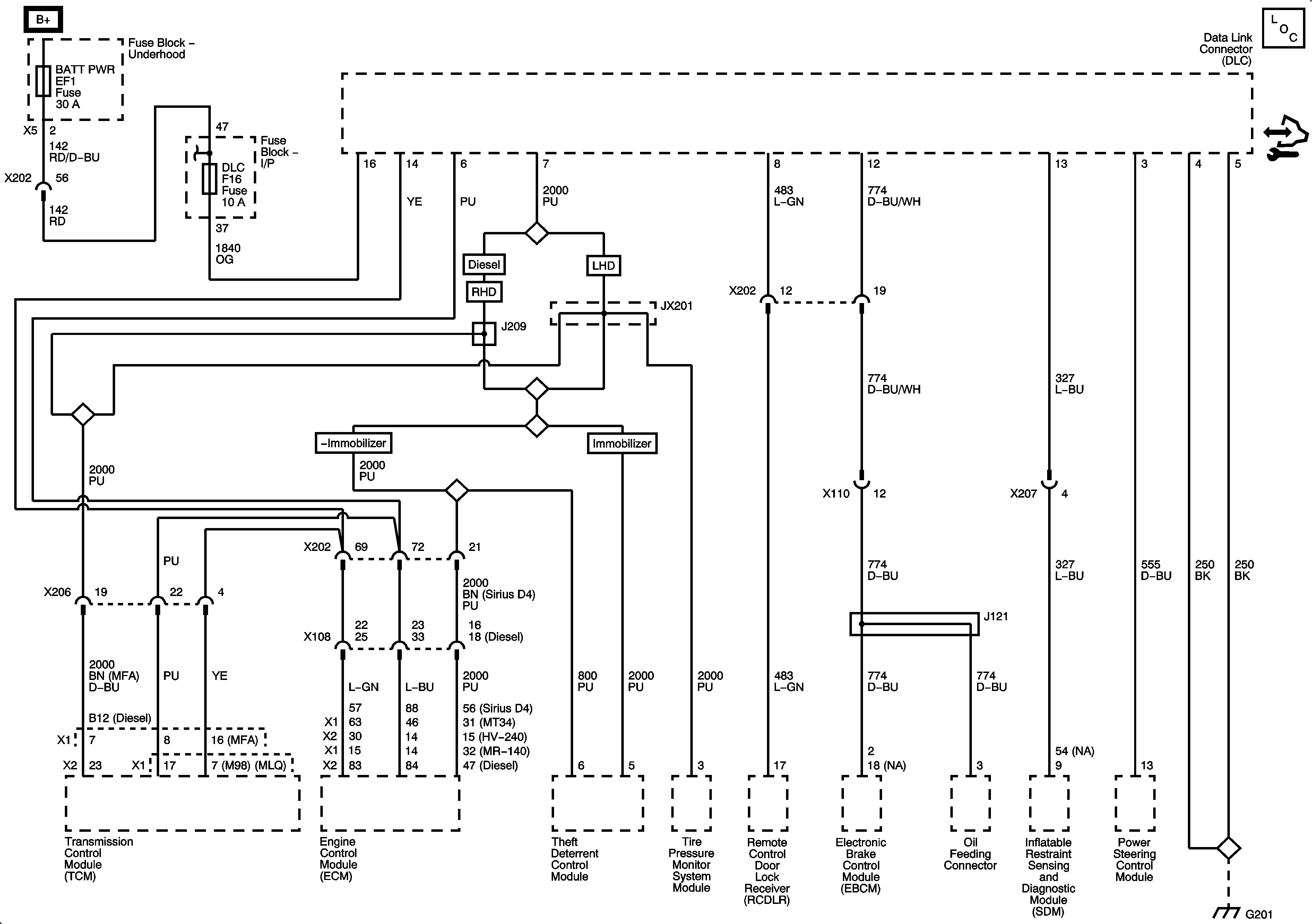
Fuse Block - Underhood B+ Bus, 1 of 3
G201 - 1 of 2