GM Service Manual Online
For 1990-2009 cars only
Makes
🢒
Chevrolet
🢒
2008
🢒
Optra
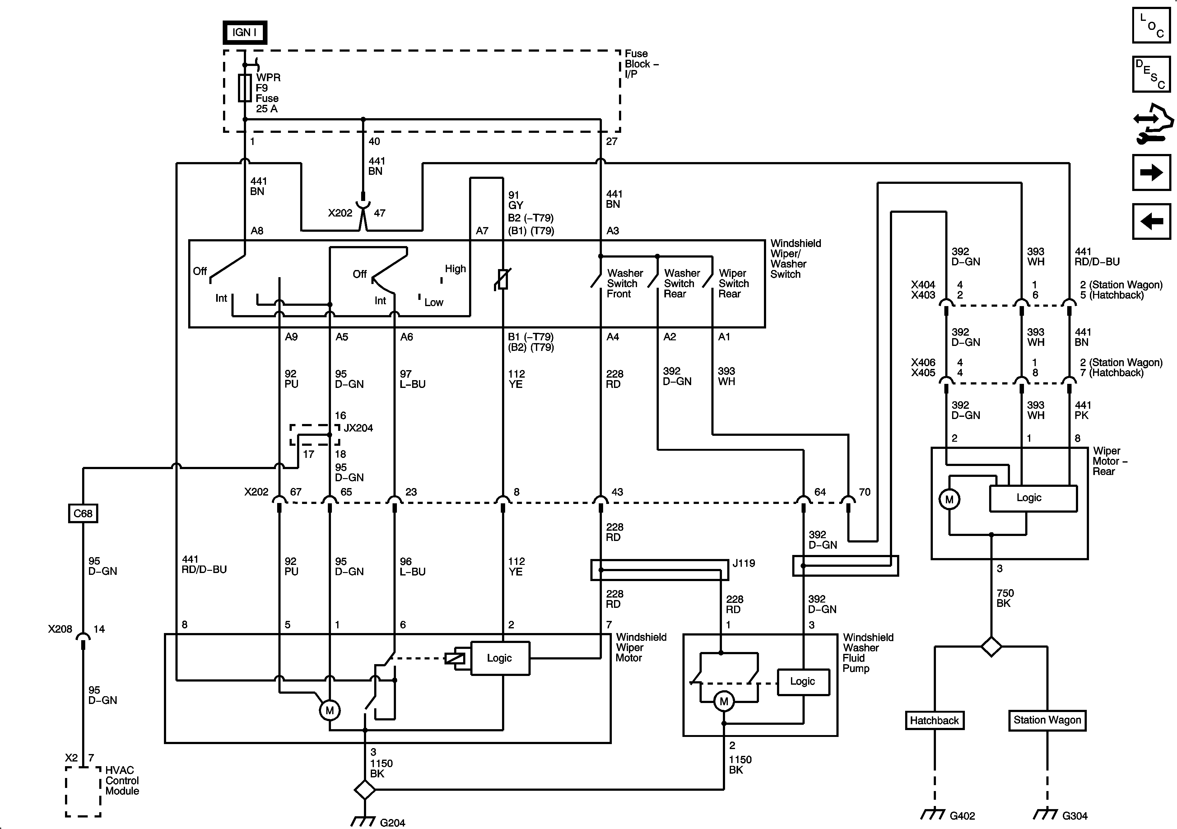
🢒 Wiper System Hatchback and Station Wagon w/Intermittent
Wiper System Hatchback and Station Wagon w/Intermittent
Wiper System - Hatchback and Station Wagon w/Intermittent
Master Electrical Component List
Control Module References
Wiper System Notchback w/Rain Sensor
Wiper System hatchback and Station Wagon
Fuse Block - Underhood B+ Bus, 1 of 3
G202, G204
G101
G304
G402