GM Service Manual Online
For 1990-2009 cars only
Makes
🢒
Chevrolet
🢒
2008
🢒
Optra
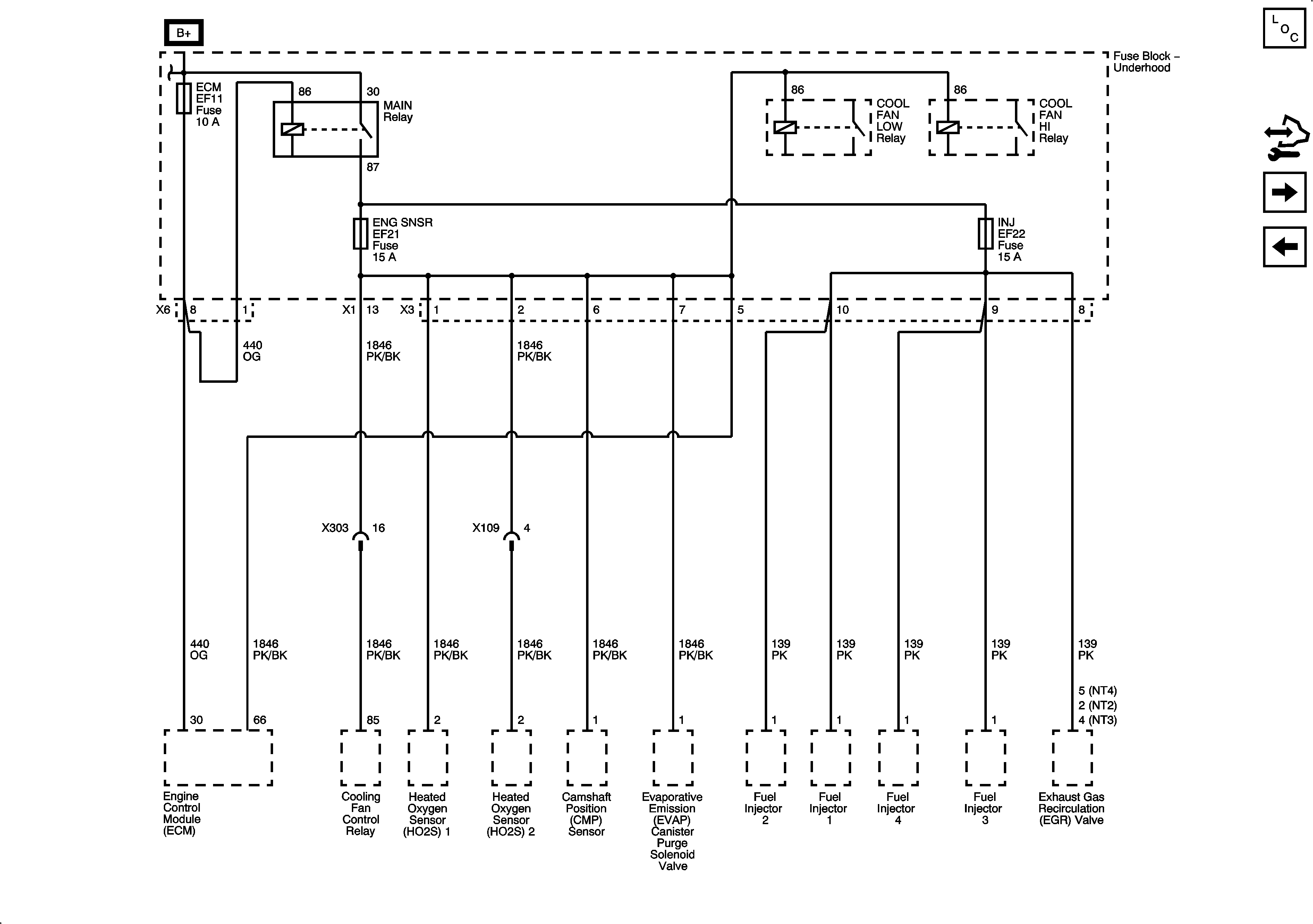
🢒 Fuse Block - Underhood MAIN Relay, ECM, ENG SNSR and INJ Fuses - 1.6L
Fuse Block - Underhood MAIN Relay, ECM, ENG SNSR and INJ Fuses - 1.6L
Fuse Block - Underhood MAIN Relay, ECM, ENG SNSR, and INJ Fuses - 1.6L
Master Electrical Component List
Control Module References
Fuse Block - Underhood IGNITION Relay, ECM, ENG SNSR and INJ Fuses - 1.4L, 1.8L
Fuse Block - Underhood A/C, DEFOG and MIR HTD Fuses
Fuse Block - Underhood B+ Bus, 1 of 3