GM Service Manual Online
For 1990-2009 cars only
Figure 1:

Module Power, Ground, Sensor Data, Malfunction Indicator Lamp (MIL)


Object Number: 2158958  Size: FS
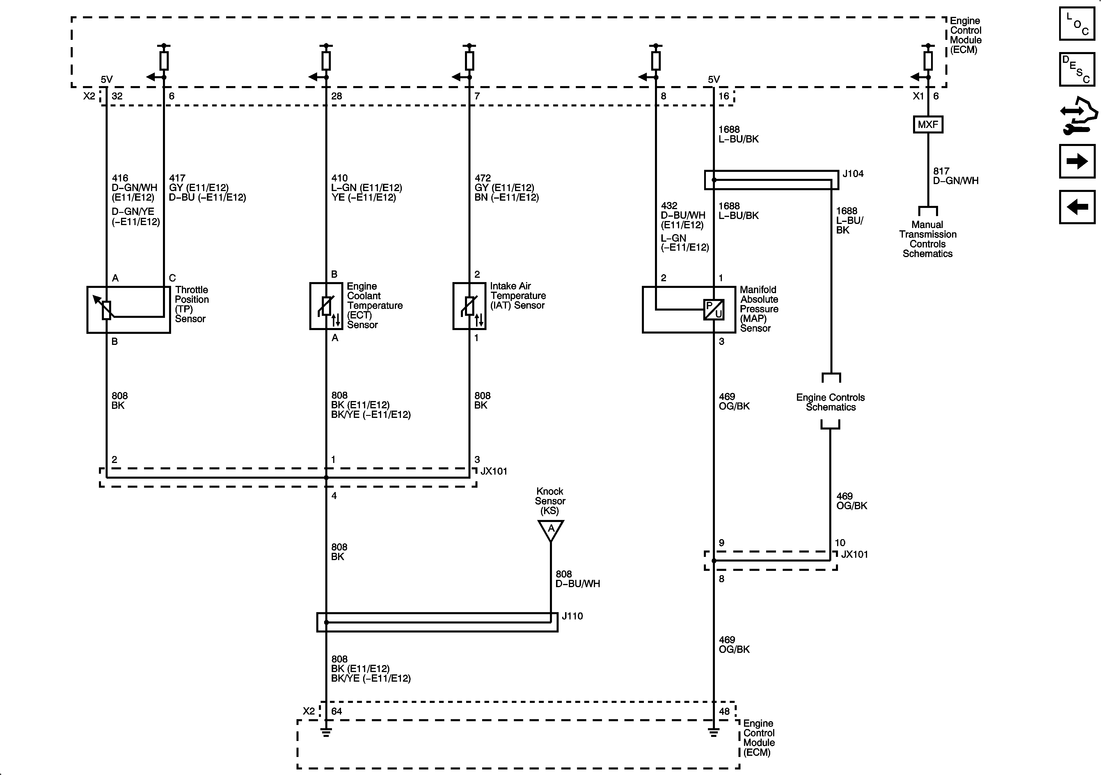
Figure 2:

Engine Data Sensors - Pressure and Temperature


Object Number: 2158960  Size: FS
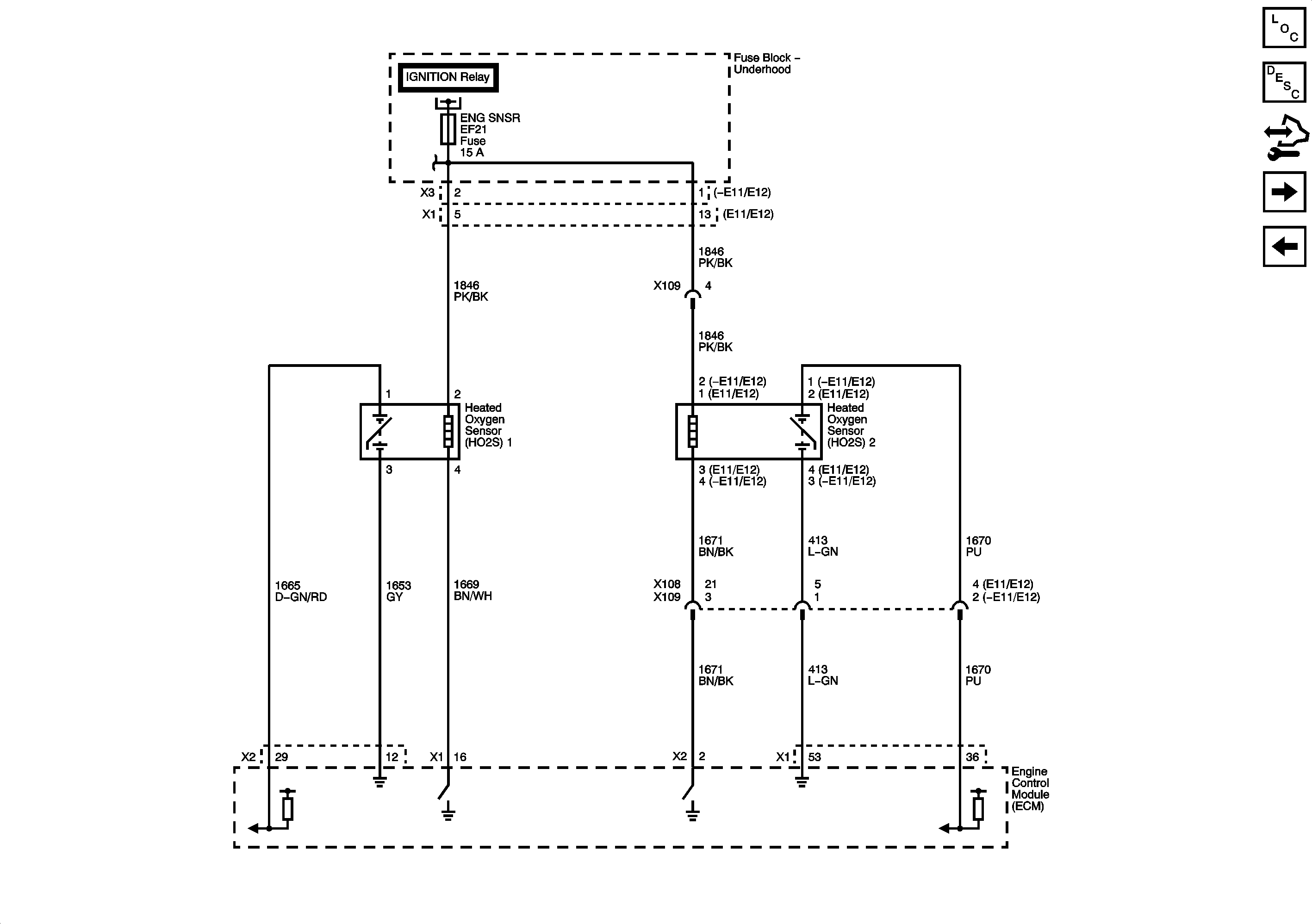
Figure 3:

Oxygen Sensors (O2S)


Object Number: 2158964  Size: FS
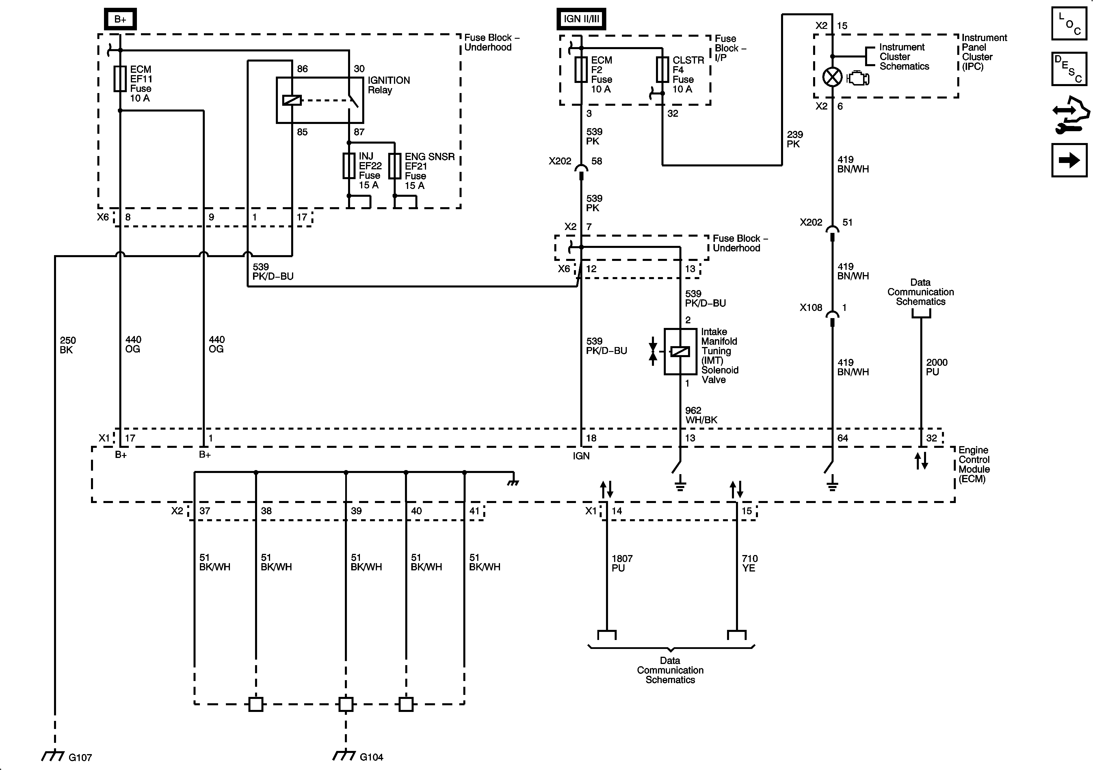
Figure 4:

Ignition System


Object Number: 2158967  Size: FS
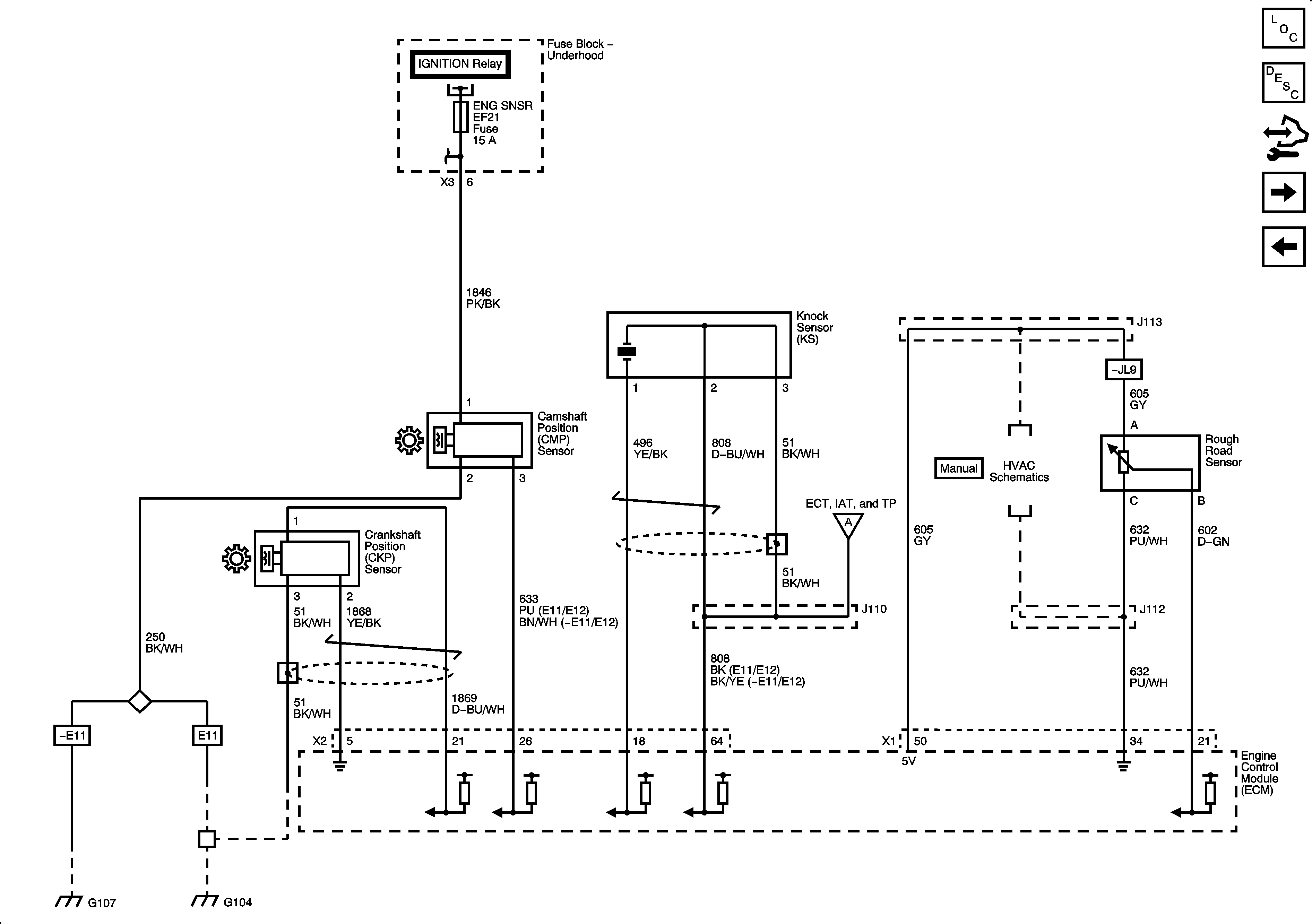
Figure 5:

CKP, CMP, Knock, Rough Road Sensors


Object Number: 2158972  Size: FS
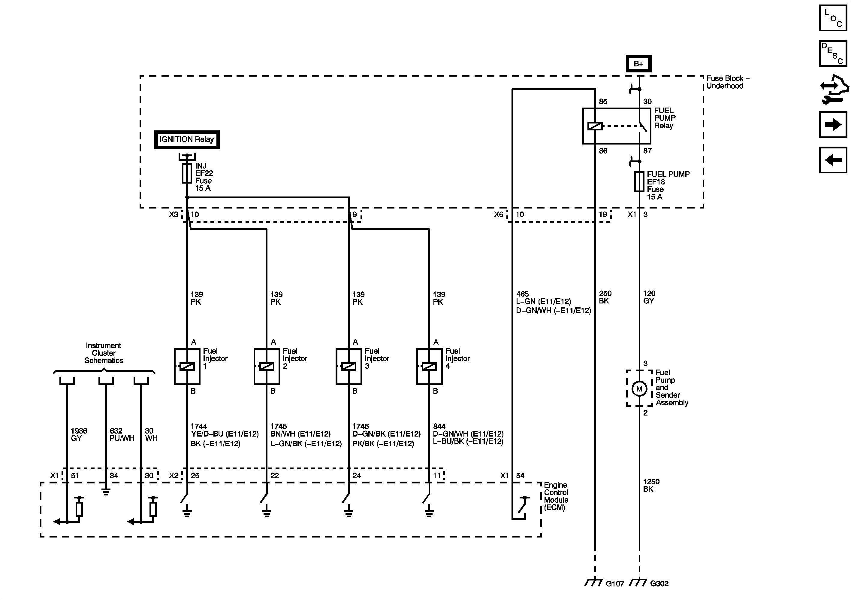
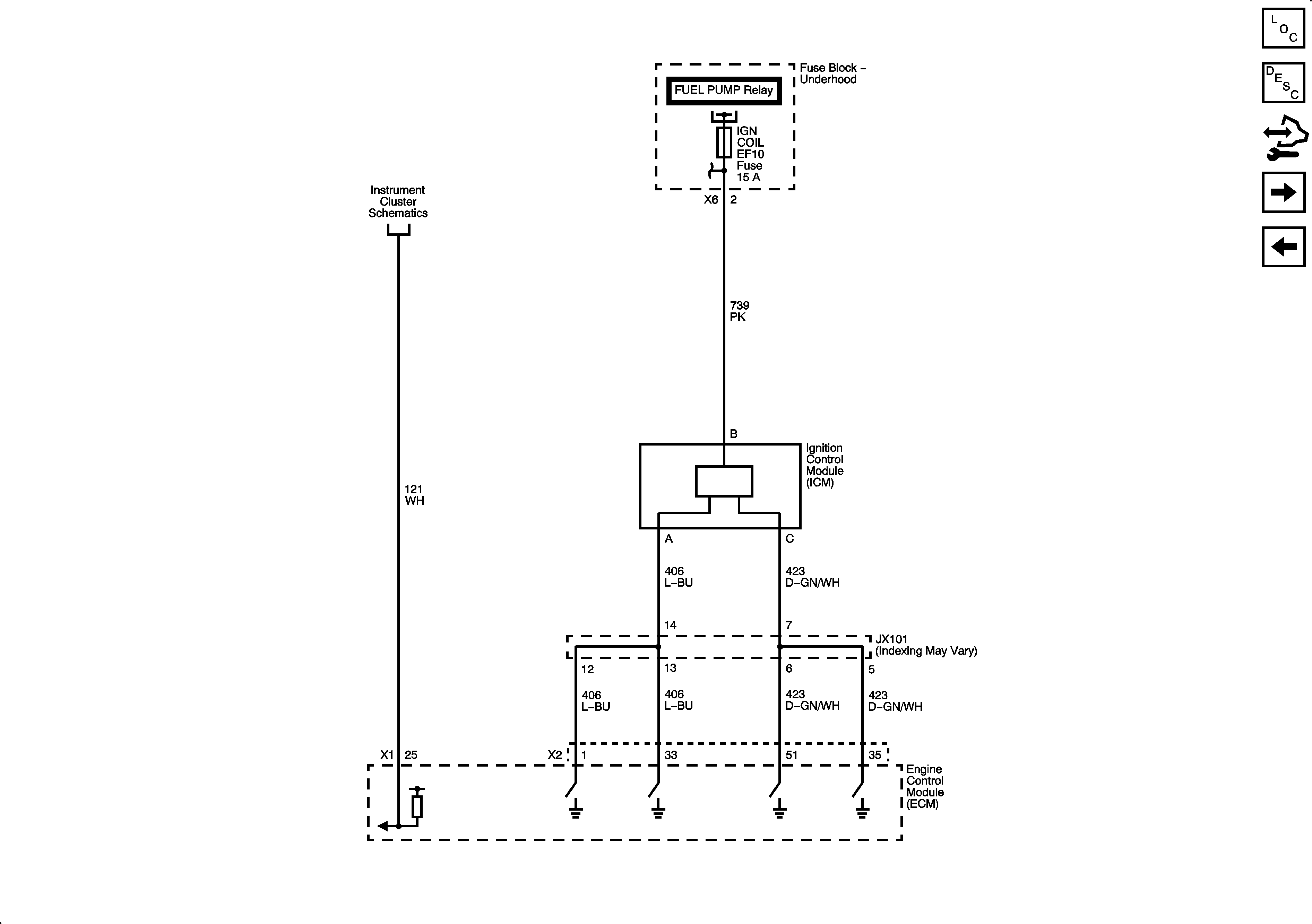
Figure 6:

Fuel Pump and Fuel Injectors


Object Number: 2158975  Size: FS
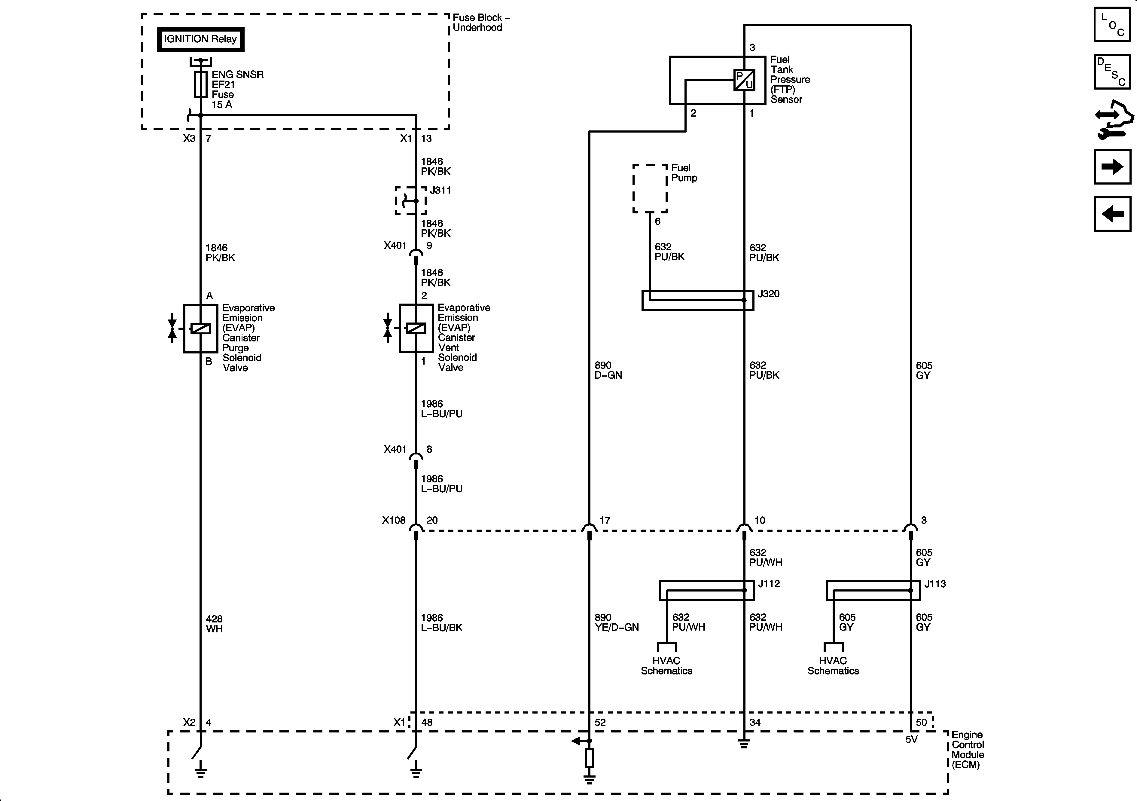
Figure 7:

Fuel Controls - Evap Controls


Object Number: 2158977  Size: FS
Figure 8:

Device Controls


Object Number: 2158981  Size: FS
Figure 9:

Controlled/Monitored Subsystem References


Object Number: 2158986  Size: FS