GM Service Manual Online
For 1990-2009 cars only

Disassembly Procedure

Special Tools

DW-110-030 Engine Overhaul Stand


    Object Number: 1822647  Size: SH
  1. Remove the engine. Refer to Engine Replacement .
  2. Remove the flywheel or flexible plate bolts.
  3. Remove the flywheel or flexible plate.

  4. Object Number: 1822557  Size: SH
  5. Mount the engine assembly on the DW-110-030 .
  6. Remove the cylinder head. Refer to Cylinder Head Replacement .

  7. Object Number: 1864067  Size: SH
  8. Remove the oil pan. Refer to Oil Pan Replacement .

  9. Object Number: 1822584  Size: SH
  10. Remove the crankshaft balancer. Refer to Crankshaft Balancer Replacement .

  11. Object Number: 1822648  Size: SH
  12. Remove the oil pump. Refer to Oil Pump Replacement .

  13. Object Number: 1821745  Size: SH
  14. Remove the starter.

  15. Object Number: 1821743  Size: SH
  16. Remove the generator.
  17. Remove the A/C compressor.

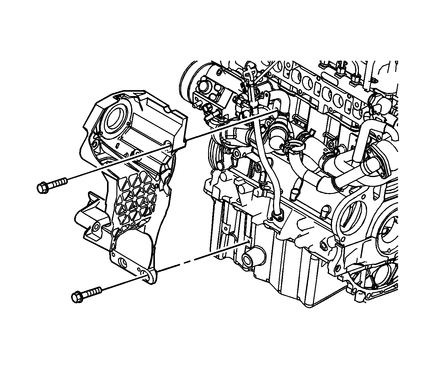
  18. Object Number: 1822650  Size: SH
  19. Remove the A/C compressor and generator bracket.

  20. Object Number: 1822652  Size: SH
  21. Remove the connecting rod and piston.
  22. Remove the engine bed plate.
  23. Remove the crankshaft with the rear oil seal ring.

  24. Object Number: 1822655  Size: SH
  25. Remove the oil nozzle tube.