GM Service Manual Online
For 1990-2009 cars only
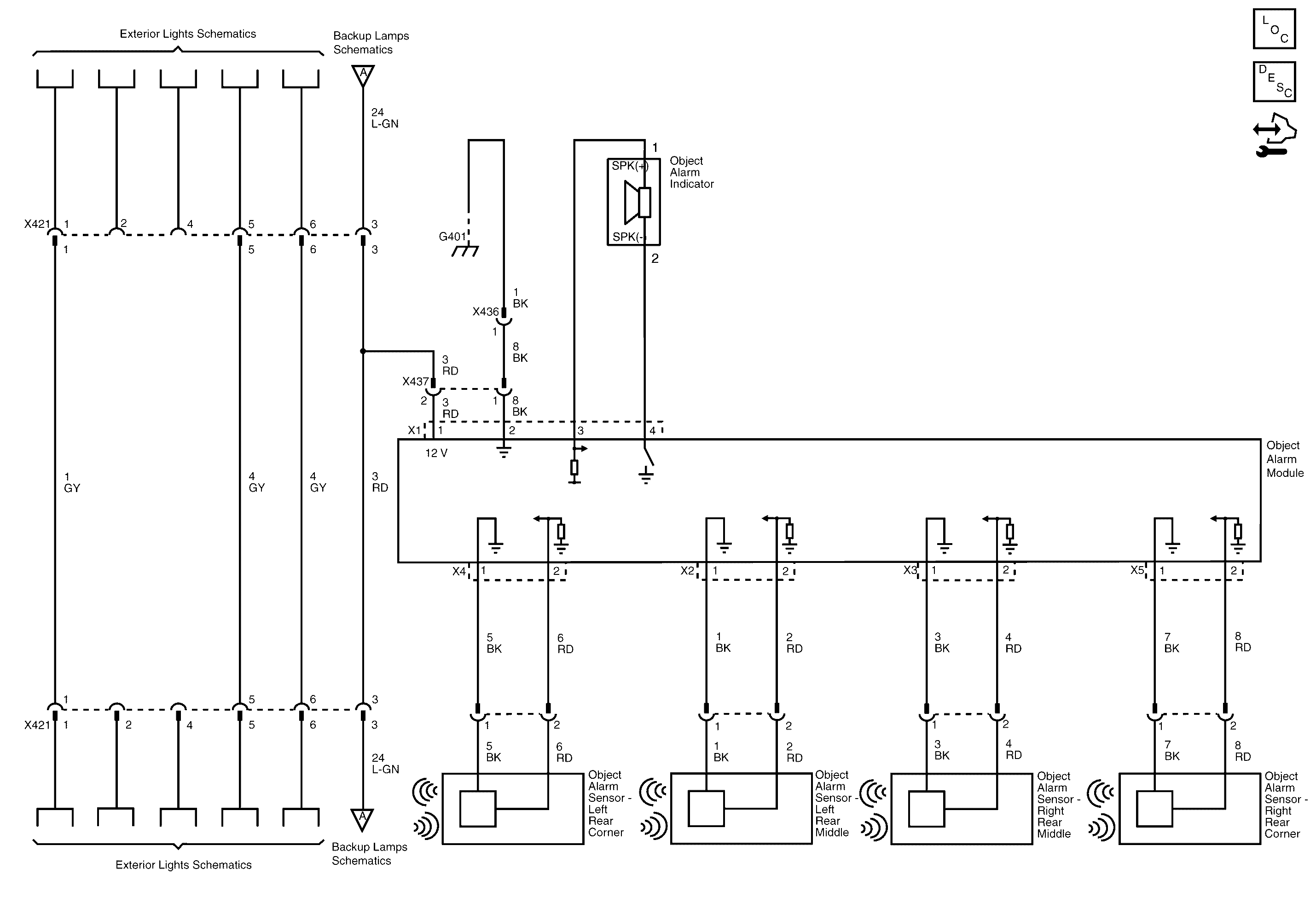
Figure 1:

Object Alarm Module and Speaker


Object Number: 2160951  Size: FS
Figure 2:

Object Alarm Sensors


Object Number: 2160952  Size: FS
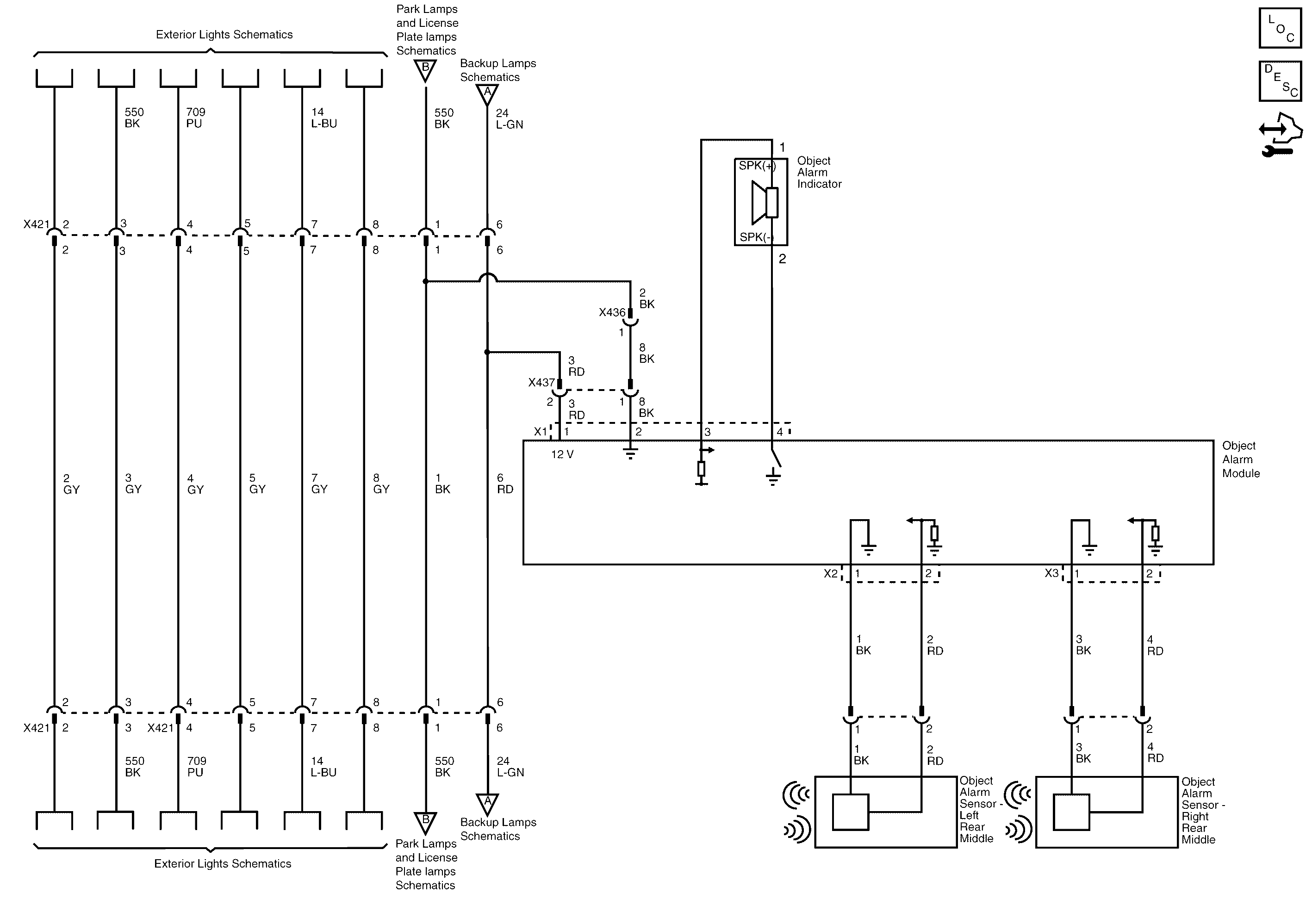
Figure 3:

Object Detection - Holden Genuine Accessory - Sedan


Object Number: 2183752  Size: FS
Master Electrical Component List
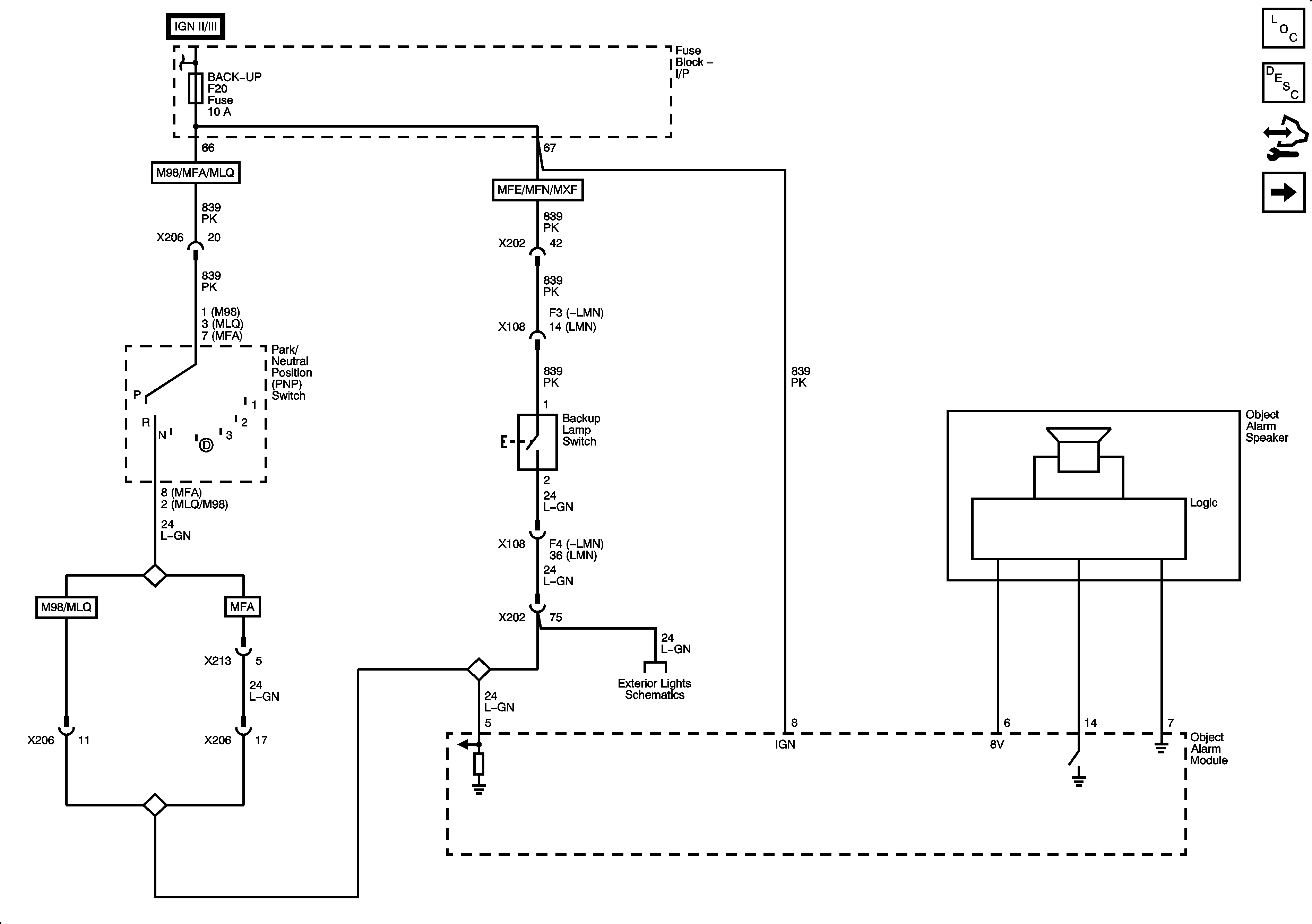
Object Detection Description and Operation
Control Module References
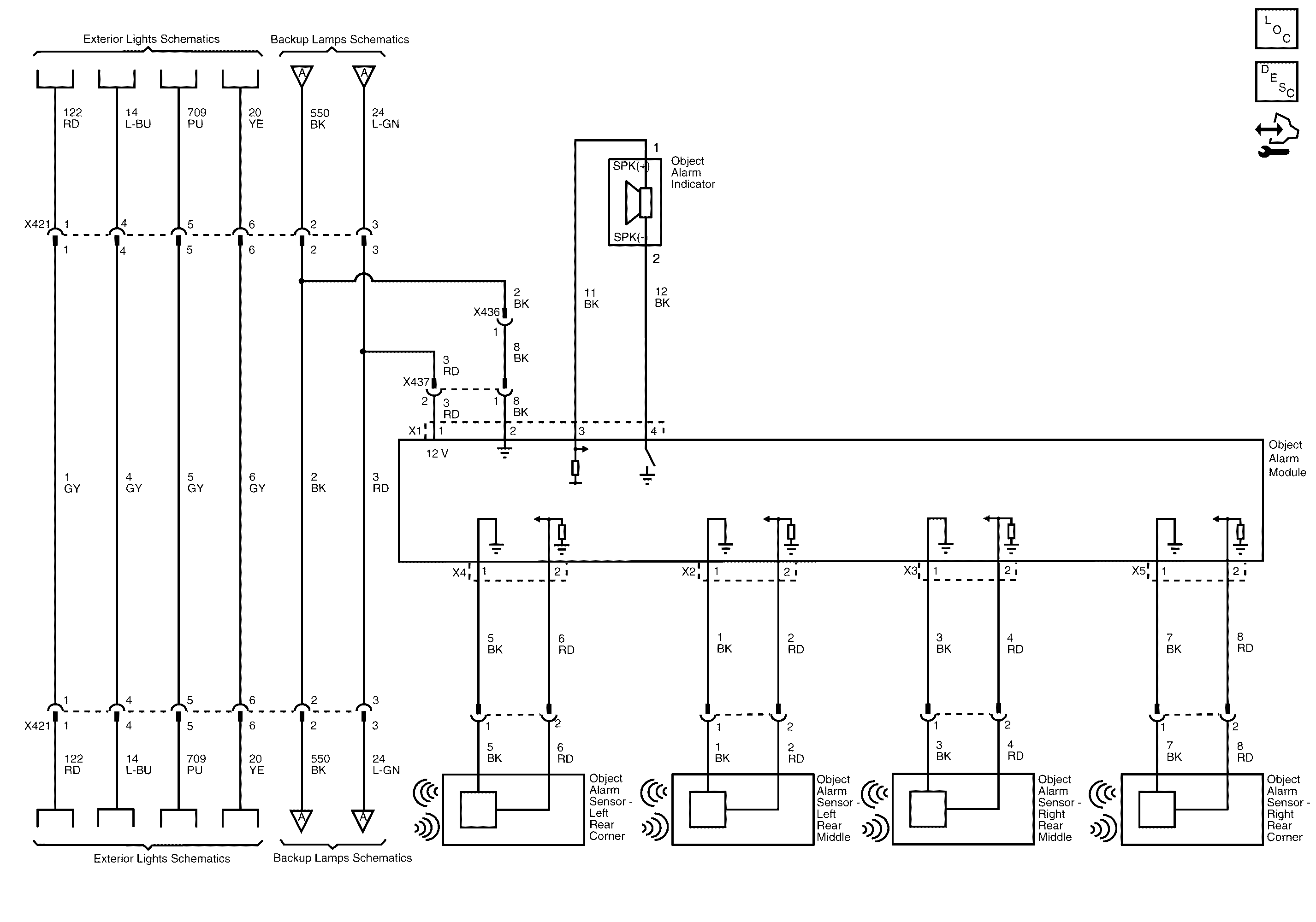
Figure 4:

Object Detection - Holden Genuine Accessory - Hatch


Object Number: 2183755  Size: FS
Master Electrical Component List
Object Detection Description and Operation (Except Holden)
Control Module References
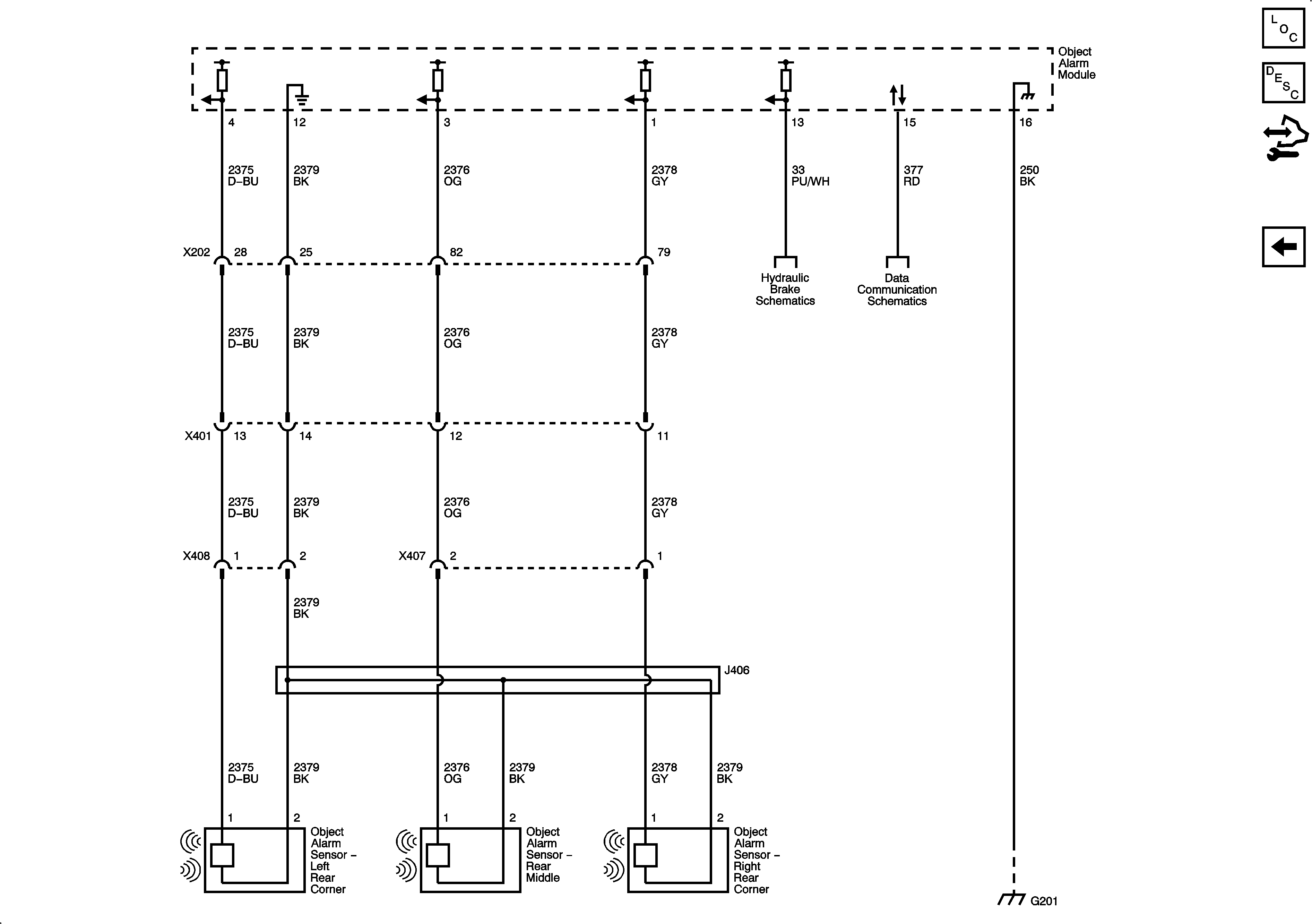
Figure 5:

Object Detection - Holden Genuine Accessory - Wagon


Object Number: 2183754  Size: FS
Master Electrical Component List
Object Detection Description and Operation (Except Holden)
Control Module References