GM Service Manual Online
For 1990-2009 cars only
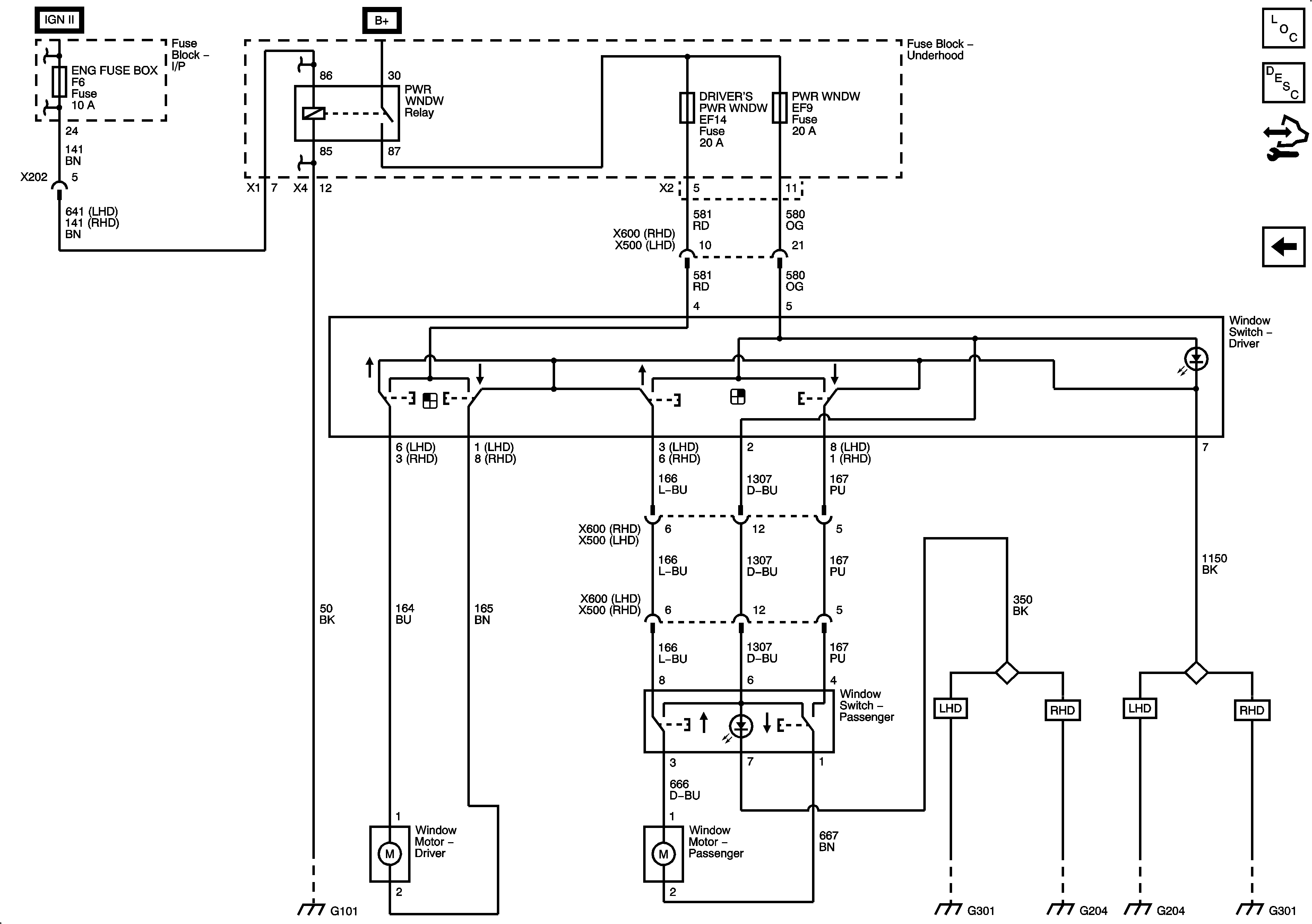
Figure 1:

Front Power Windows


Object Number: 2159361  Size: FS
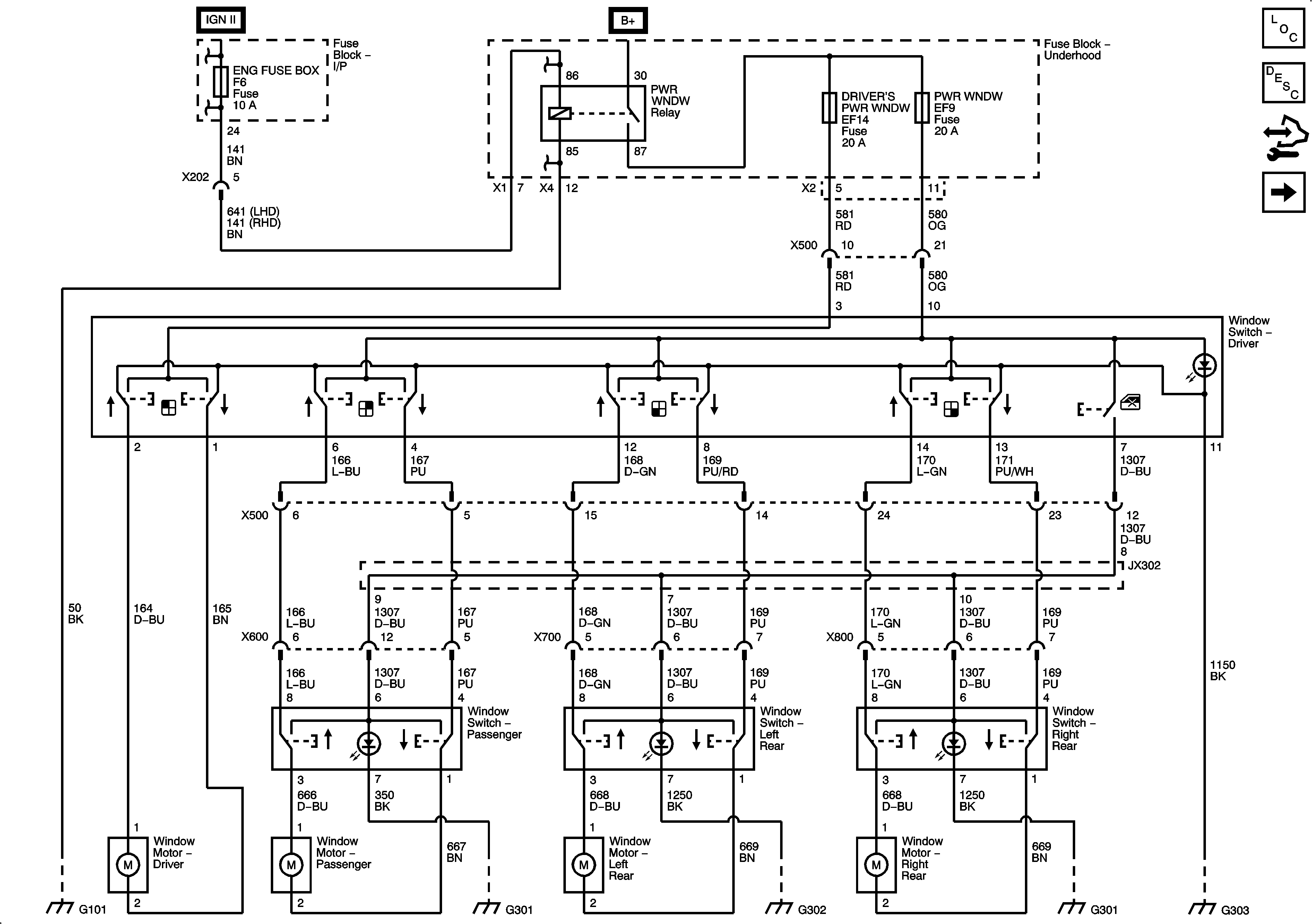
Figure 2:

Front/Rear Power Windows


Object Number: 2159363  Size: FS