GM Service Manual Online
For 1990-2009 cars only
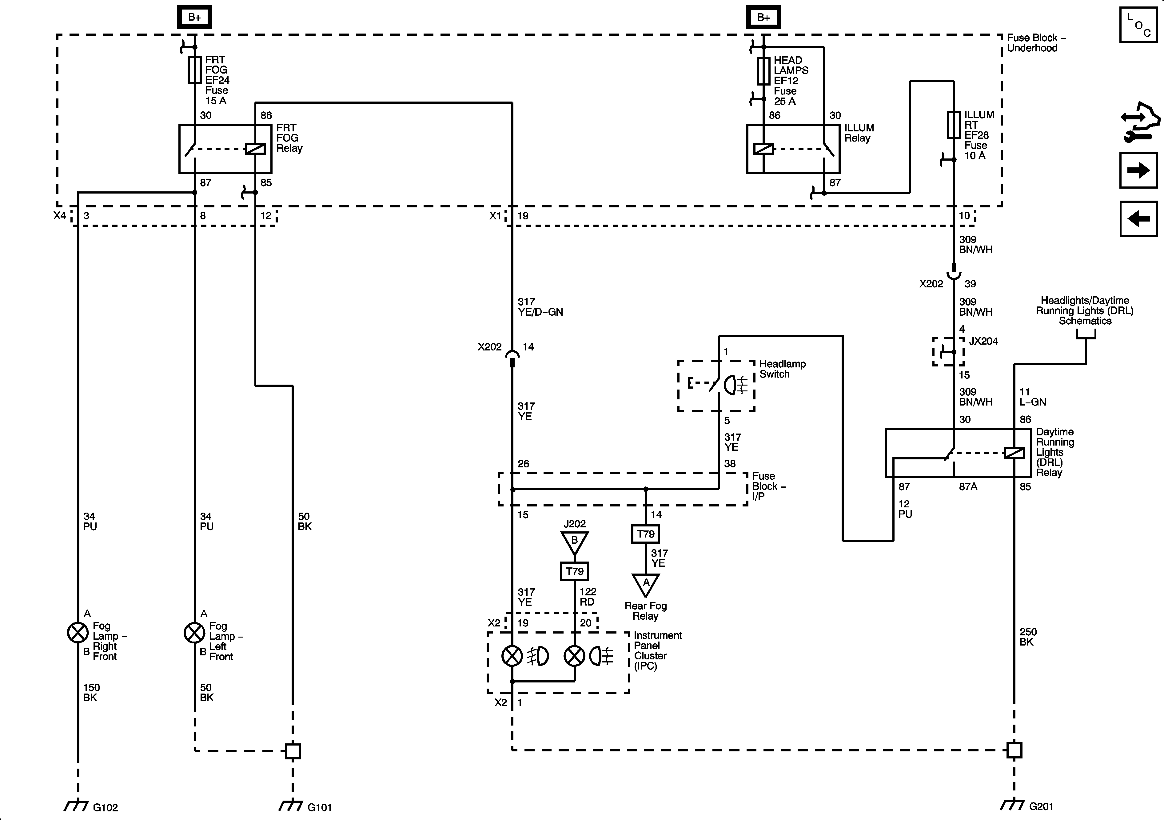
Figure 1:

Front - North America


Object Number: 2159169  Size: FS
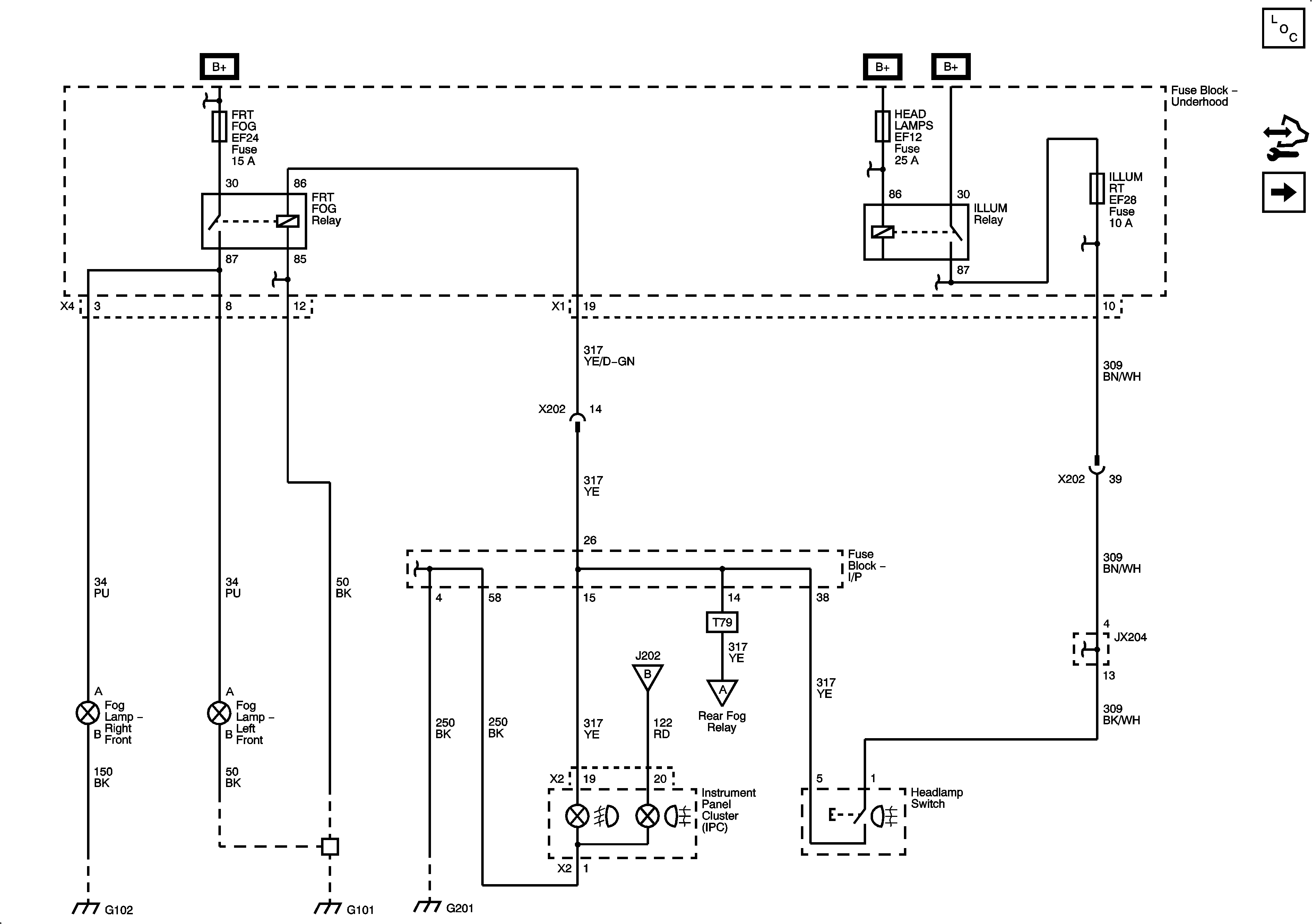
Figure 2:

Front Fog Lamps - LHD Except North America


Object Number: 2159171  Size: FS
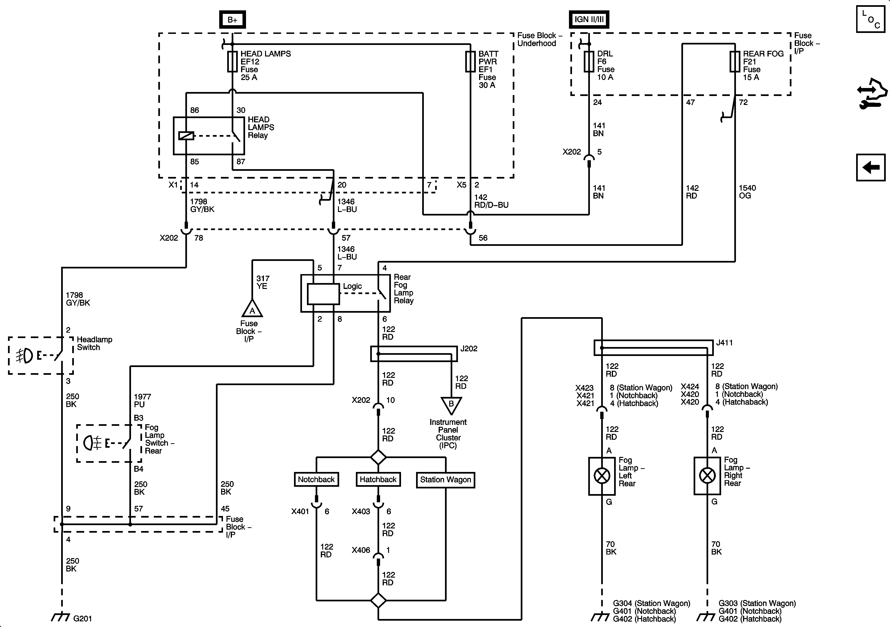
Figure 3:

Rear Fog Lamps


Object Number: 2159172  Size: FS