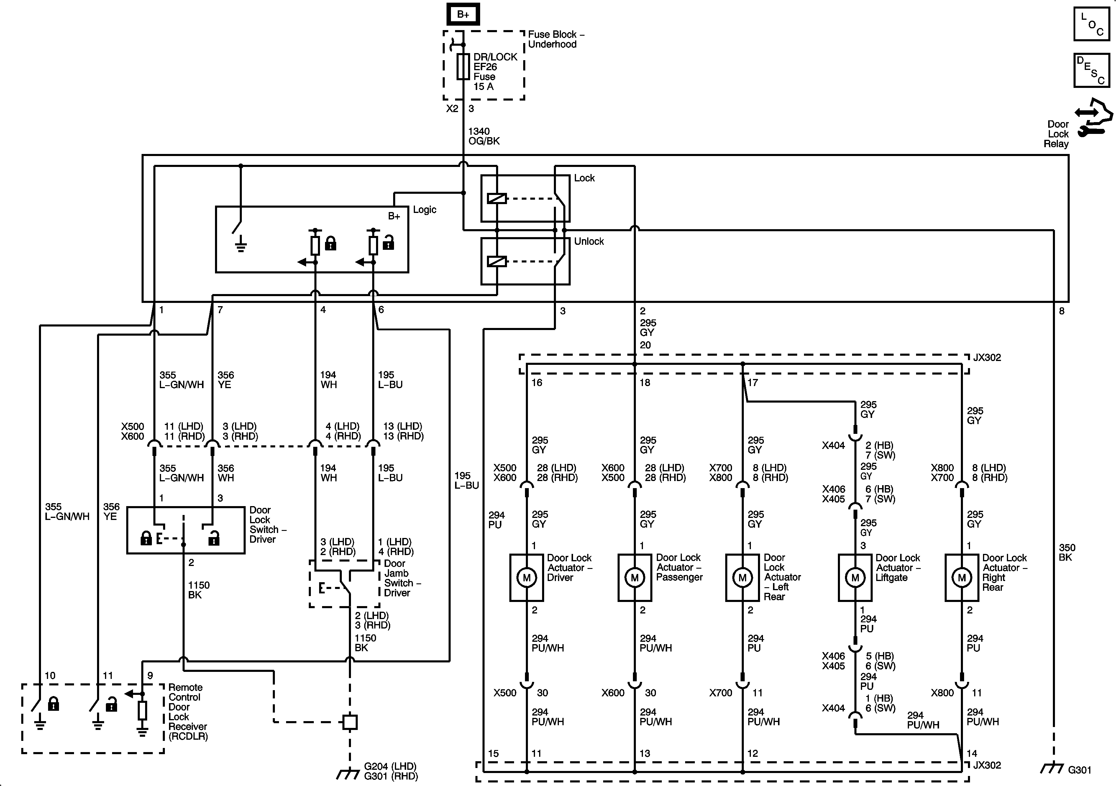
GM Service Manual Online
For 1990-2009 cars only
Makes
🢒
Chevrolet
🢒
2009
🢒
Optra
🢒
Body Systems
🢒
Vehicle Access
🢒 Door Lock/Indicator Schematics
Door Lock/Indicators