GM Service Manual Online
For 1990-2009 cars only
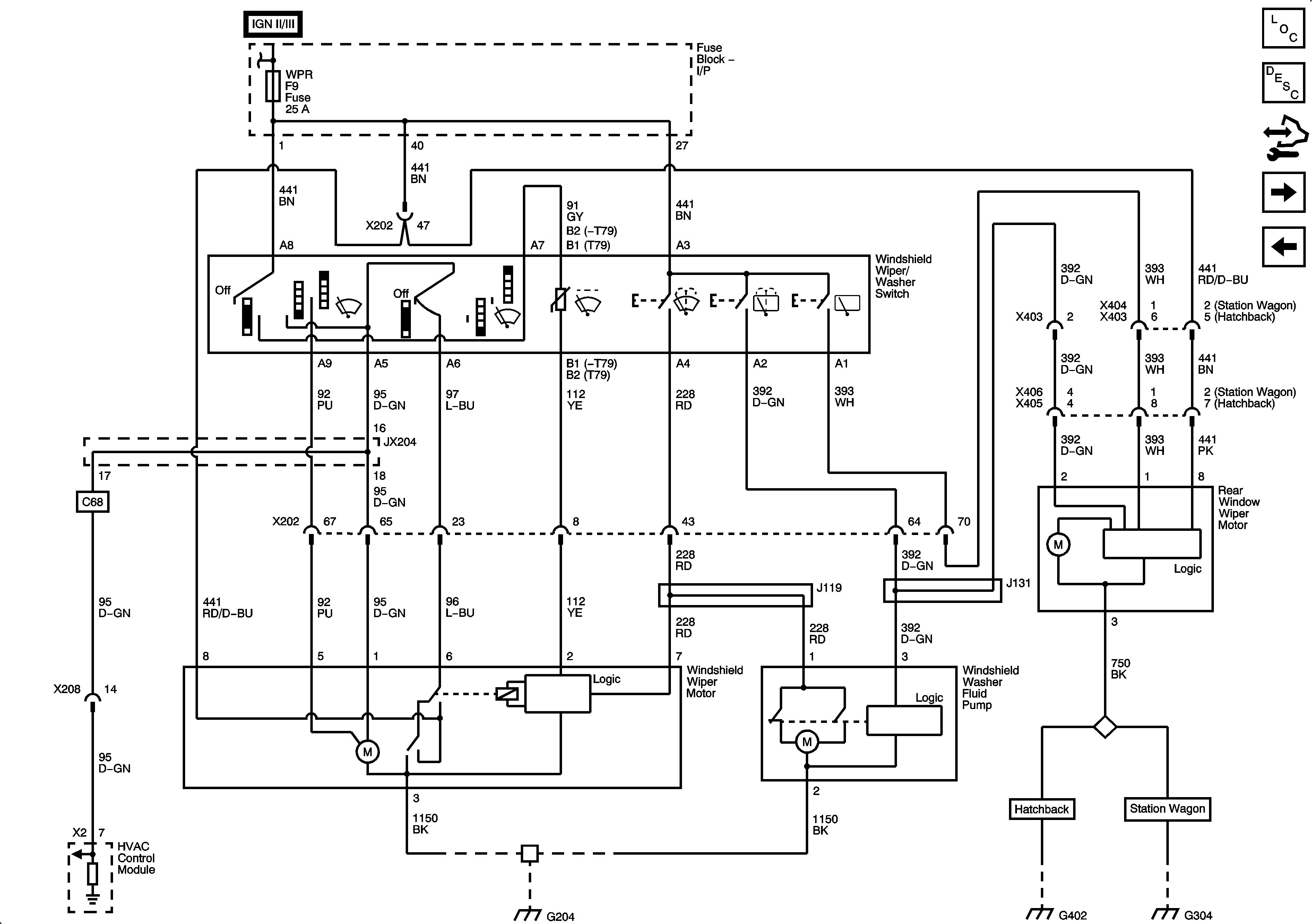
Figure 1:

Wiper System - Notchback


Object Number: 2159513  Size: FS
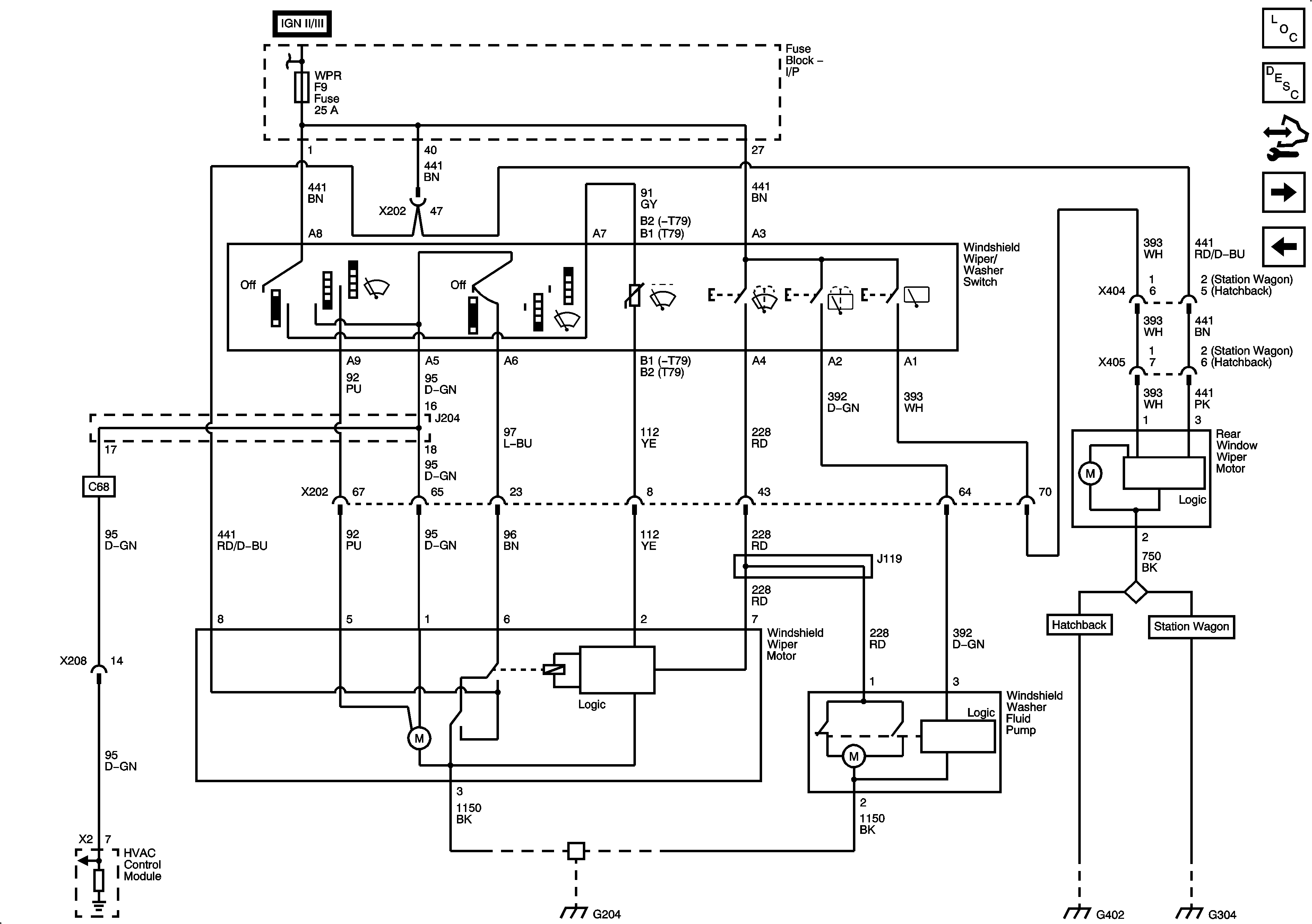
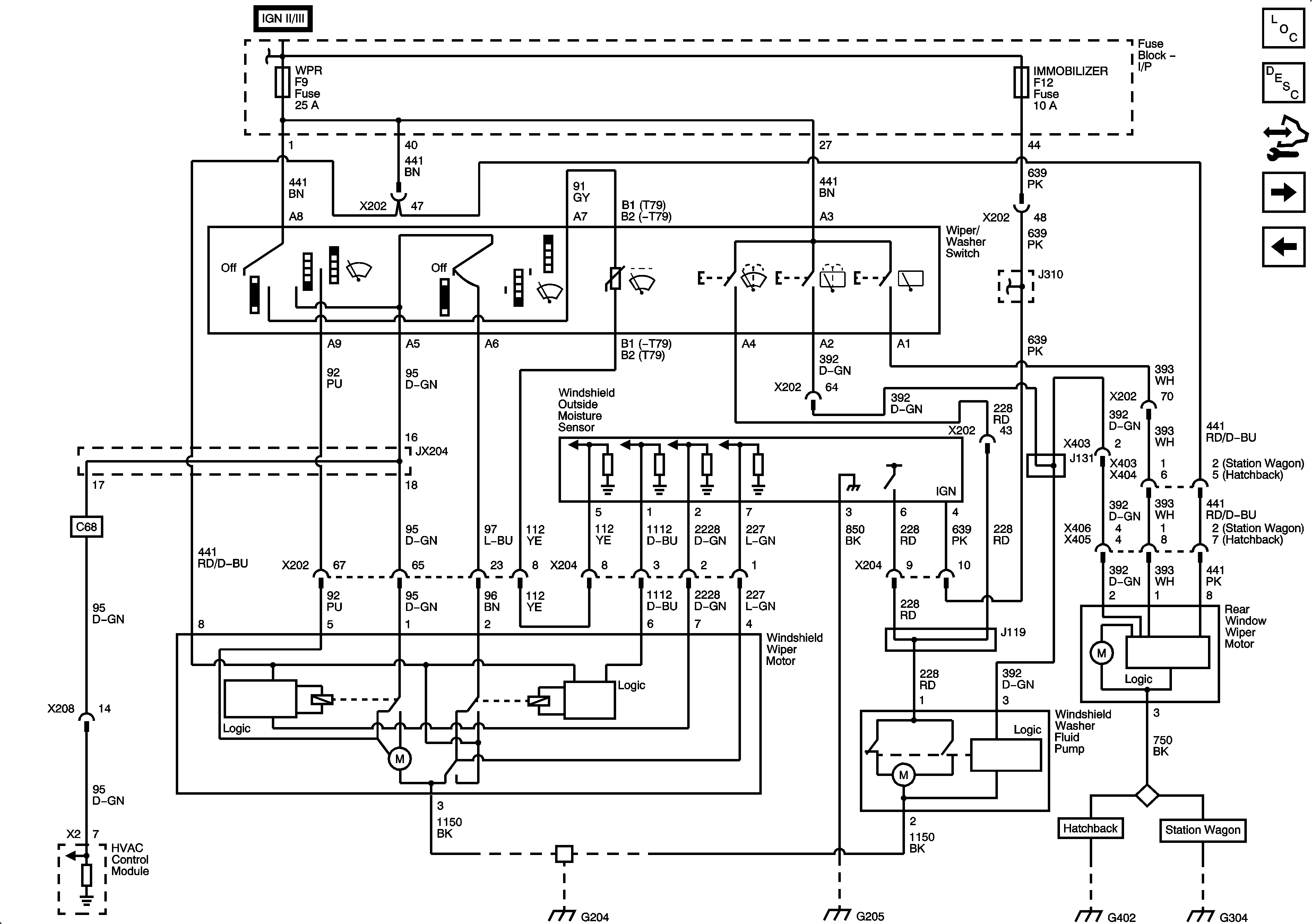
Figure 2:

Wiper System Hatchback and Station Wagon


Object Number: 2159516  Size: FS
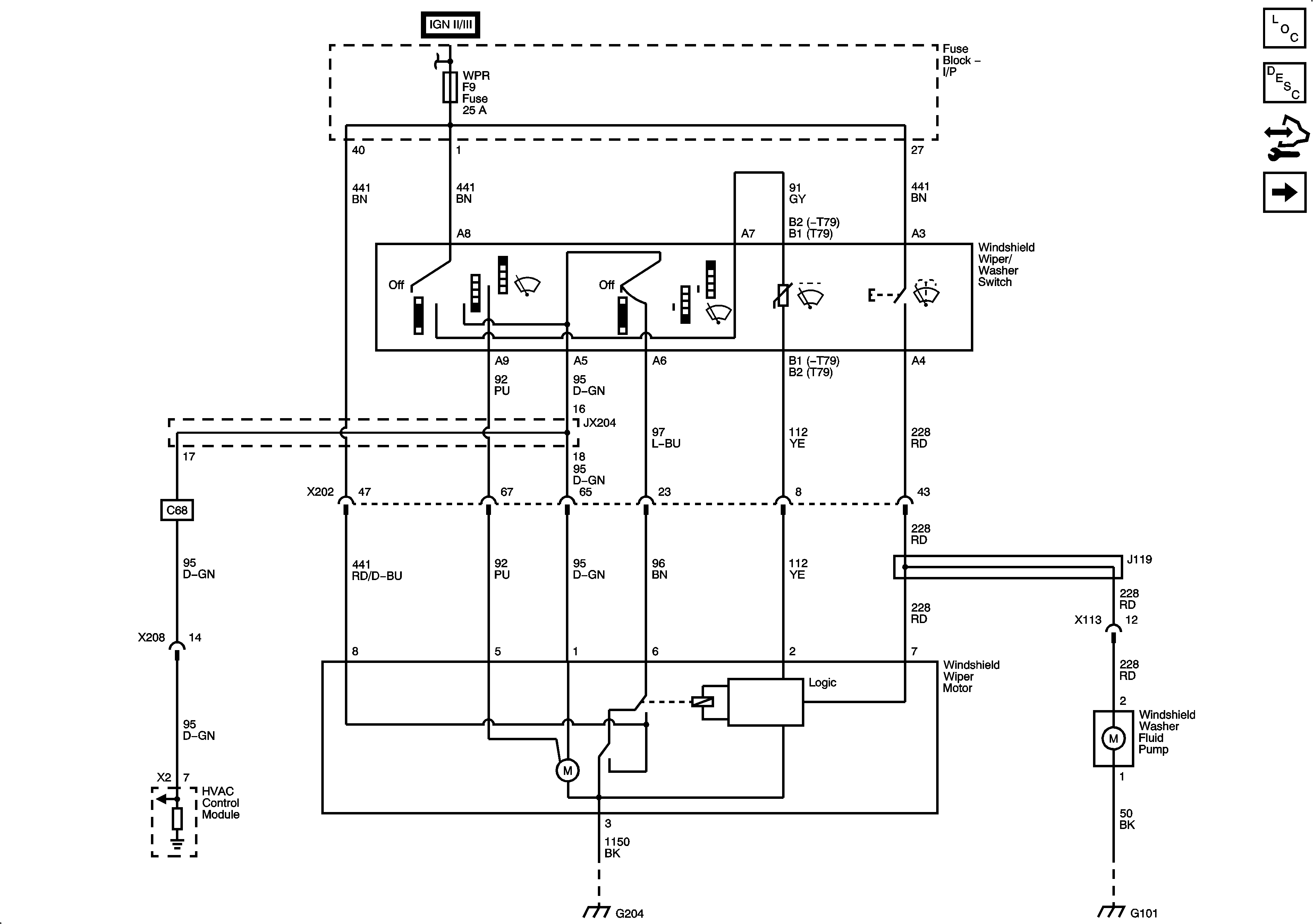
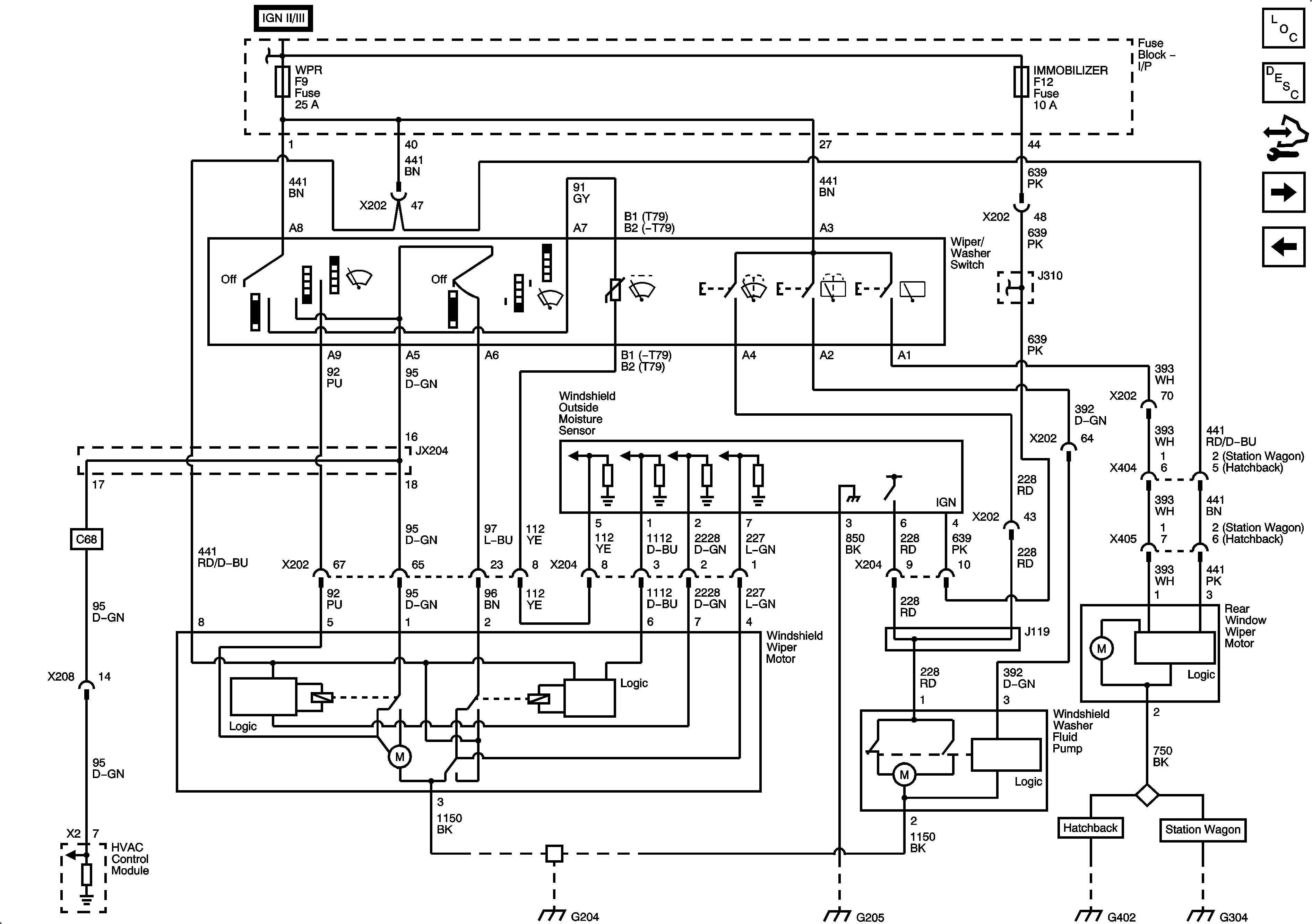
Figure 3:

Wiper System Hatchback and Station Wagon w/Intermittent


Object Number: 2159518  Size: FS
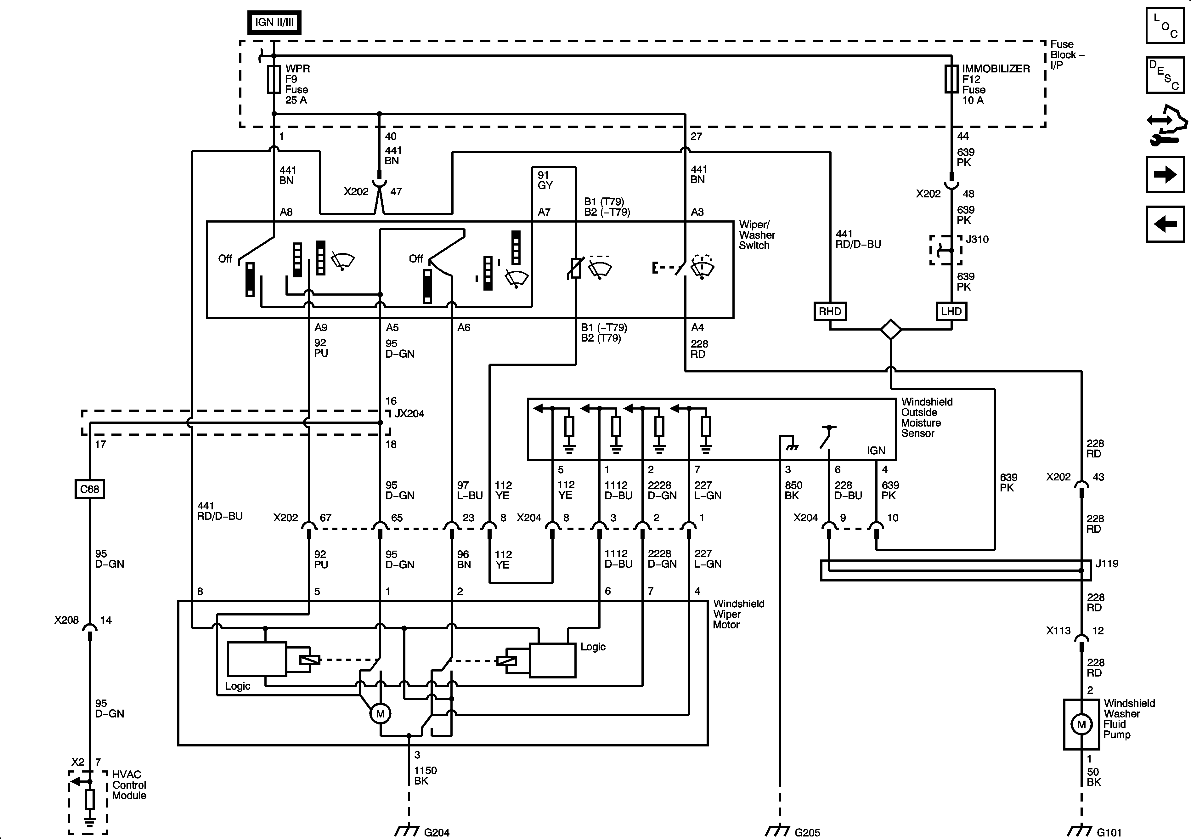
Figure 4:

Wiper System Notchback w/Rain Sensor


Object Number: 2159521  Size: FS
Figure 5:

Wiper System Hatchback and Station Wagon w/Rain Sensor


Object Number: 2159522  Size: FS
Figure 6:

Wiper System Hatchback and Station Wagon w/Intermittent and Rain Sensor


Object Number: 2159523  Size: FS