GM Service Manual Online
For 1990-2009 cars only
Makes
🢒
Chevrolet
🢒
2009
🢒
Optra
🢒
Driver Information and Entertainment
🢒
Displays and Gages
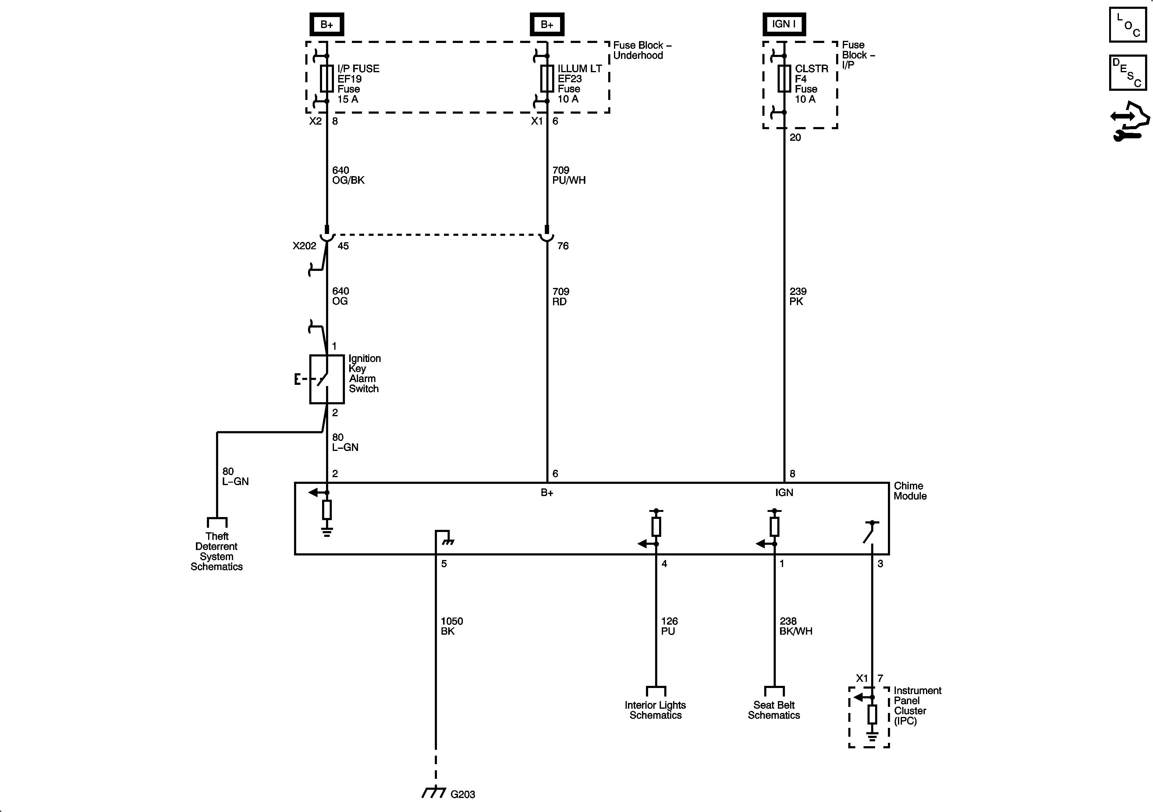
🢒 Audible Warnings Schematics
Audible Warnings