GM Service Manual Online
For 1990-2009 cars only
Makes
🢒
Chevrolet
🢒
2009
🢒
Optra
🢒
Brakes
🢒
Antilock Brake System
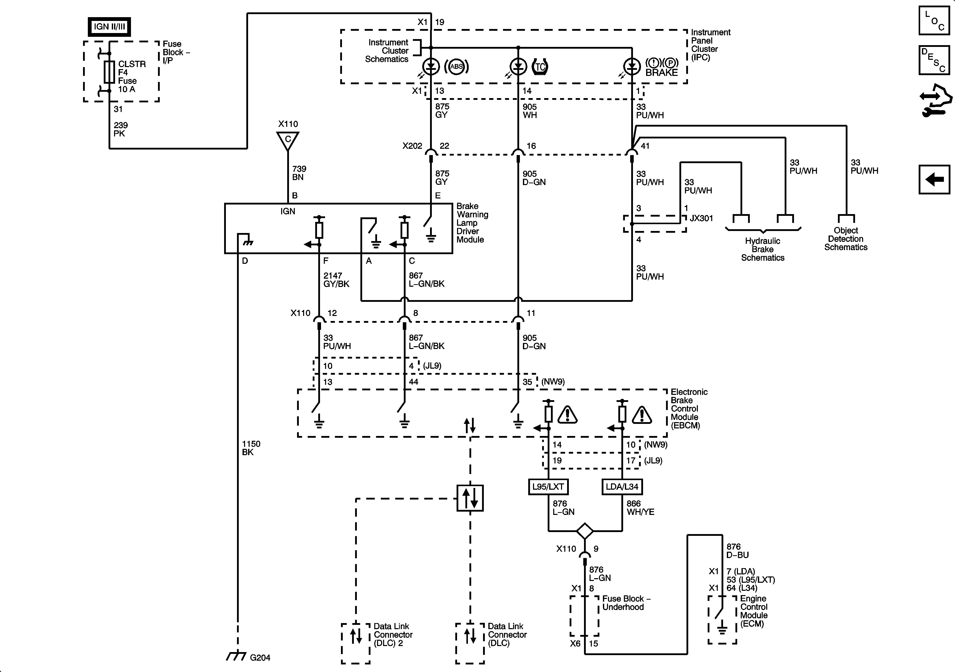
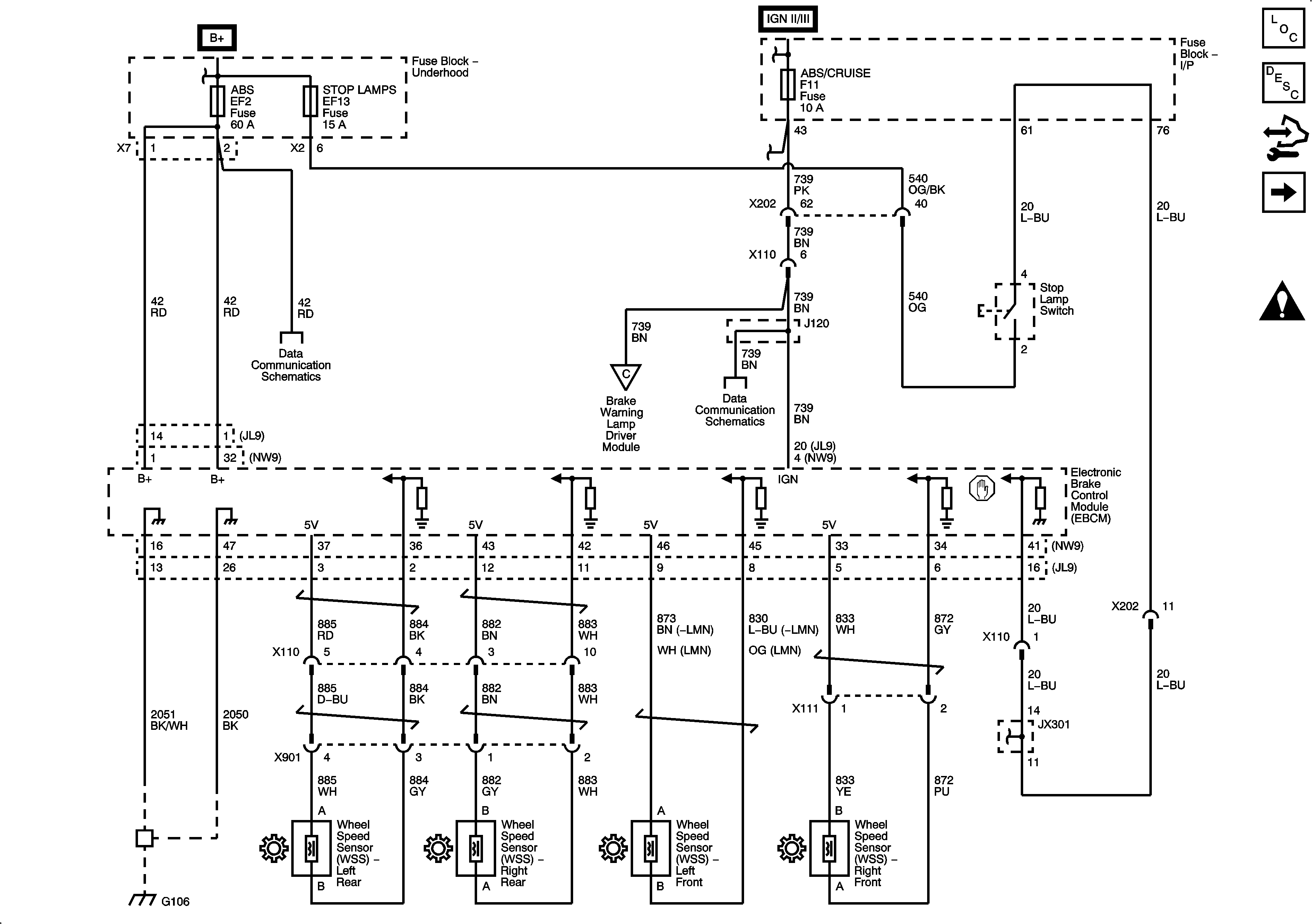
🢒 Antilock Brake System Schematics
Figure
1:
Warning Lamps, Serial Data
Figure
2:
Power, Ground, Wheel Speed Sensors