GM Service Manual Online
For 1990-2009 cars only
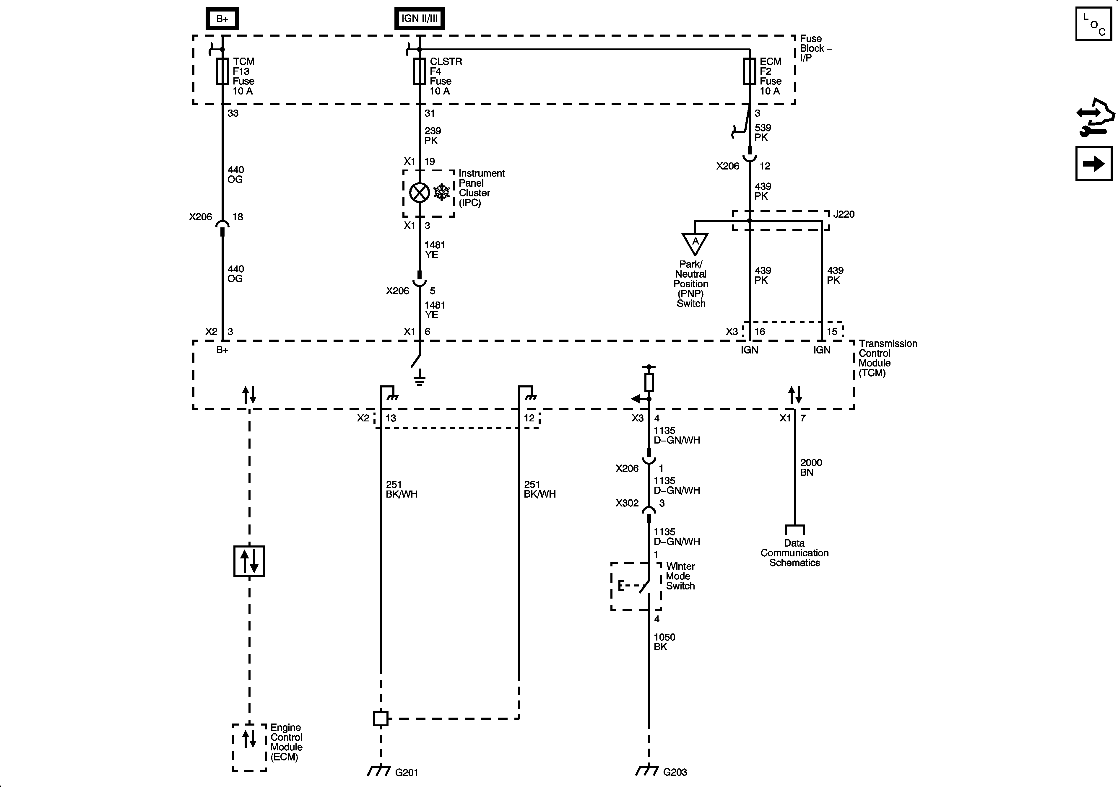
Figure 1:

Power, Ground, Hold Switch, and DLC


Object Number: 2158745  Size: FS
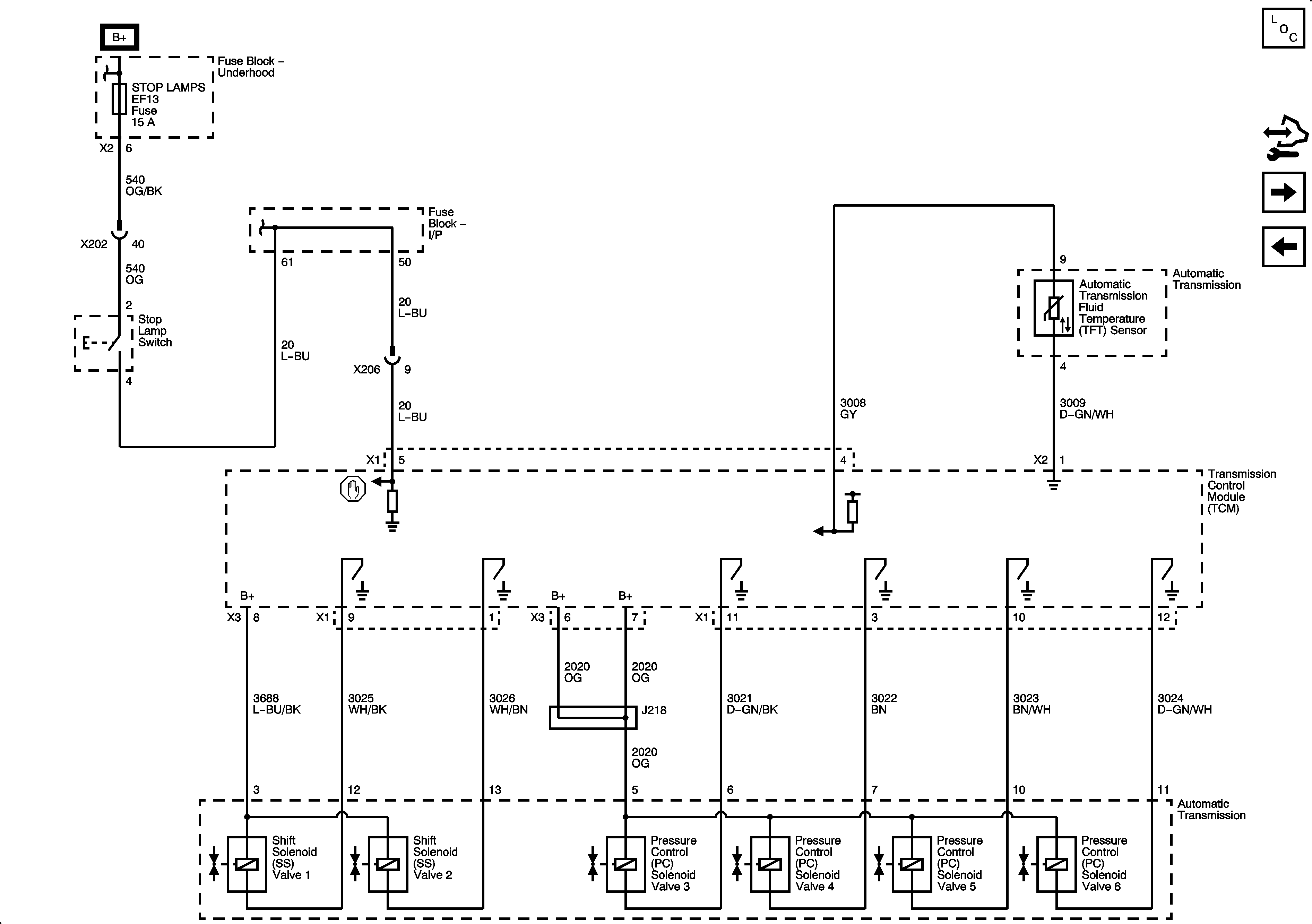
Figure 2:

Shift and Pressure Control Solenoids


Object Number: 2158748  Size: FS
Figure 3:

Vehicle Speed Signal


Object Number: 2158753  Size: FS
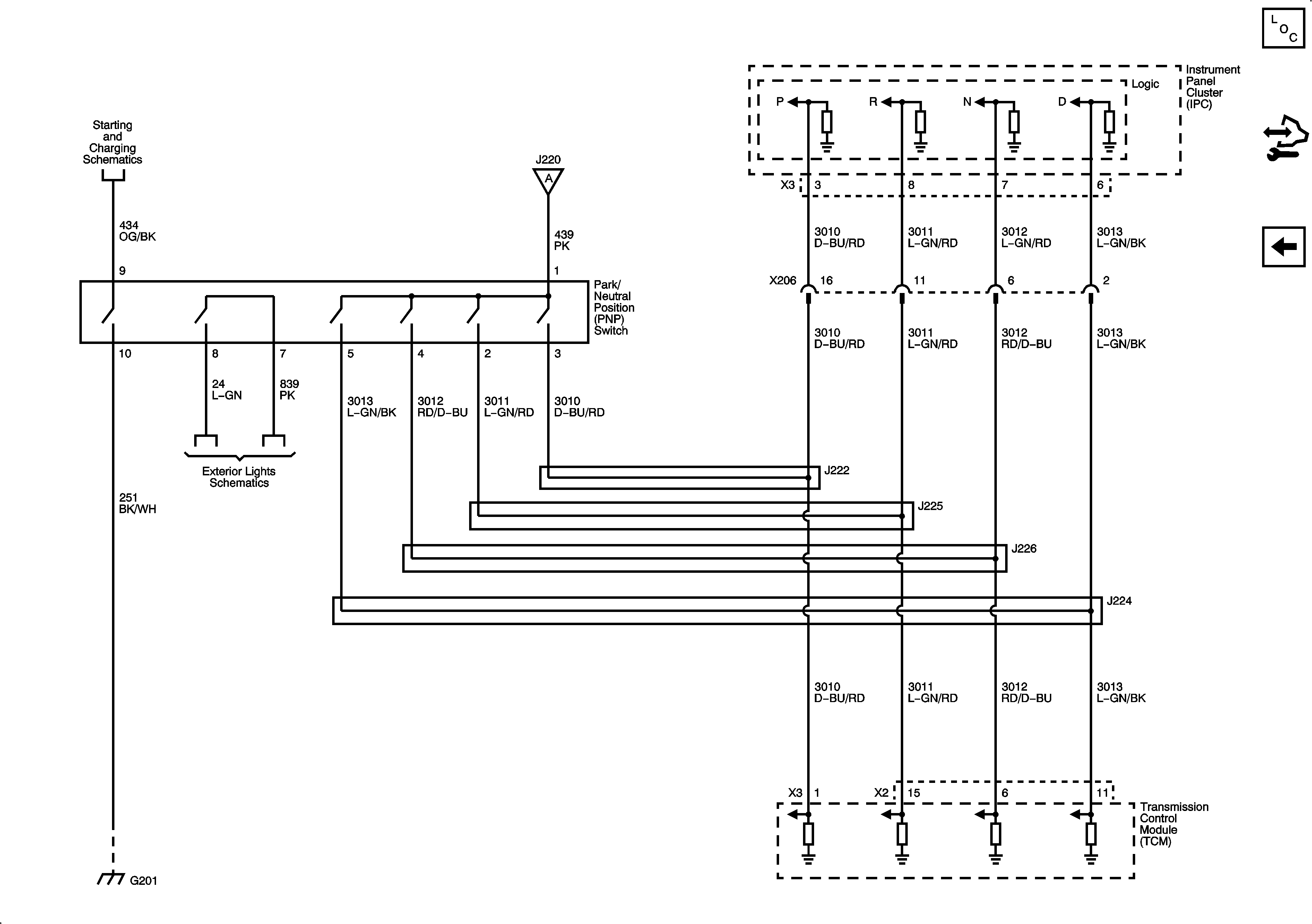
Figure 4:

Park/Neutral Position (PNP) Switch


Object Number: 2158774  Size: FS