GM Service Manual Online
For 1990-2009 cars only
Makes
🢒
Chevrolet
🢒
2009
🢒
Optra
🢒
Transmission
🢒
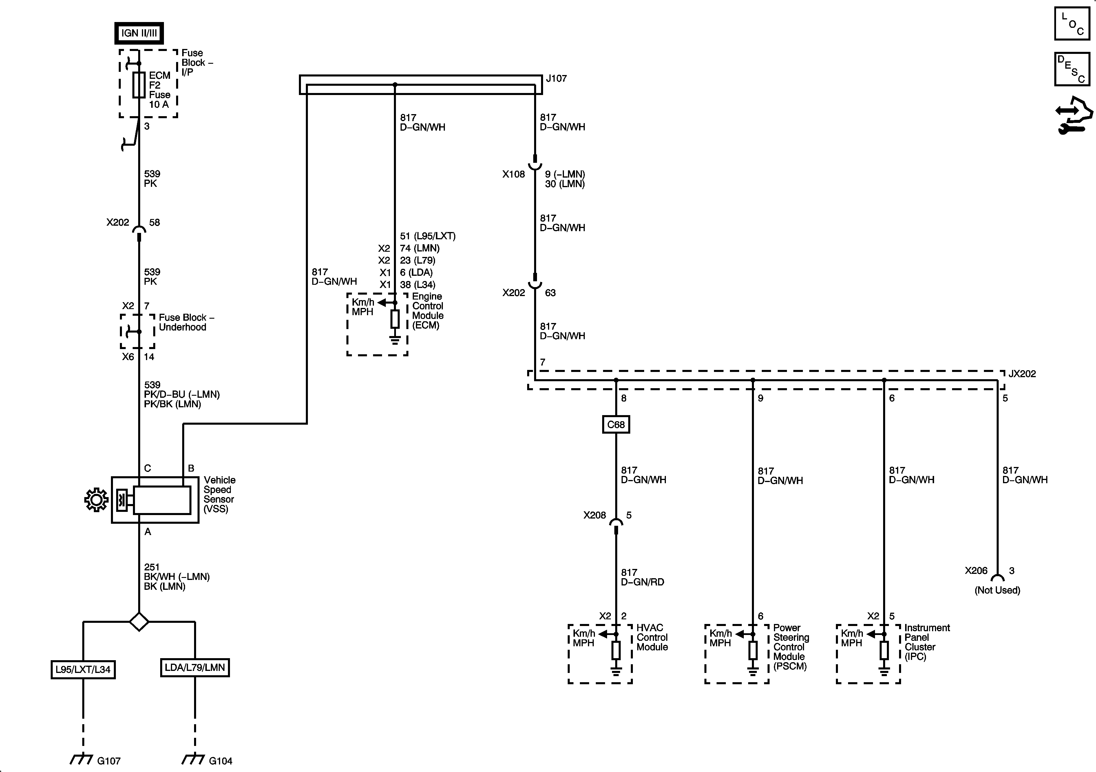
Manual Transmission - D20
🢒 Manual Transmission Schematics
D20