GM Service Manual Online
For 1990-2009 cars only
Makes
🢒
Chevrolet
🢒
2009
🢒
Optra
🢒
Roof
🢒
Sunroof
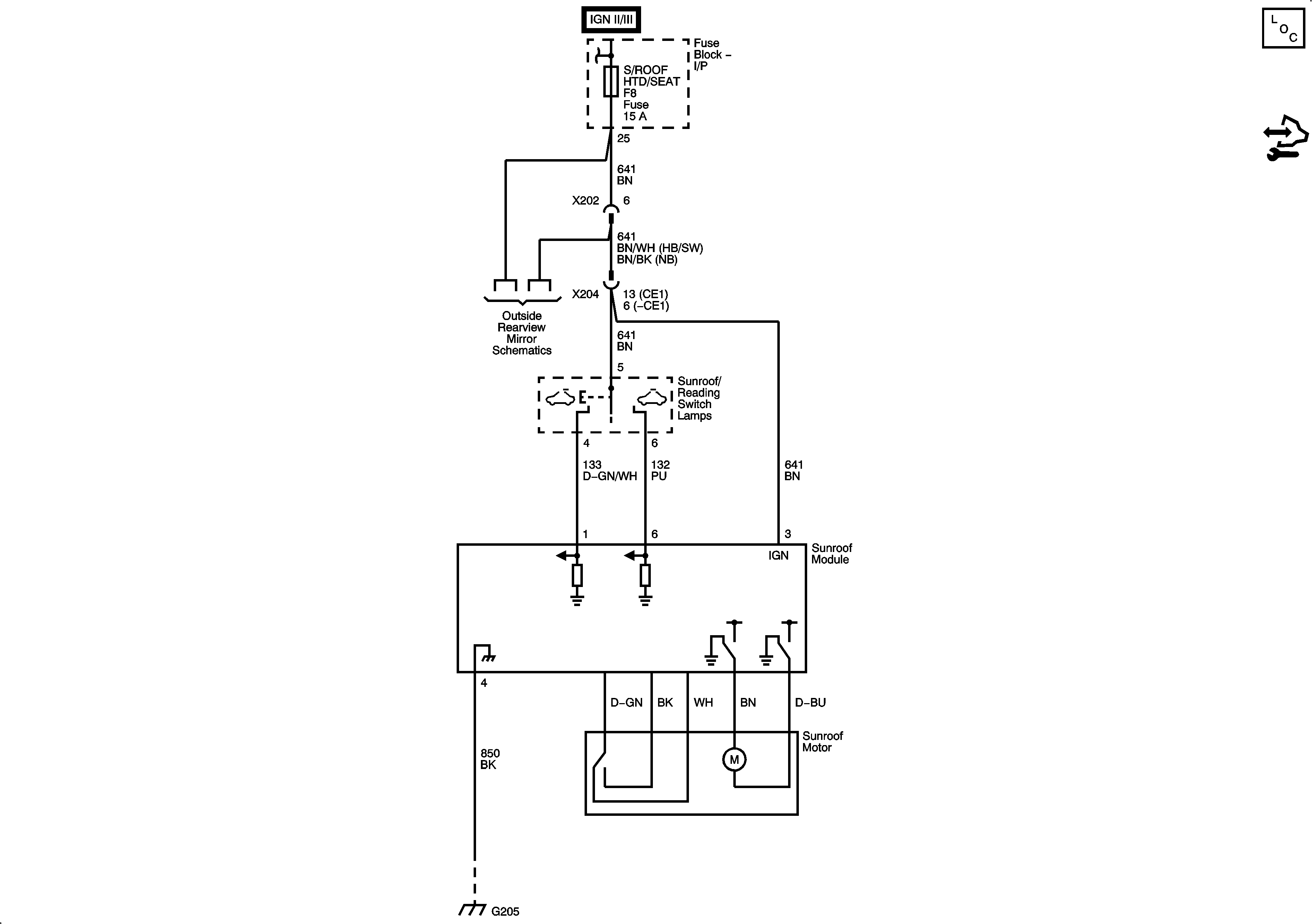
🢒 Sunroof Schematics
Sunroof