GM Service Manual Online
For 1990-2009 cars only
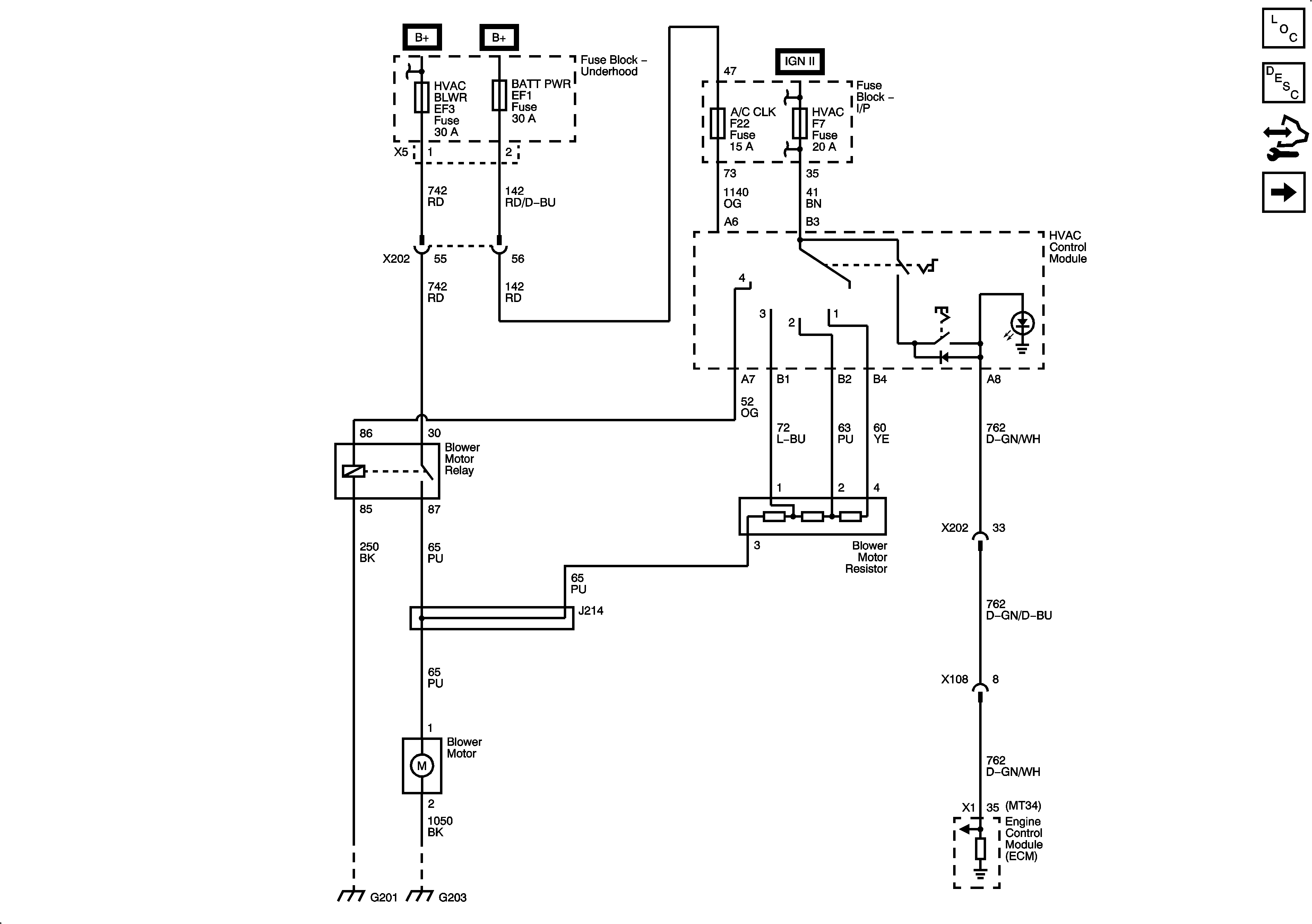
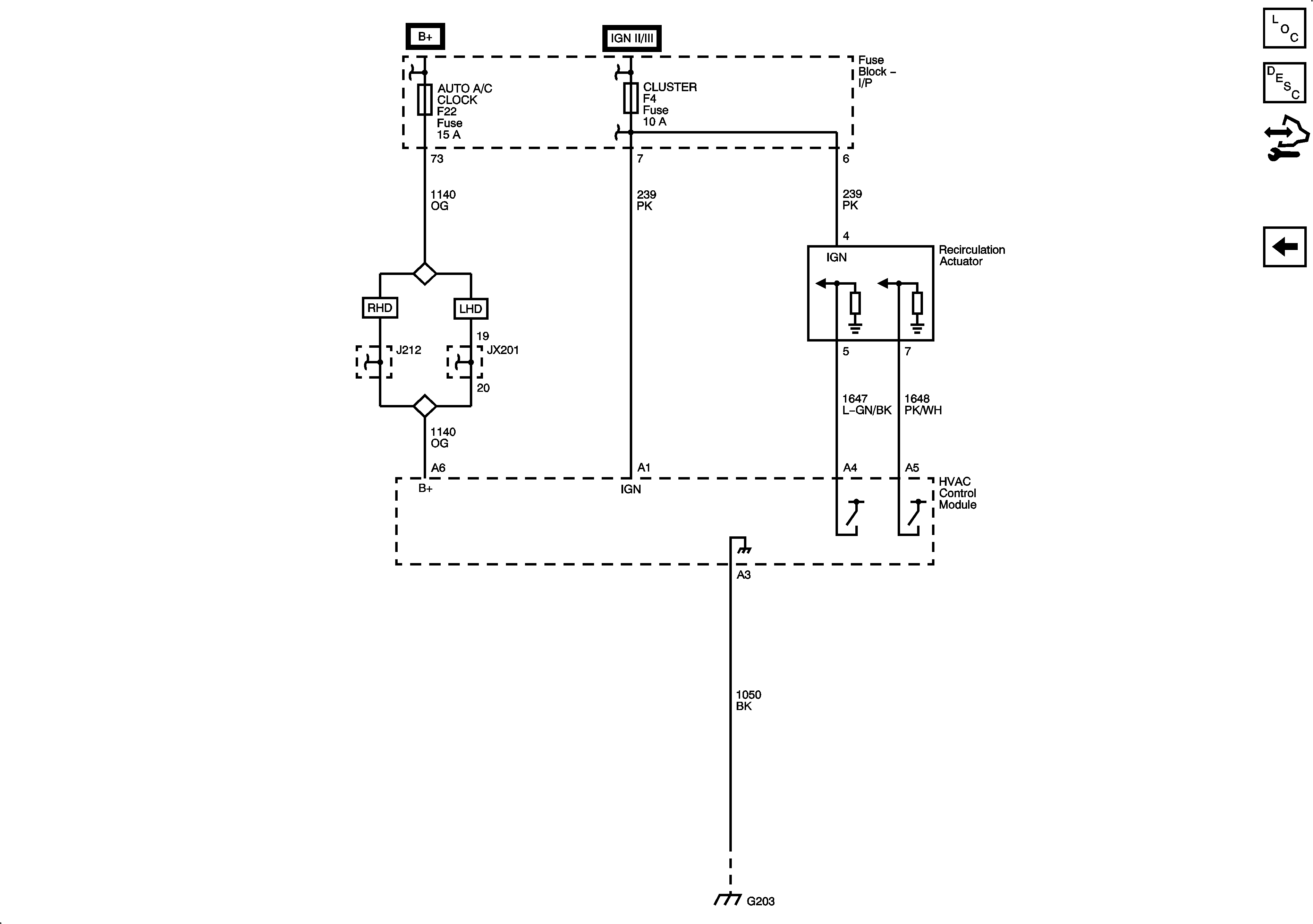
Figure 1:

Blower Controls


Object Number: 2159295  Size: FS
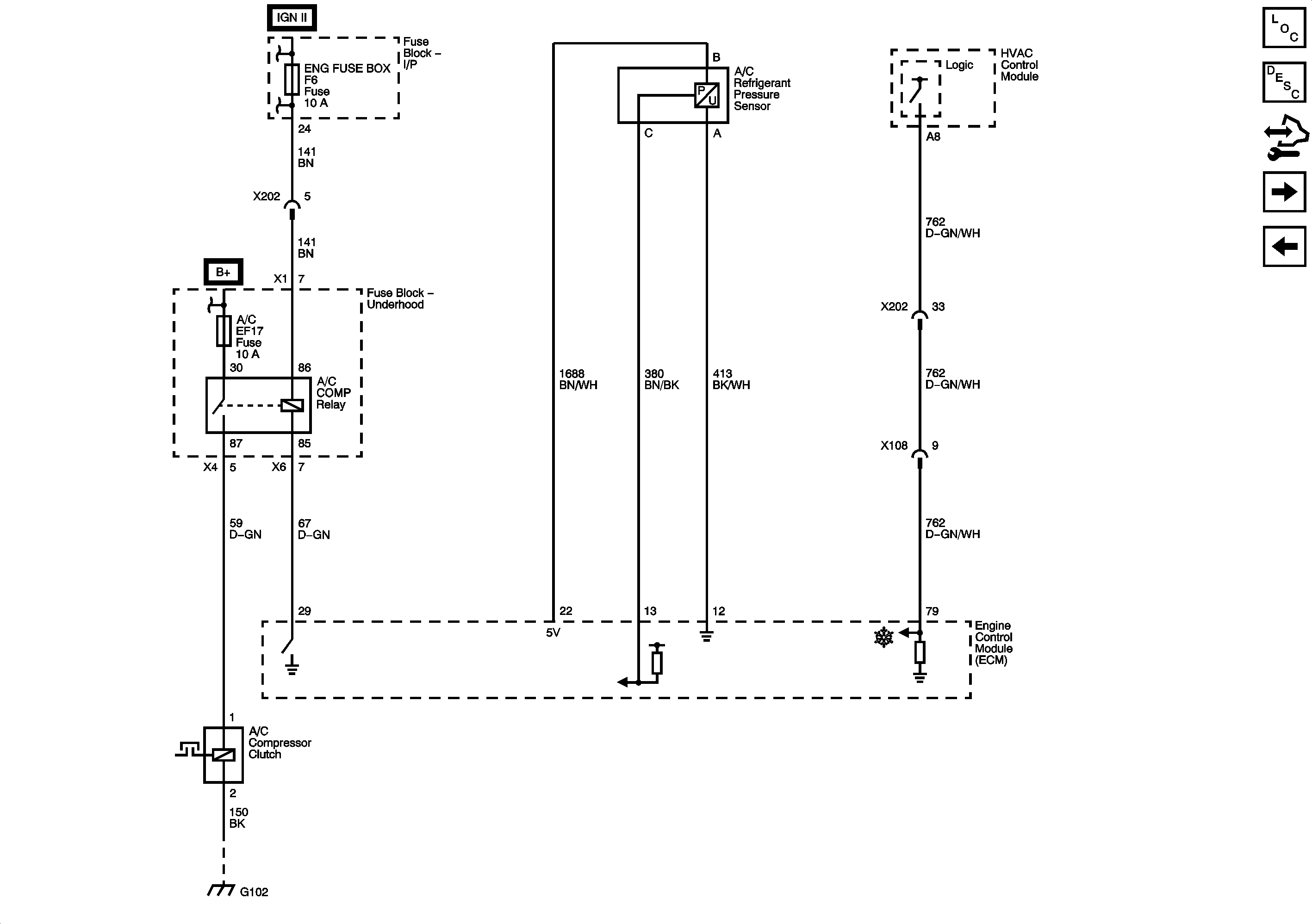
Figure 2:

Compressor Controls Sirius D4, MR140, MT34


Object Number: 2159298  Size: FS
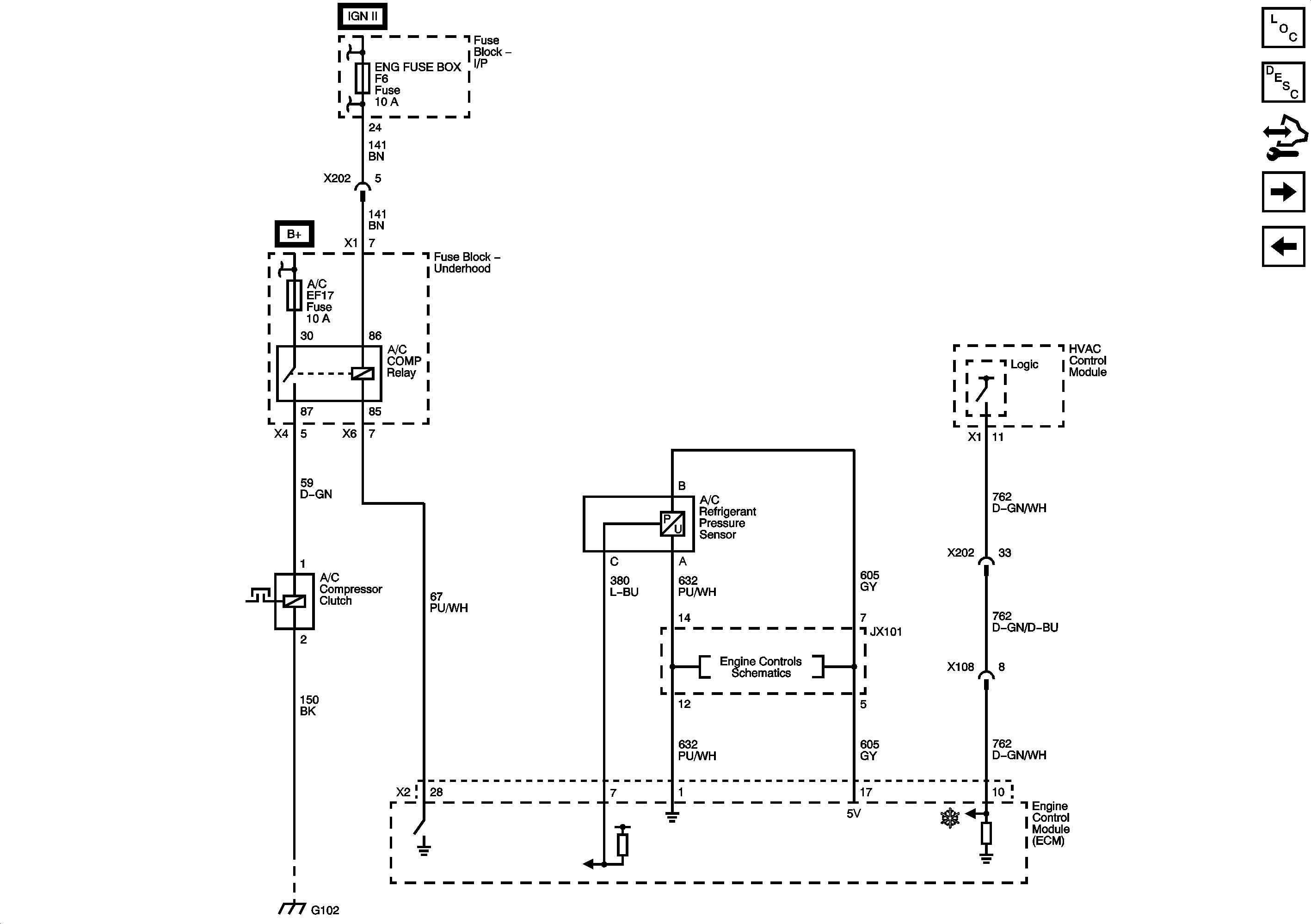
Figure 3:

Compressor Controls HV-240


Object Number: 2159300  Size: FS
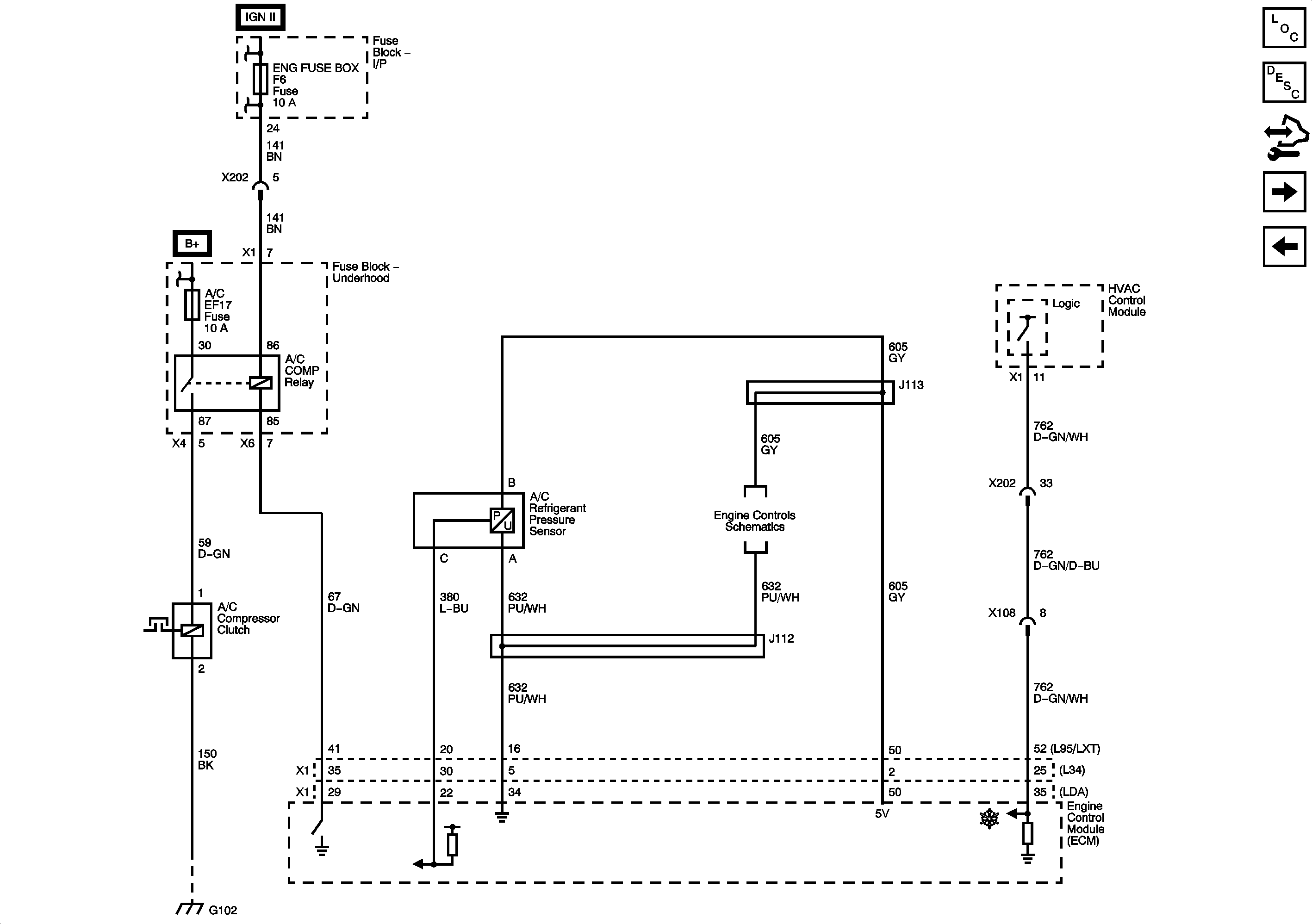
Figure 4:

Compressor Controls Diesel


Object Number: 2159304  Size: FS
Figure 5:

Temperature Controls/Air Delivery


Object Number: 2159307  Size: FS