GM Service Manual Online
For 1990-2009 cars only
Makes
🢒
Chevrolet
🢒
2009
🢒
Optra
🢒
Safety and Security
🢒
Supplemental Inflatable Restraints
🢒 SIR Schematics
Figure
1:
Single Stage SIR System
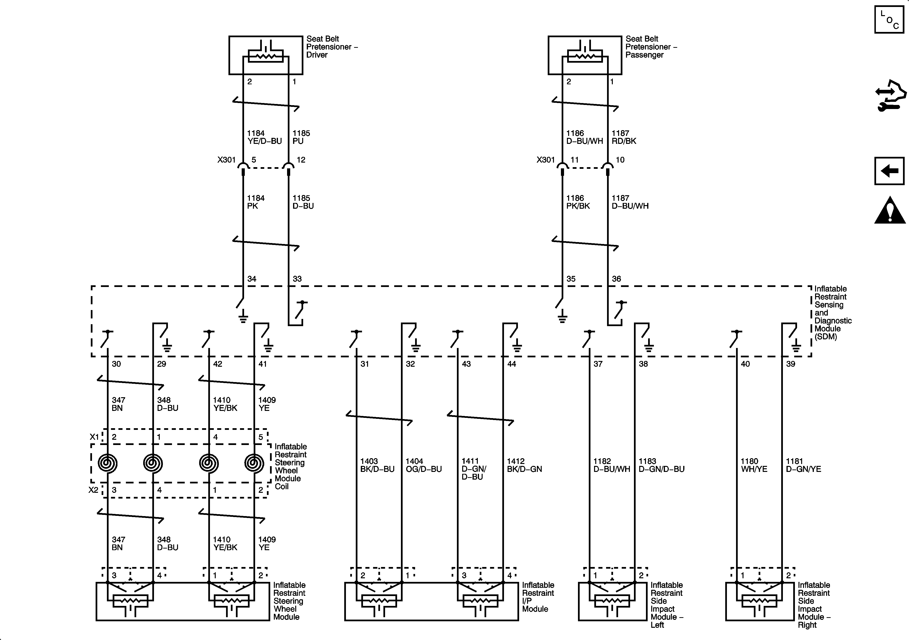
Figure
2:
Dual Stage SIR - 1 of 2
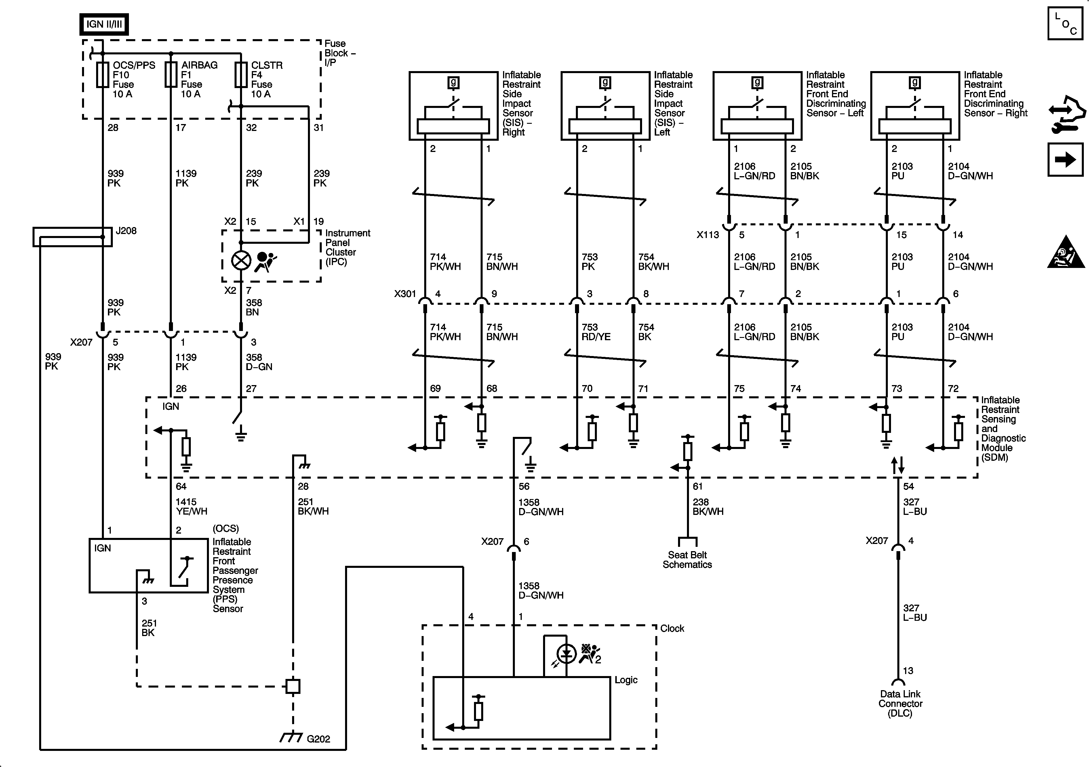
Figure
3:
Dual Stage SIR - 2 of 2