GM Service Manual Online
For 1990-2009 cars only
Makes
🢒
Chevrolet
🢒
2009
🢒
Optra
🢒
Safety and Security
🢒
Theft Deterrent
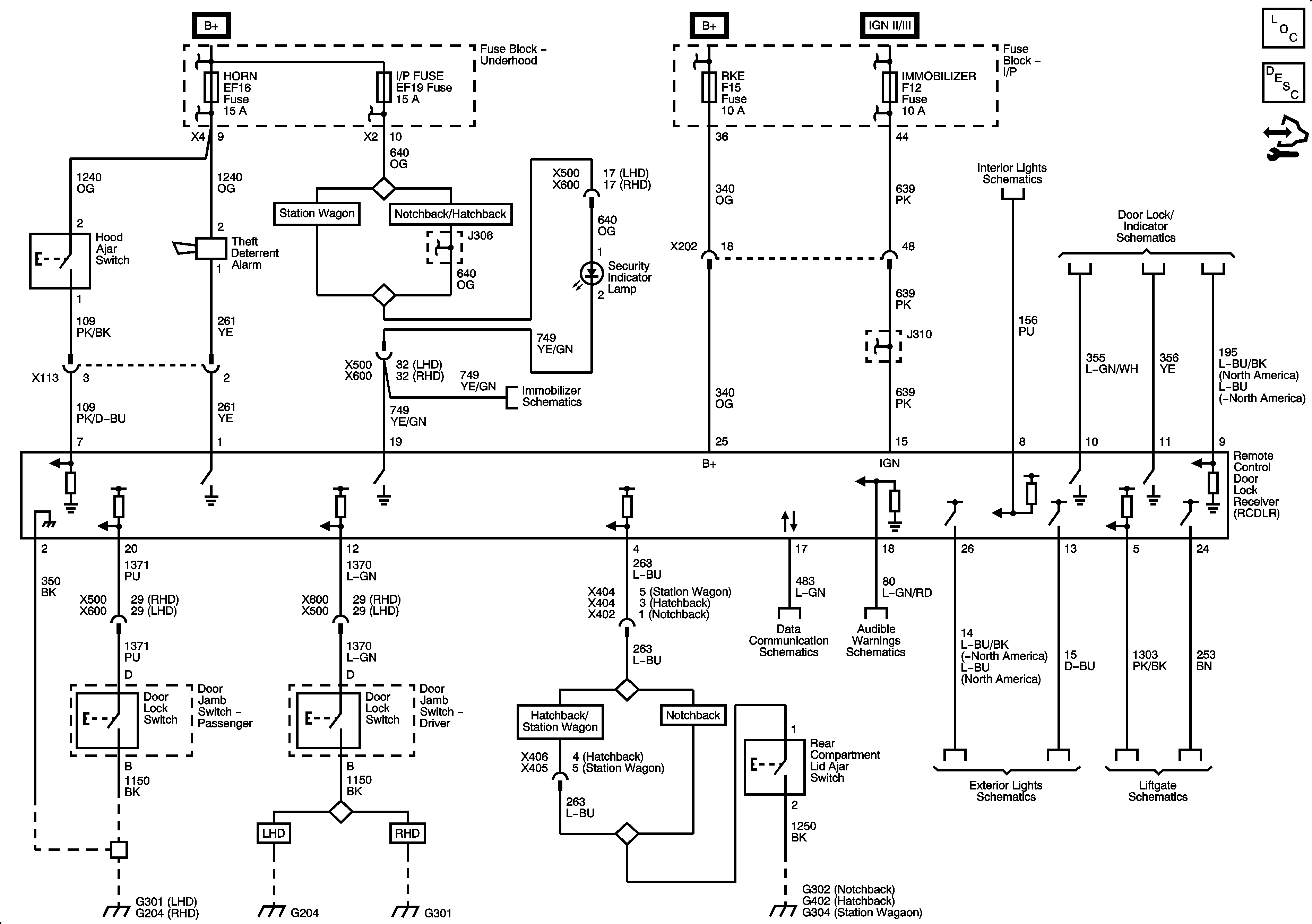
🢒 Theft Deterrent System Schematics
Theft Deterrent System