GM Service Manual Online
For 1990-2009 cars only
Makes
🢒
Chevrolet
🢒
2006
🢒
Optra - Mexico
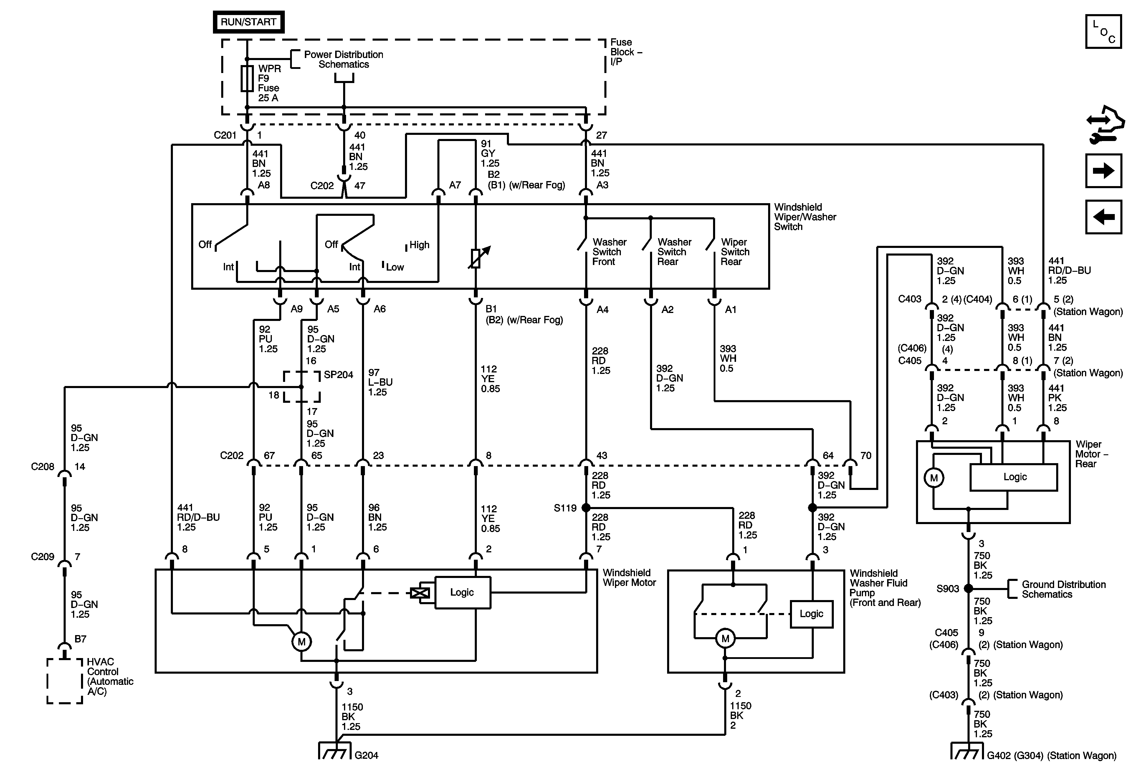
🢒 Wiper System - Hatchback and Station Wagon w/Intermittent
Wiper System - Hatchback and Station Wagon w/Intermittent
Wiper System - Hatchback and Station Wagon w/Intermittent
Master Electrical Component List
Wiper System - Hatchback and Station Wagon
I/P Fuse Block ABS IMMOBILIZER, WRP, and TRN SIG LAMPS Fuses
G303, G401
G402 Hatchback Tailgate
G402 Hatchback Tailgate