GM Service Manual Online
For 1990-2009 cars only

Cruise Control Schematics Except Holden

Figure 1:

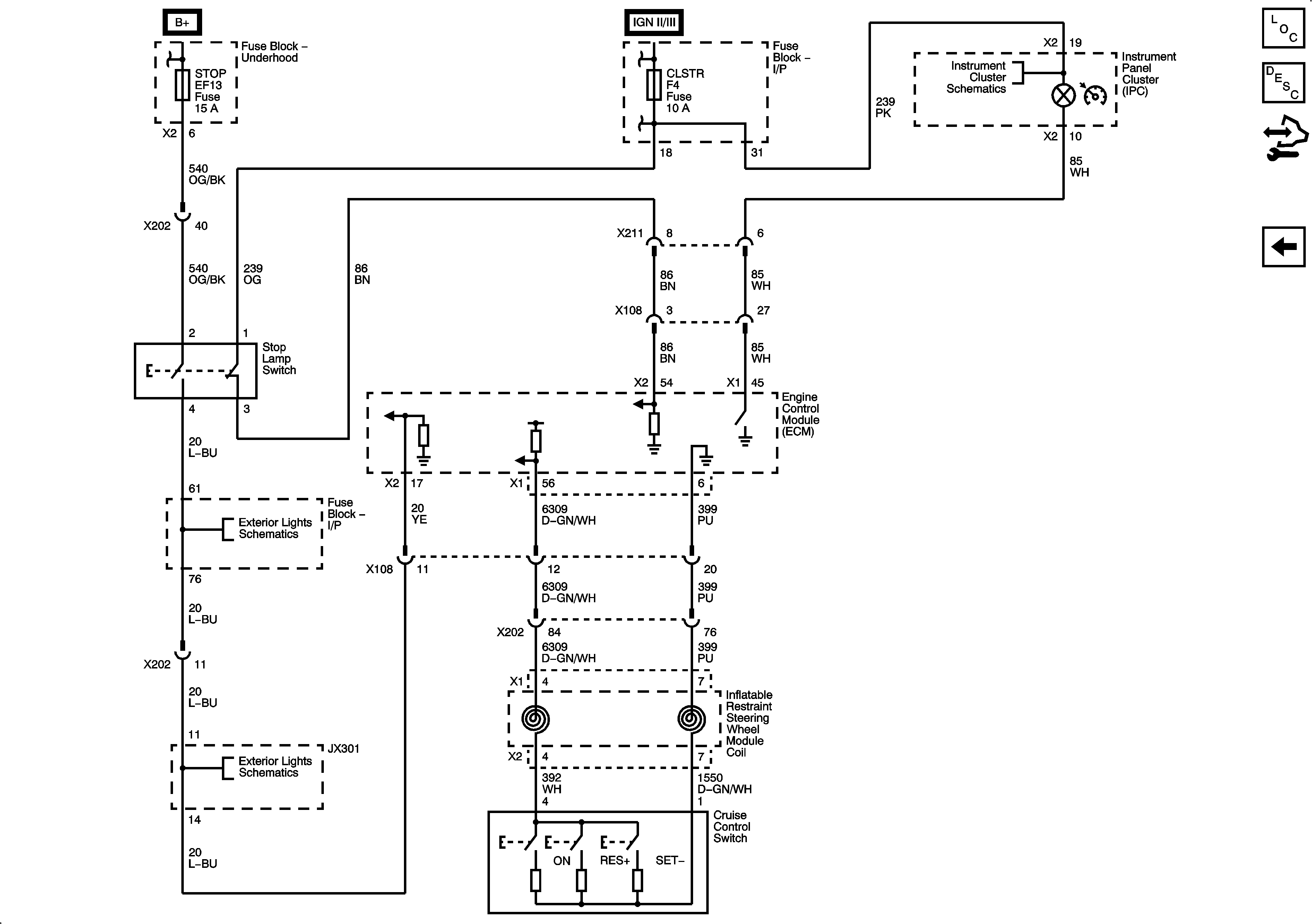
Manual Transmission w/o Throttle Actuator Control


Object Number: 2158780  Size: FS
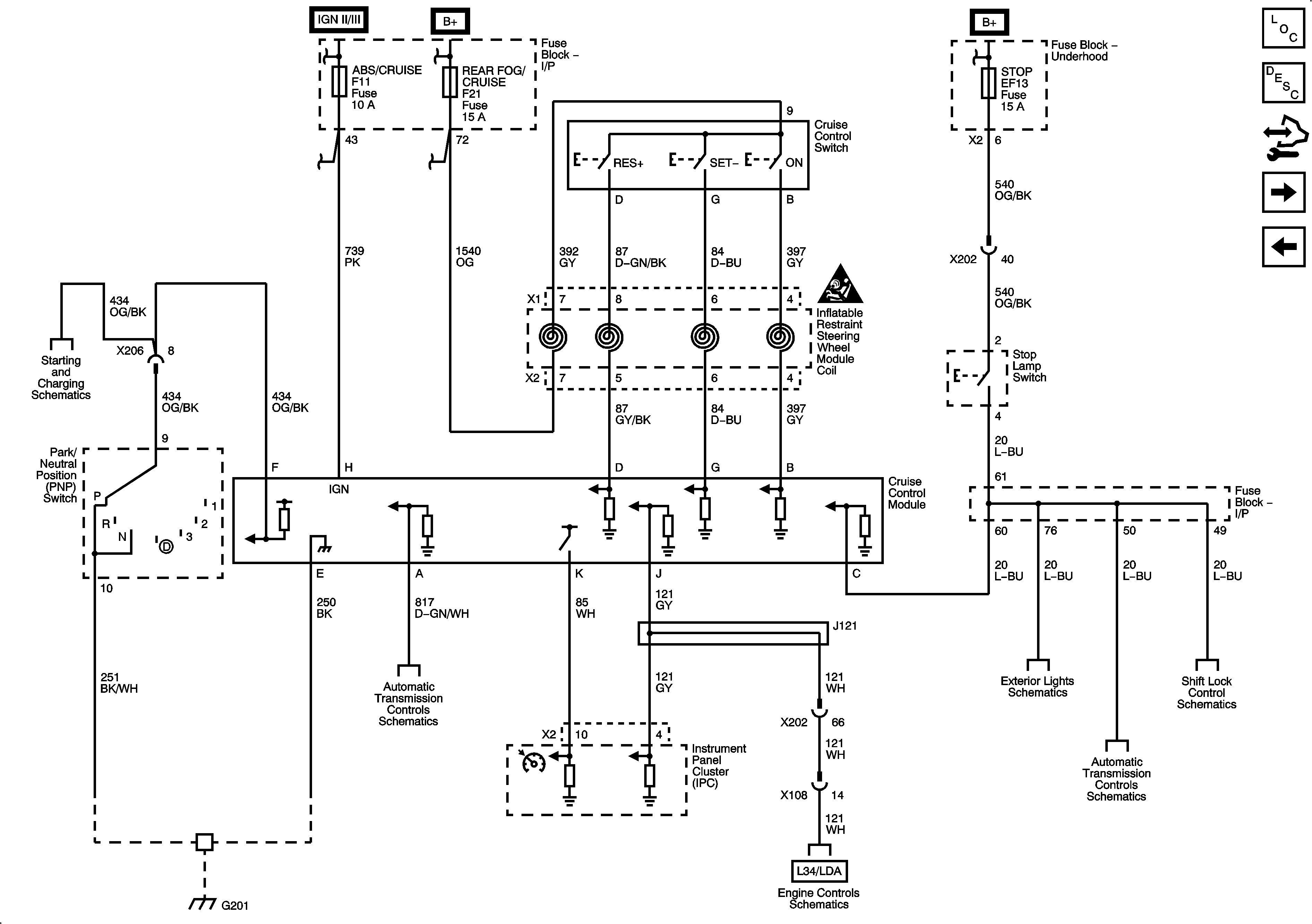
Figure 2:

Automatic Transmission w/o Throttle Actuator Control


Object Number: 2158783  Size: FS
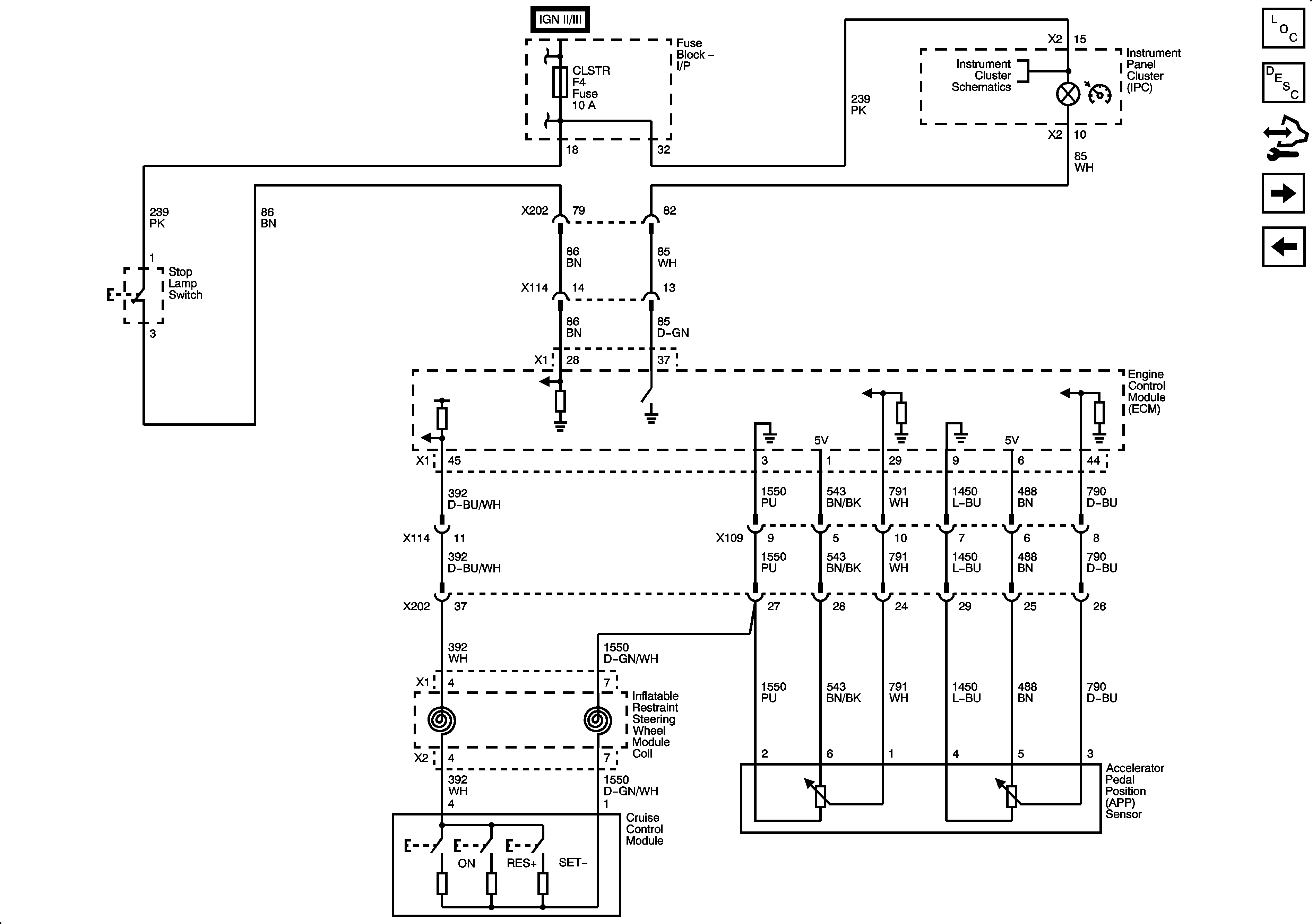
Figure 3:

with Throttle Actuator Control


Object Number: 2158800  Size: FS
Figure 4:

Diesel


Object Number: 2158802  Size: FS