GM Service Manual Online
For 1990-2009 cars only
Figure 1:

Module Pwer, Ground, Sensor Data Malfunction Indicator Lamp (MIL)


Object Number: 2158920  Size: FS
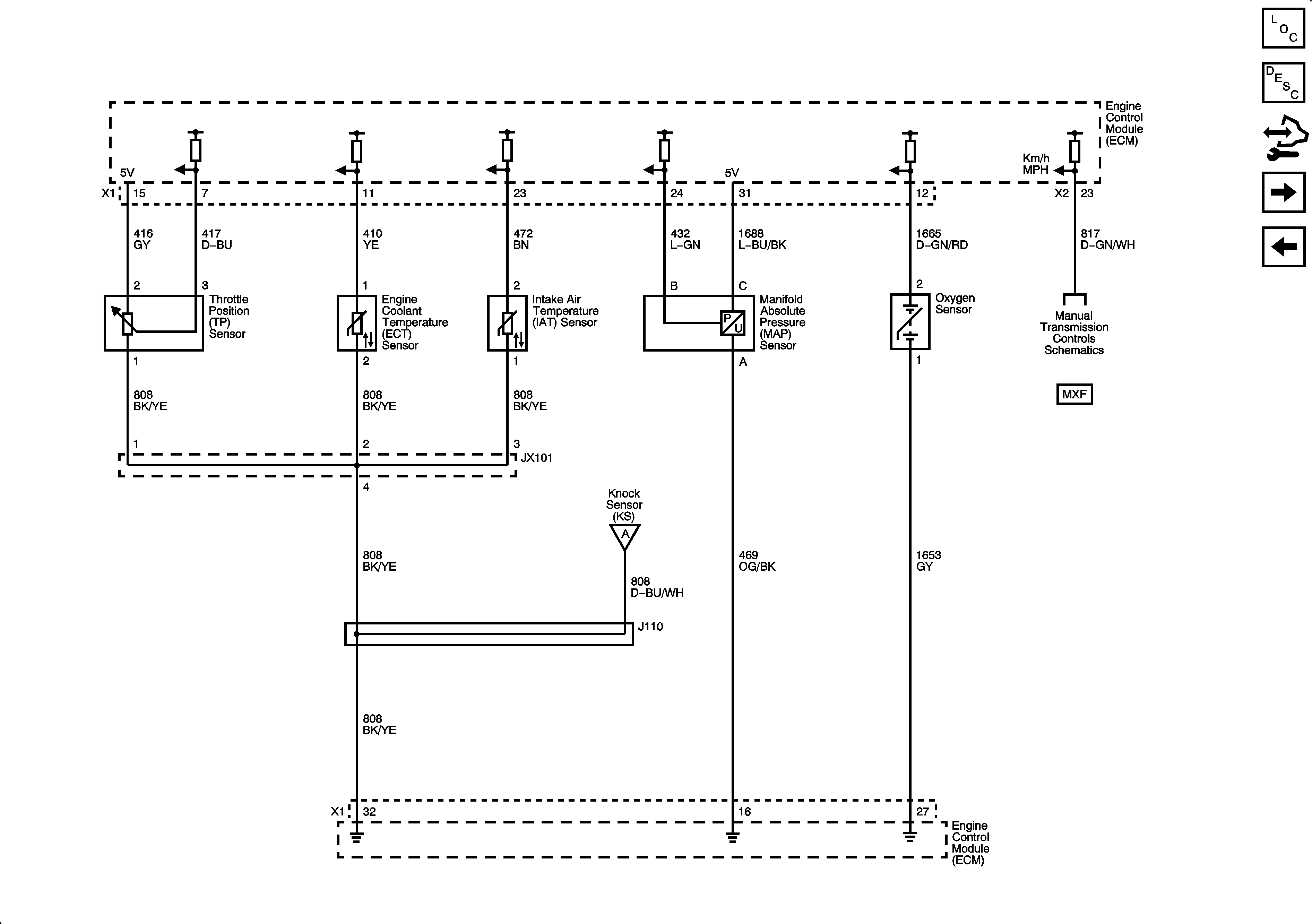
Figure 2:

TP, ECT, IAT, MAP, Oxygen Sensors (O2S)


Object Number: 2158946  Size: FS
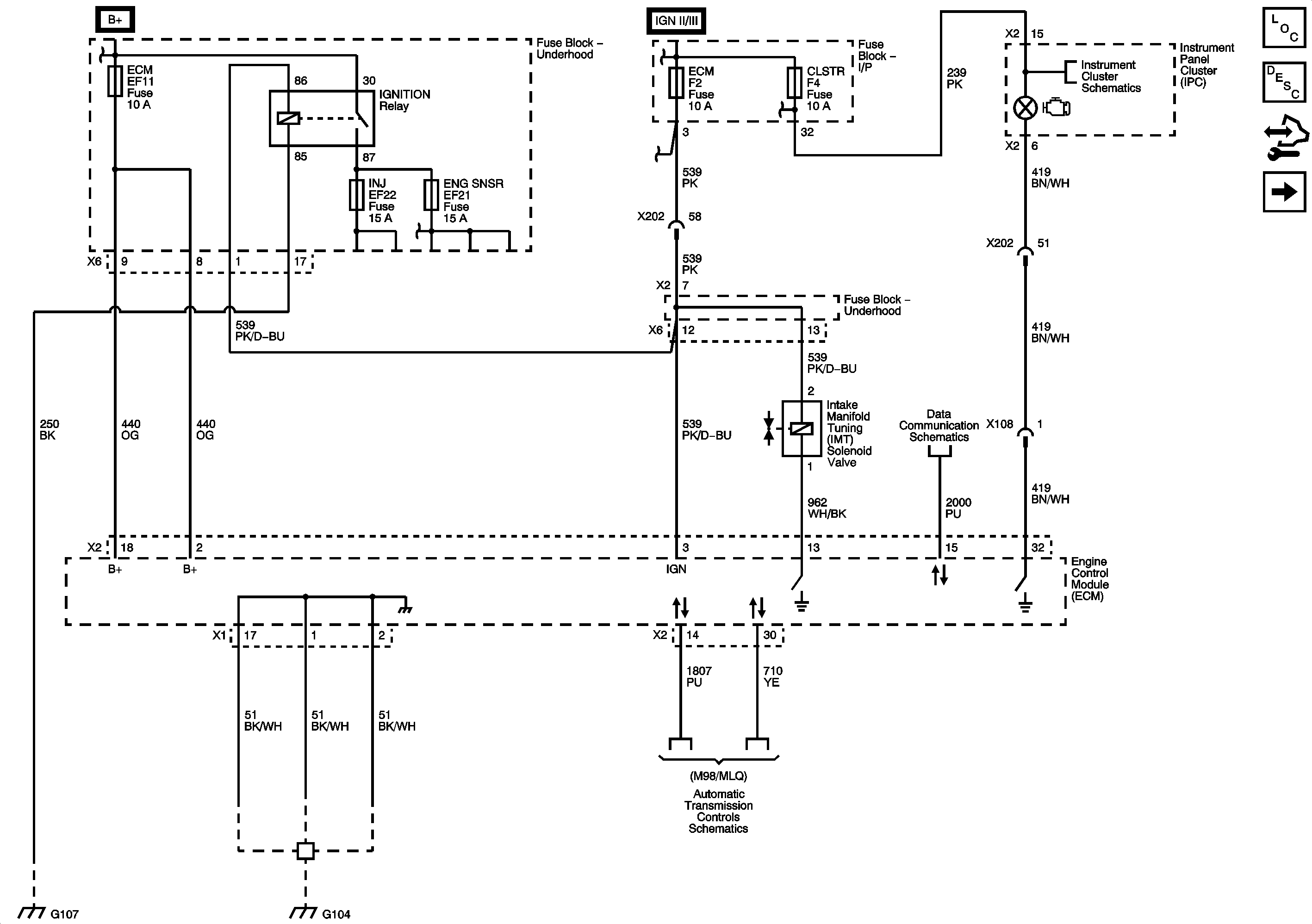
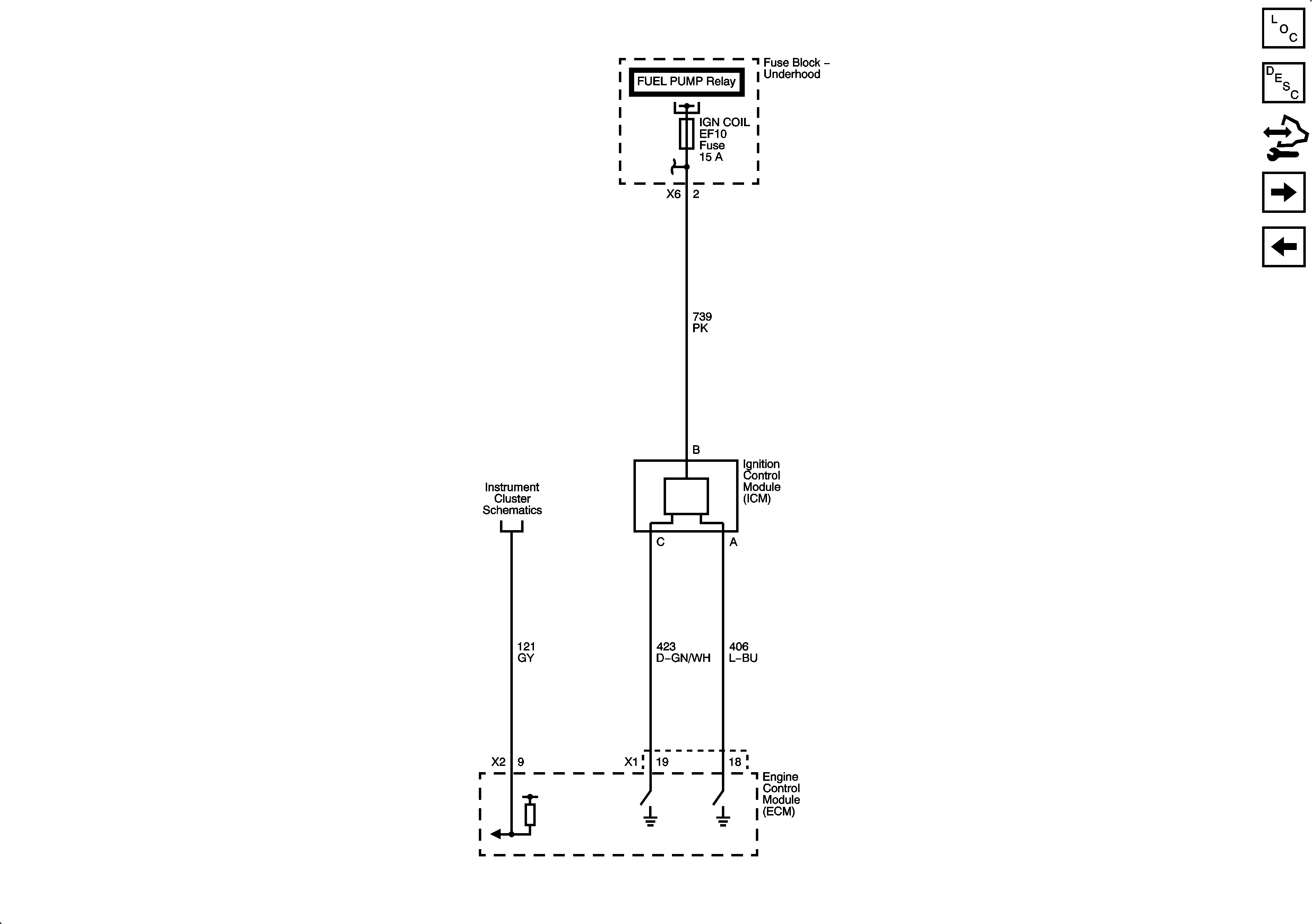
Figure 3:

Ignition System


Object Number: 2158947  Size: FS
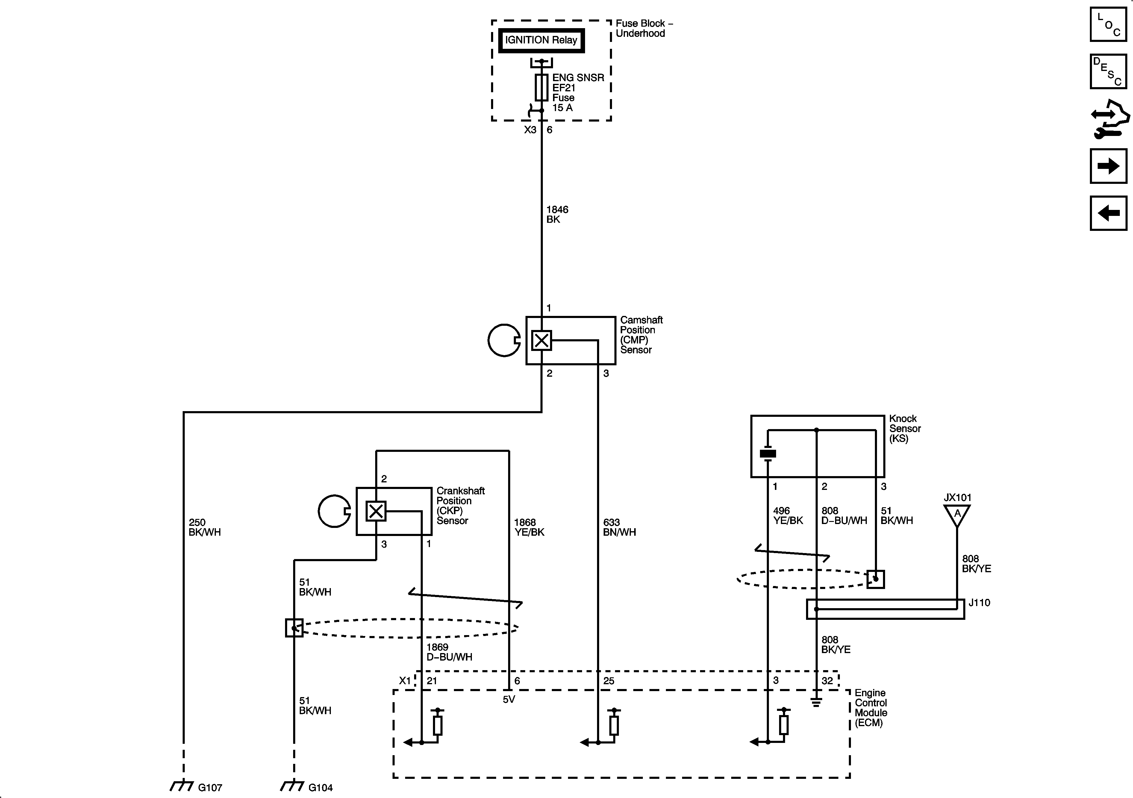
Figure 4:

CKP, CMP, Knock


Object Number: 2158949  Size: FS
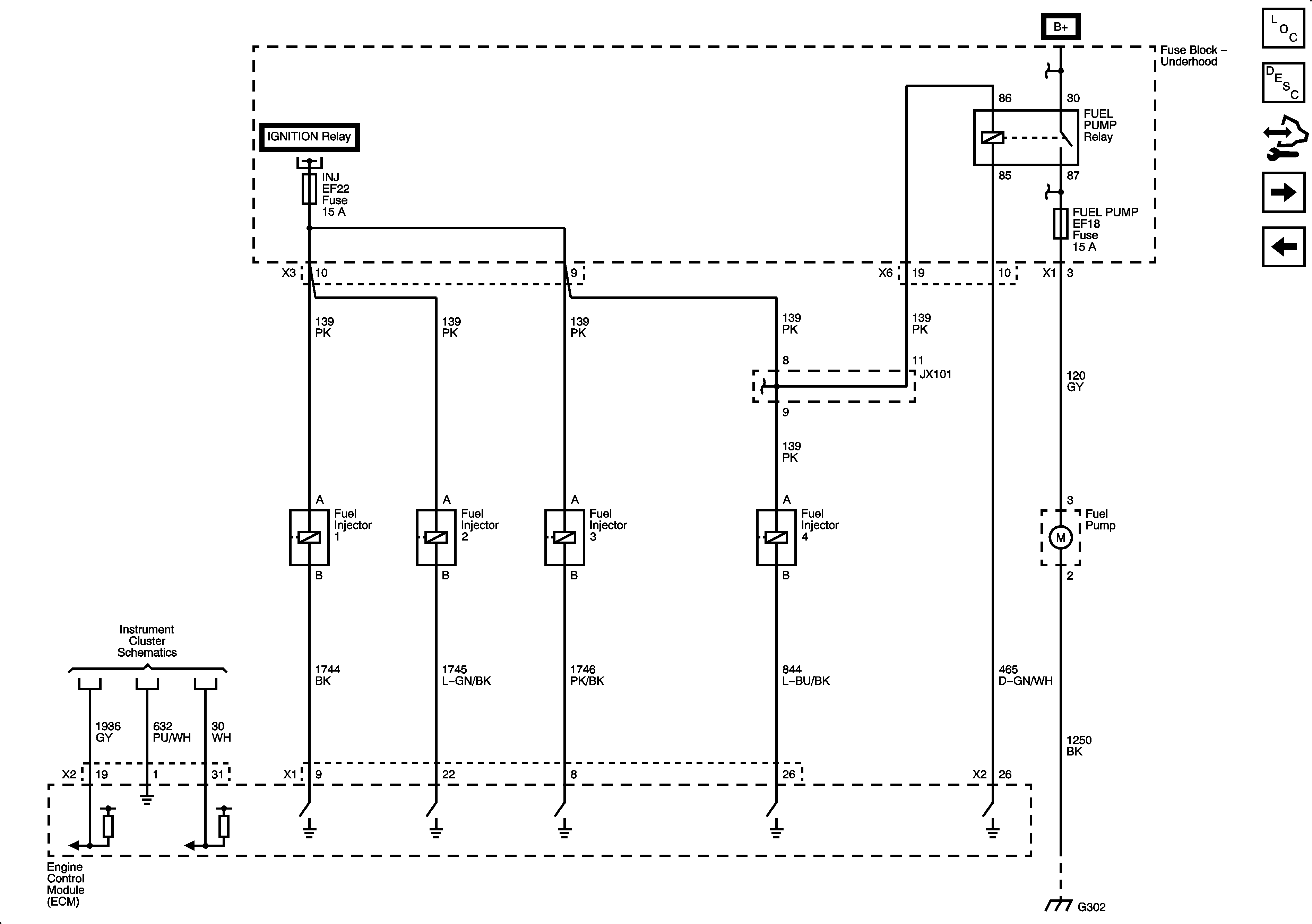
Figure 5:

Fuel Pump and Fuel Injectors


Object Number: 2158950  Size: FS
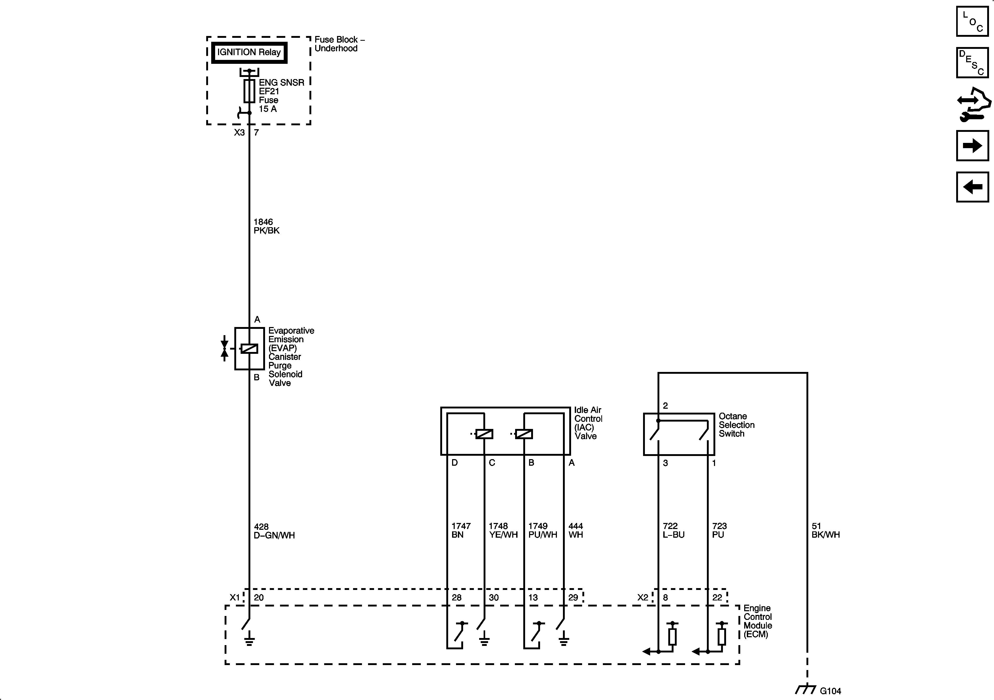
Figure 6:

EVAP, IAC, Octane Selection Switch


Object Number: 2158952  Size: FS
Figure 7:

Controlled/Monitored Subsystem References


Object Number: 2158955  Size: FS