GM Service Manual Online
For 1990-2009 cars only
Figure 1:

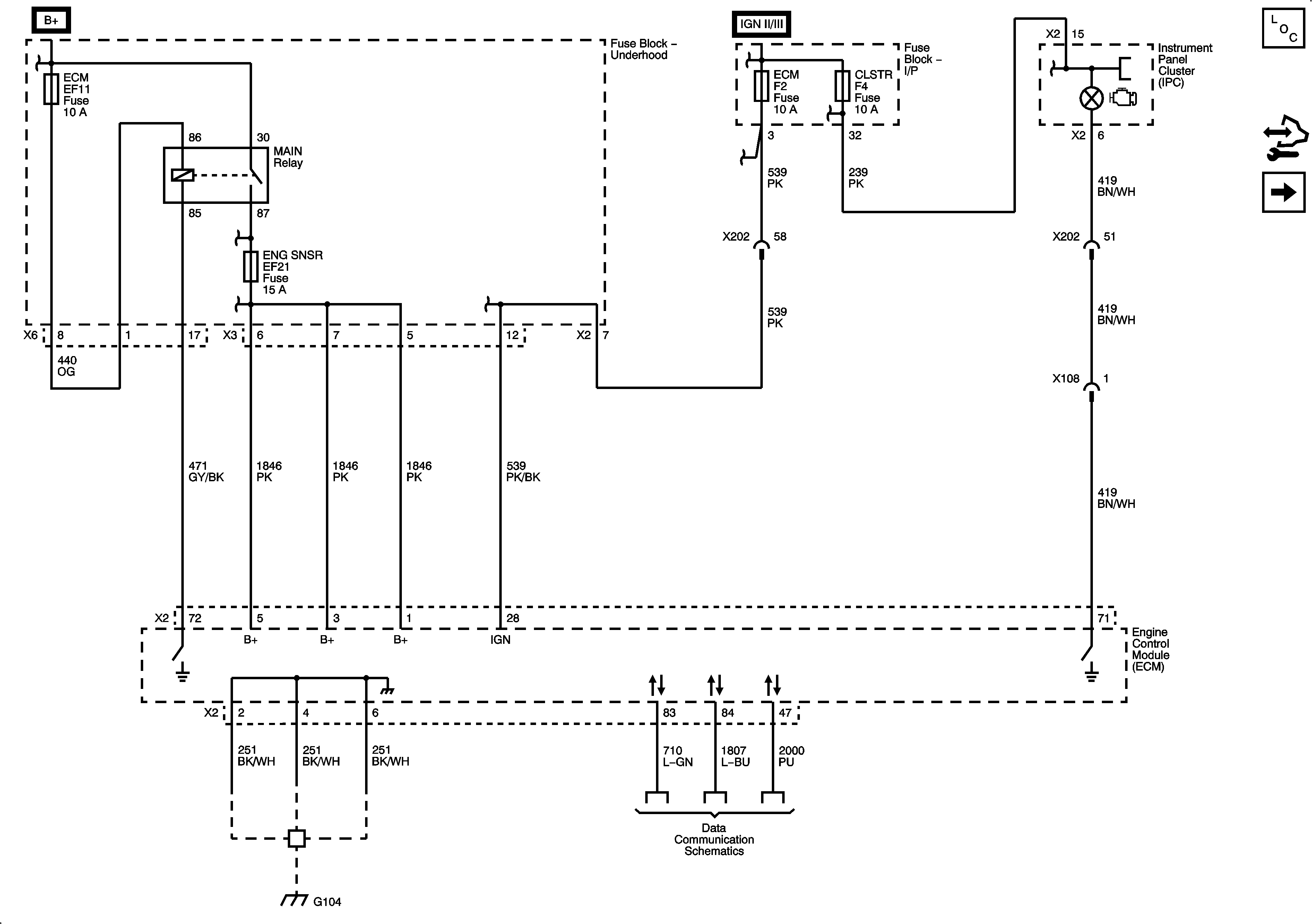
ECM Power and Ground, Serial Data, MIL Control


Object Number: 2158990  Size: FS
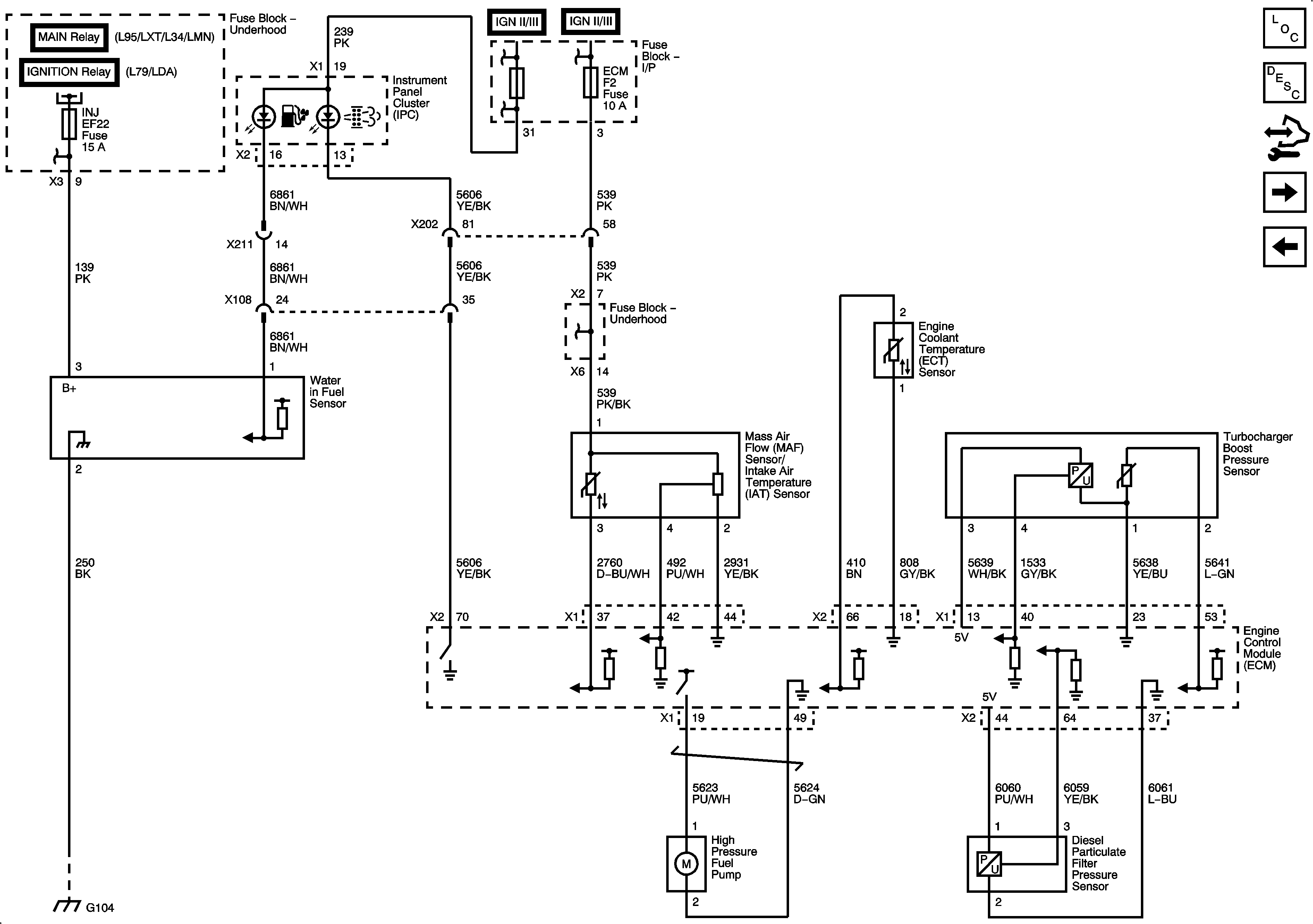
Figure 2:

Water in Fuel, MAF, IAT, ECT, Boost Pressure, Refrigerant Pressure Sensor, Fuel Injection Pump


Object Number: 2158991  Size: FS
Figure 3:

Throttle Plate Actuator, APP Sensor, EGR Valve, Exhaust Gas Temperature Sensors, Waste Gate Solenoid


Object Number: 2158993  Size: FS
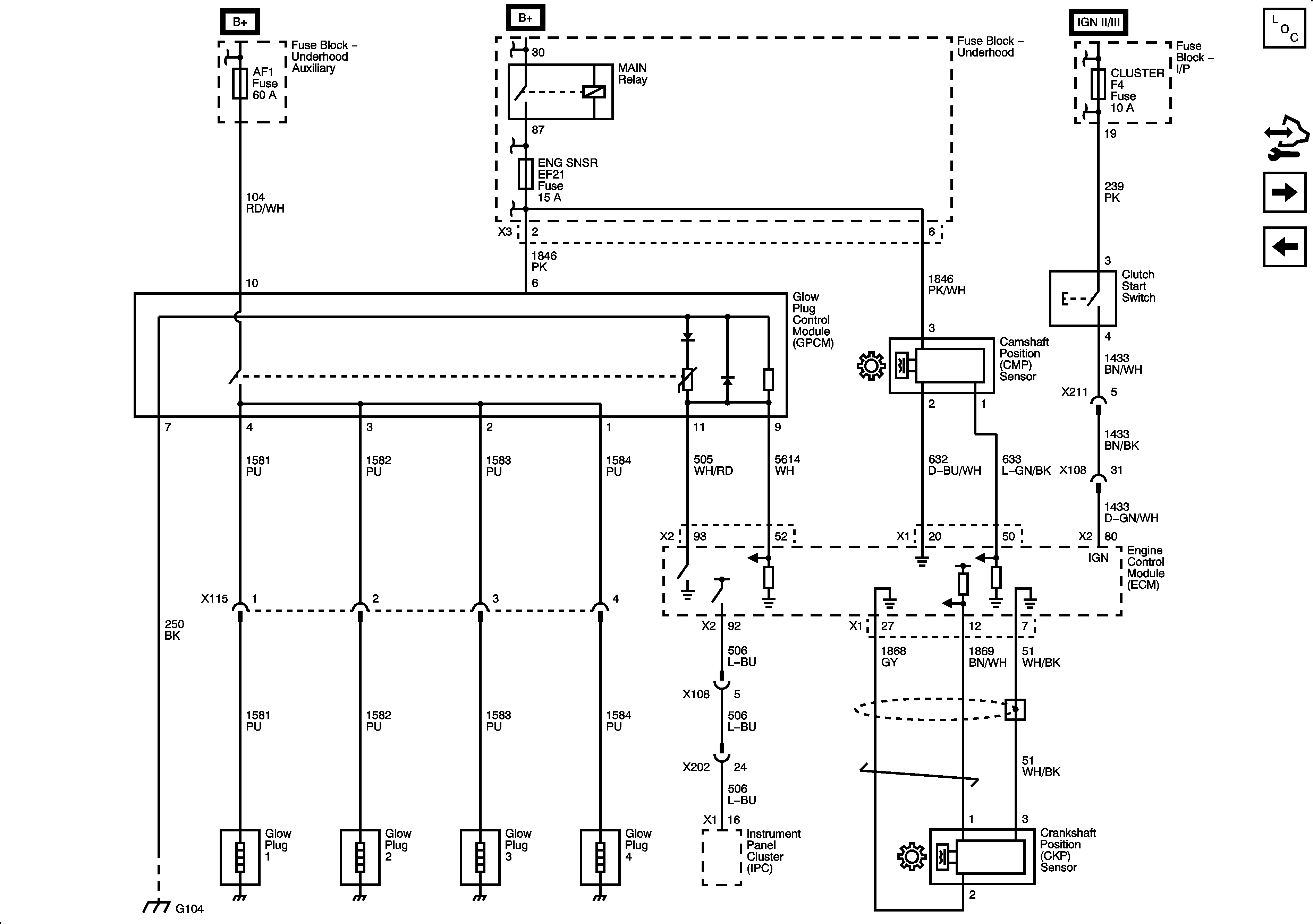
Figure 4:

Glow Plug Control, CKP, CMP Sensors, Clutch Start Switch


Object Number: 2159006  Size: FS
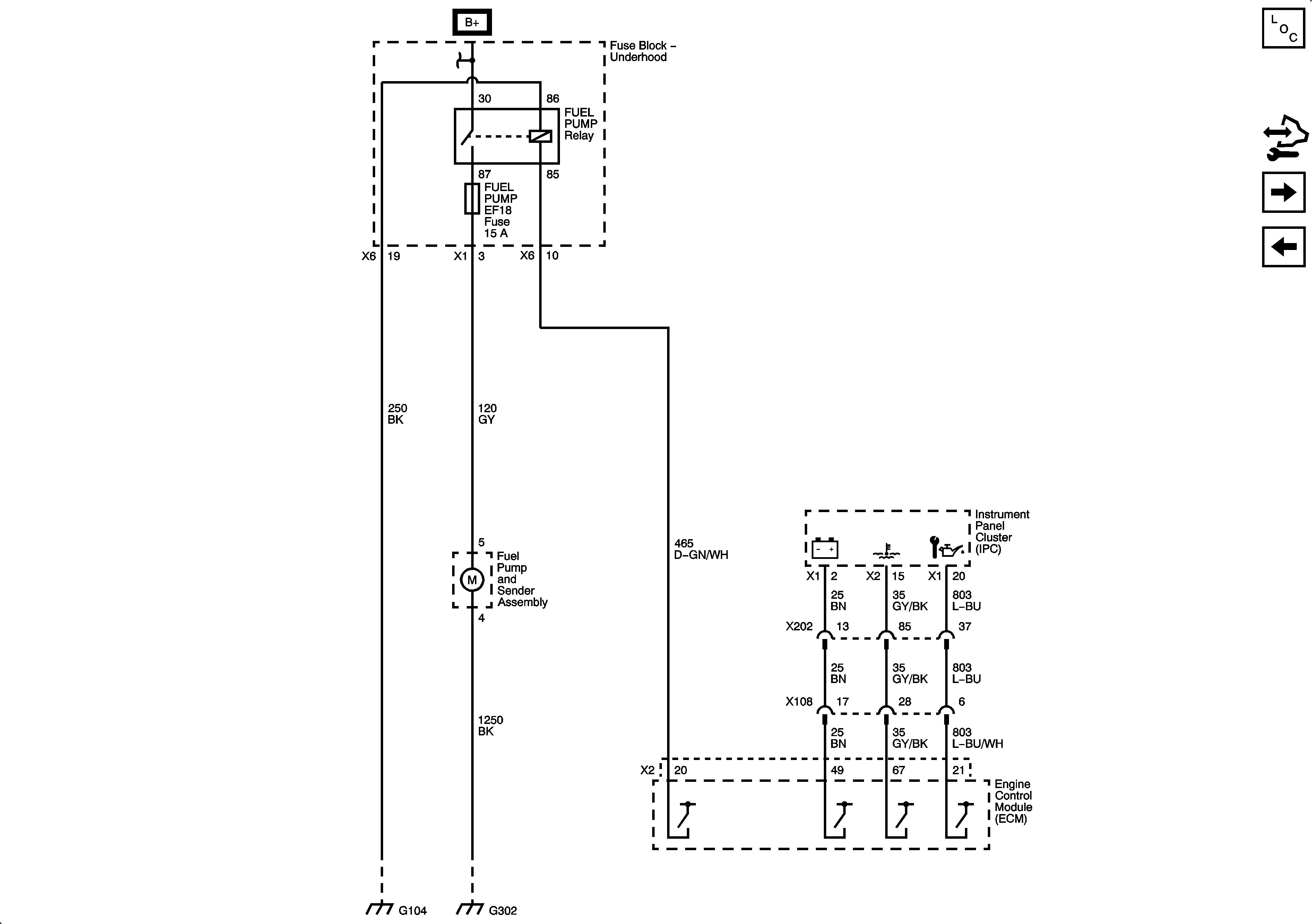
Figure 5:

Fuel Pump


Object Number: 2159010  Size: FS
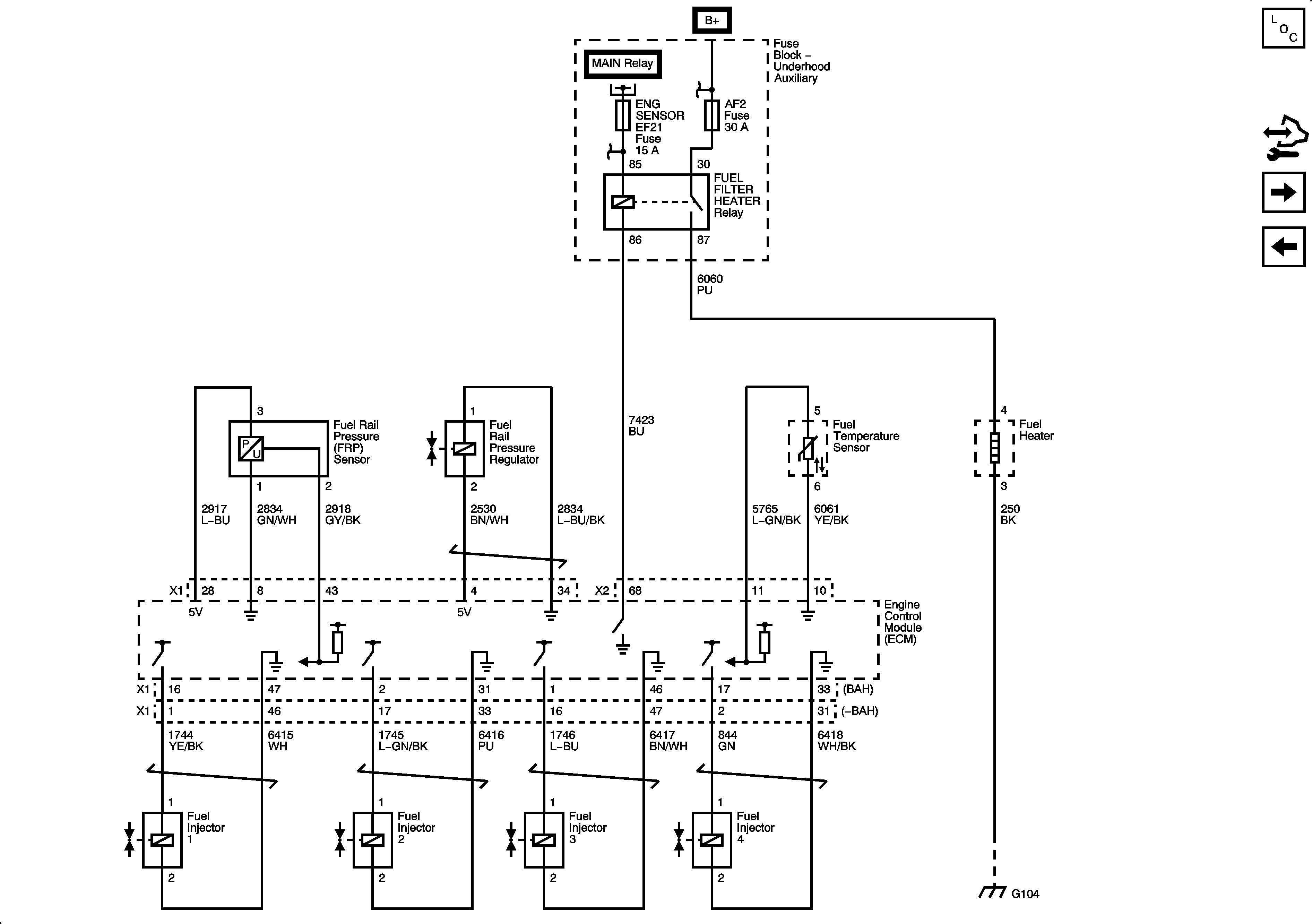
Figure 6:

Fuel Rail Pressure Sensor and Control Valve, Fuel Filter Heater/Temperature Sensor, Fuel Injectors


Object Number: 2159013  Size: FS
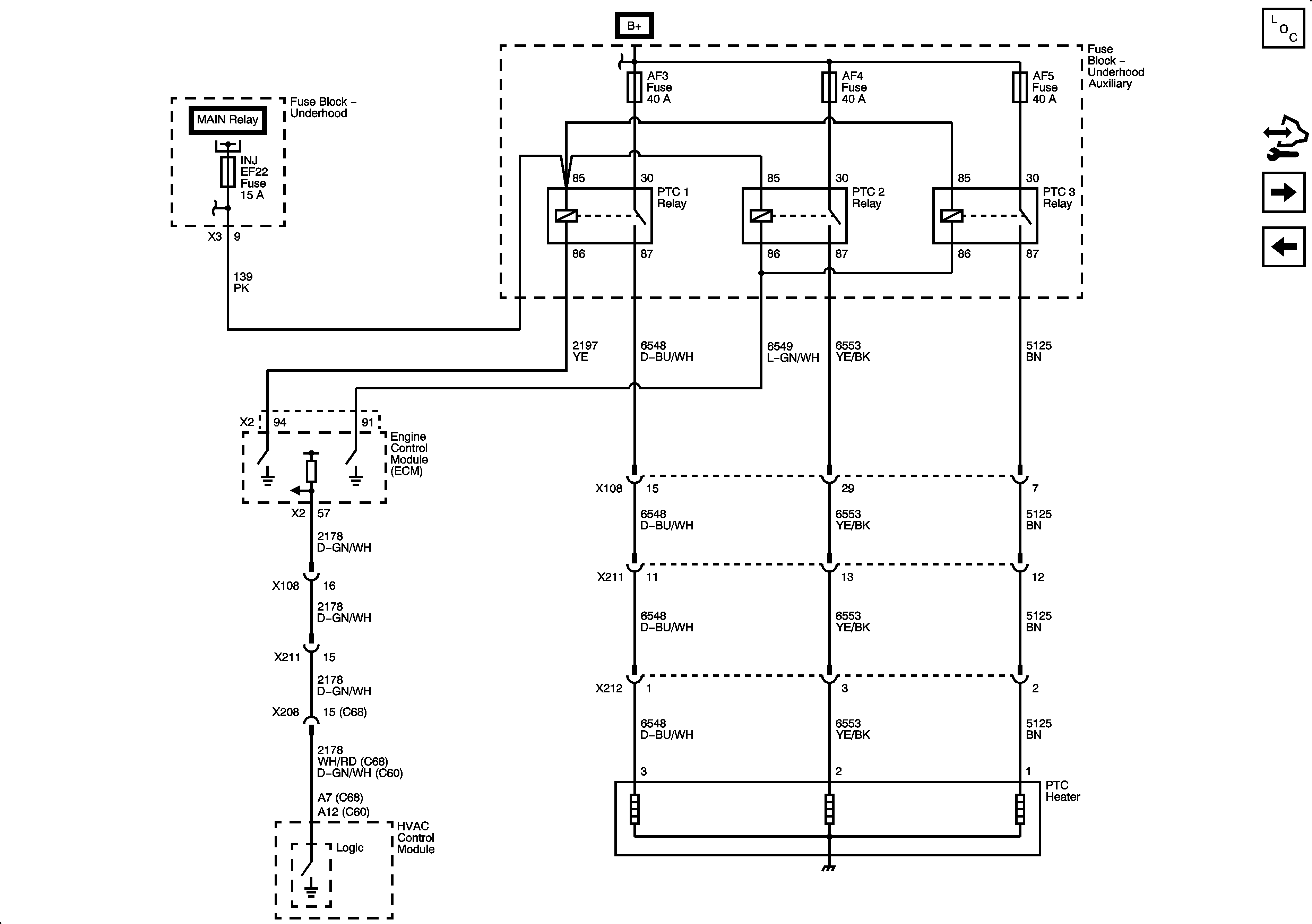
Figure 7:

PTC Heater


Object Number: 2159018  Size: FS
Figure 8:

Controlled/Monitored Subsystem References


Object Number: 2159024  Size: FS