GM Service Manual Online
For 1990-2009 cars only
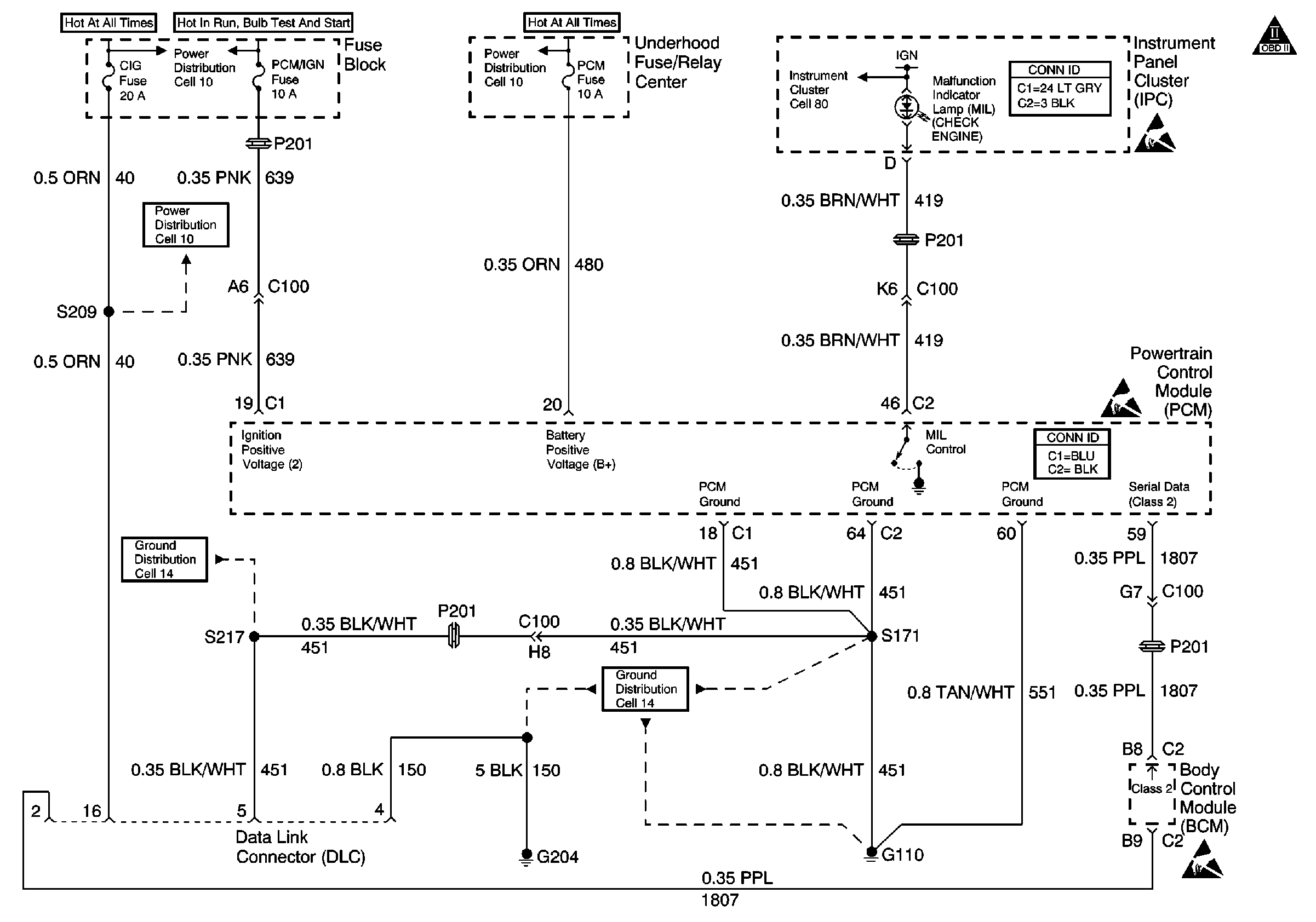
Figure 1:

Power, Ground, DLC and BCM


Object Number: 574156  Size: FS
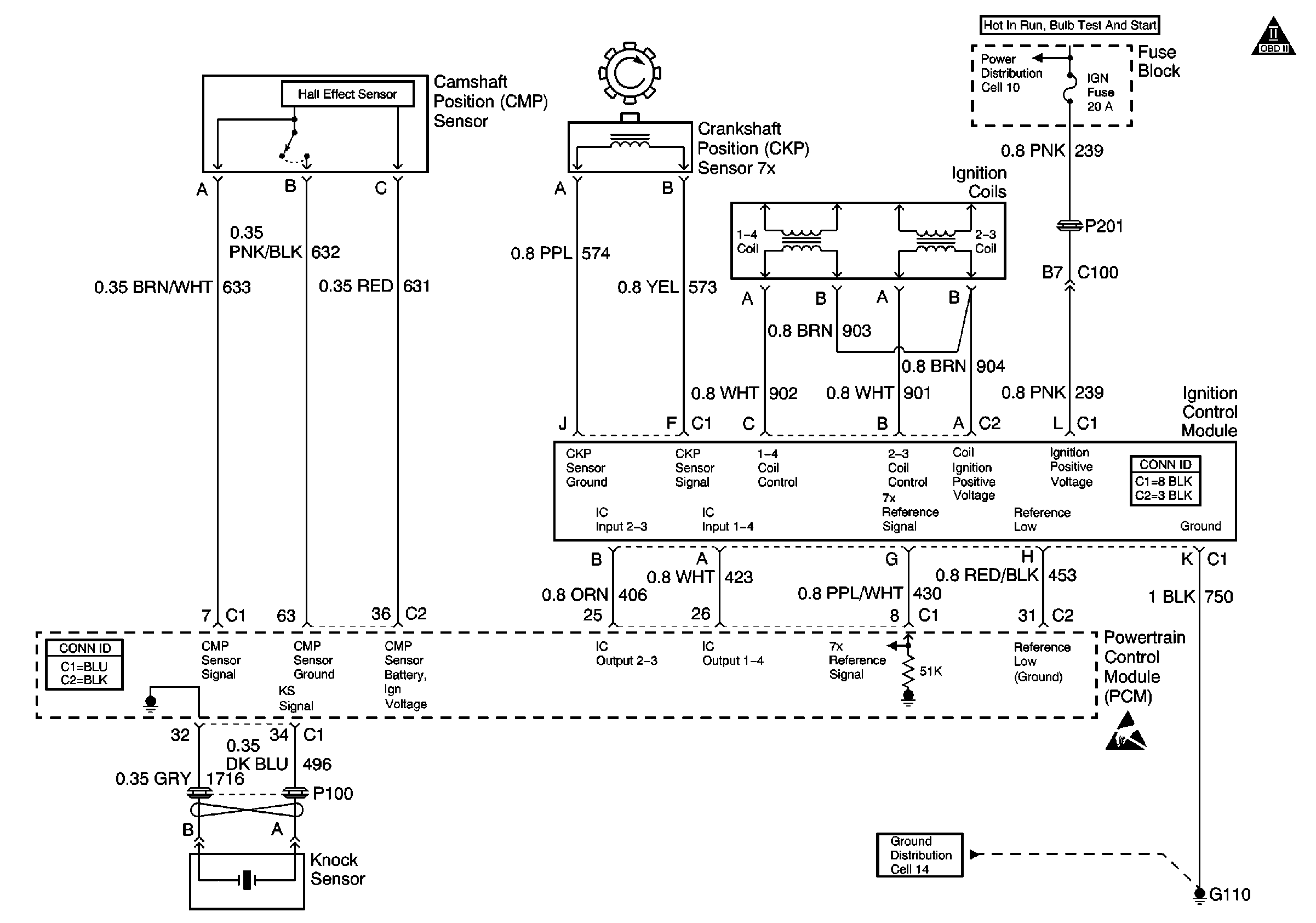
Figure 2:

Power, Ground, KS, CMP, CKP and Coils


Object Number: 574186  Size: FS
Figure 3:

Power, Ground and Engine Data Sensors


Object Number: 574189  Size: FS
Figure 4:

Power, Ground, and O2 Sensors


Object Number: 529062  Size: FS
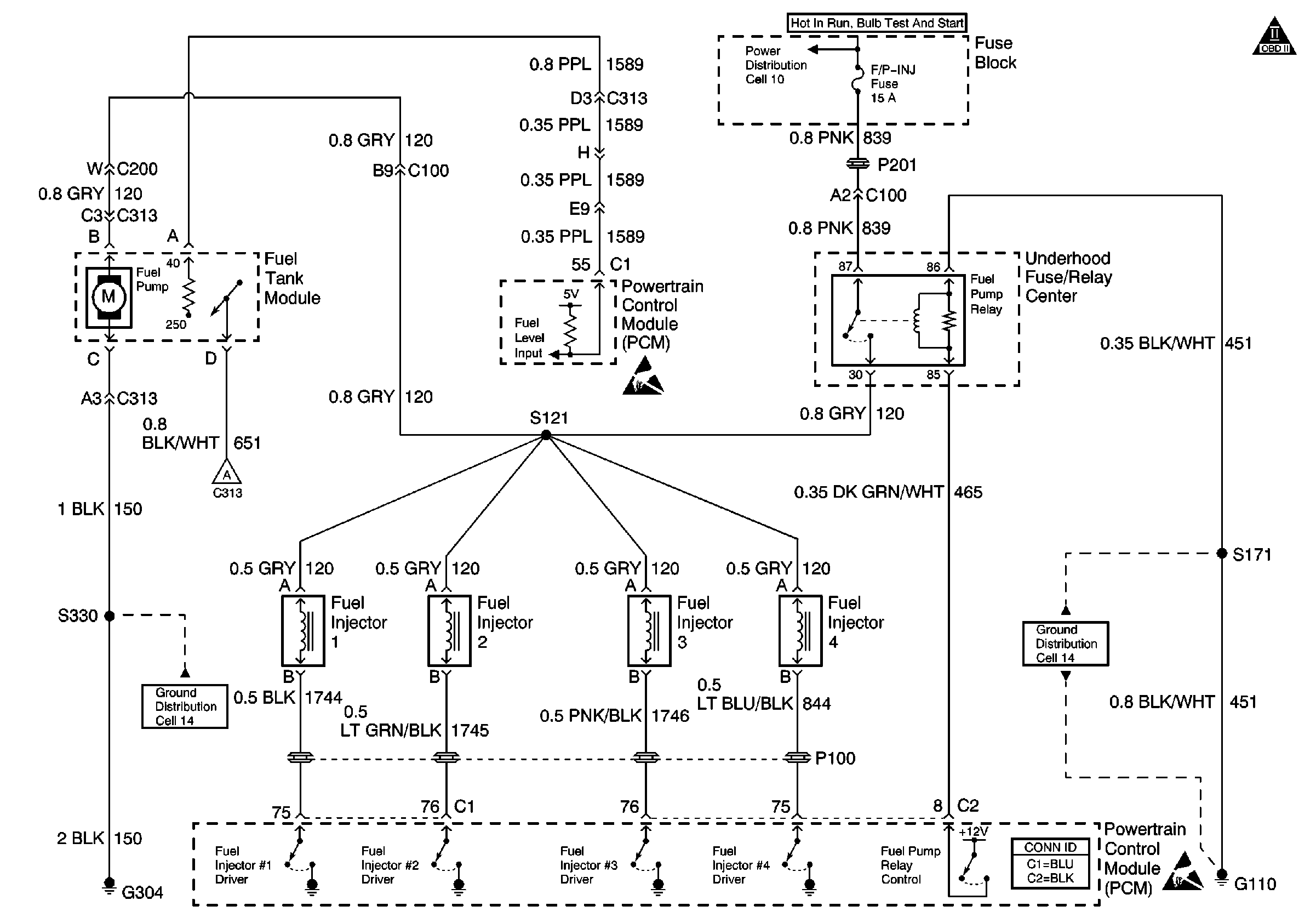
Figure 5:

Power, Ground, Injectors, and Fuel Pump


Object Number: 574192  Size: FS
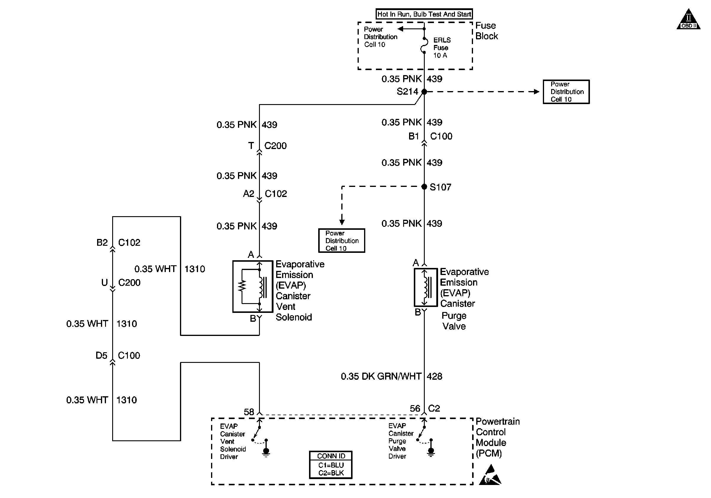
Figure 6:

Power, Ground and EVAP


Object Number: 574194  Size: FS
Instrument Cluster: Digital Schematics
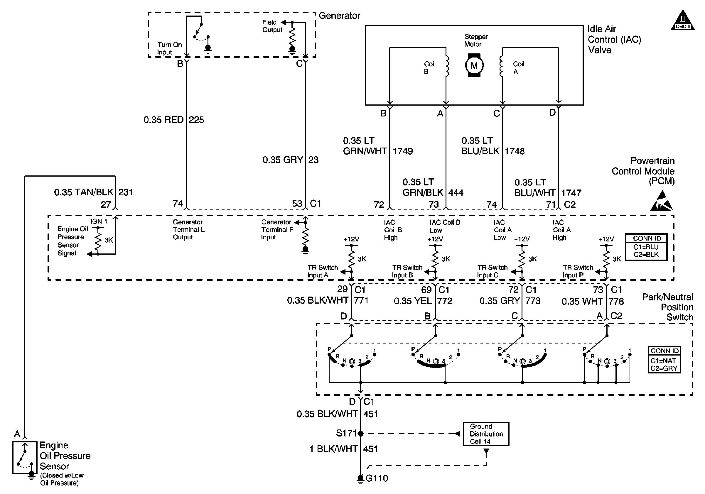
Figure 7:

Power, Ground, IAC, Generator and PNP Switch


Object Number: 574196  Size: FS
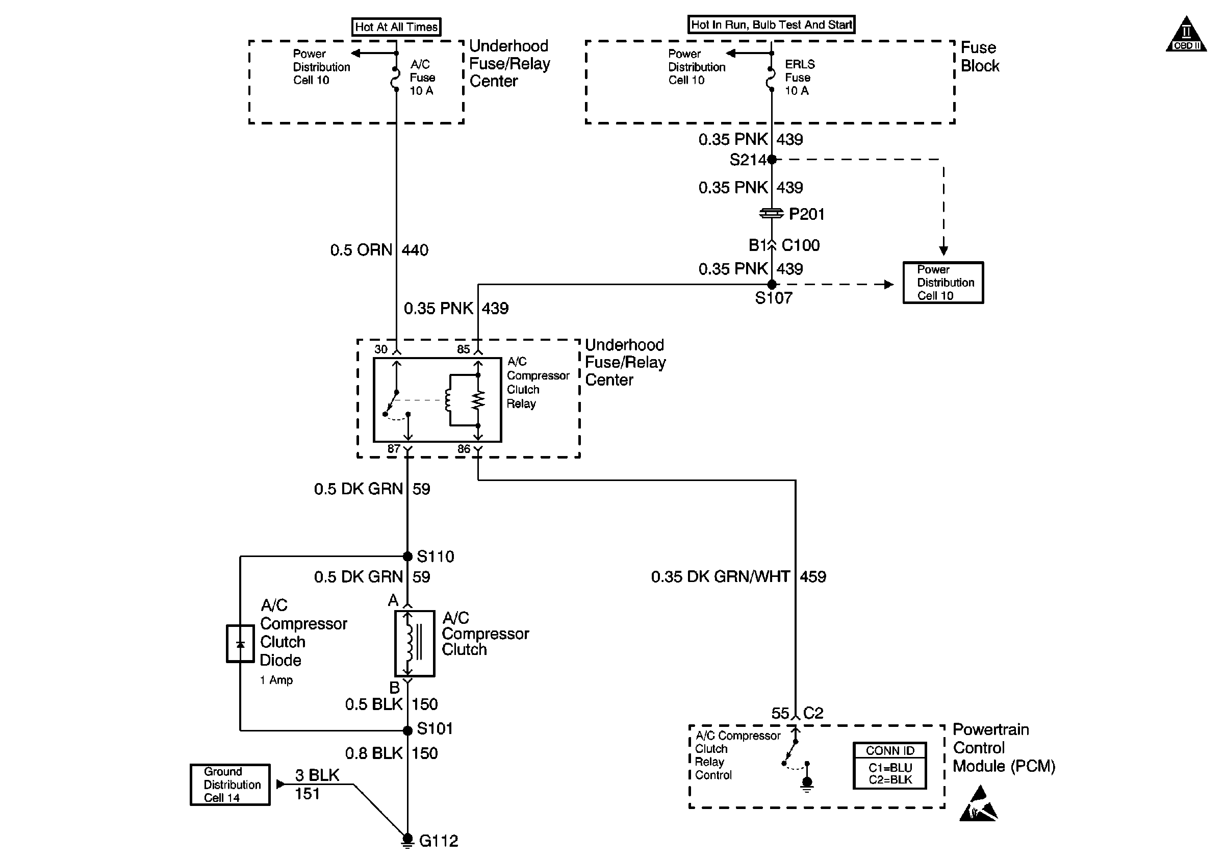
Figure 8:

Power, Ground and A/C Compressor Clutch


Object Number: 574203  Size: FS
Figure 9:

Automatic Transaxle


Object Number: 574207  Size: FS
Figure 10:

Power, Ground, Brake and Transmission


Object Number: 574208  Size: FS
Figure 11:

Power, Ground, VSS, EBCM and Cooling Fan Motor


Object Number: 574210  Size: FS