GM Service Manual Online
For 1990-2009 cars only

Removal Procedure

Important: Use the J 24319-B Universal Steering Linkage Puller in order to separate the tie rod ball studs.

Tools Required

J 24319-B Universal Steering Linkage Puller


    Object Number: 588097  Size: SH
  1. Raise the vehicle. Refer to Lifting and Jacking the Vehicle in General Information.
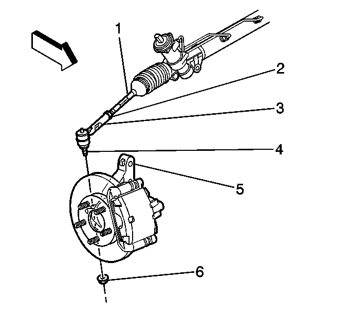
  2. Remove the nut (6) from the outer tie rod ball stud (4).

  3. Object Number: 337571  Size: SH
  4. Use the J 24319-B Universal Steering Linkage Puller in order to remove the outer tie rod ball stud from the steering knuckle.

  5. Object Number: 588097  Size: SH
  6. Remove the tie rod end (3) from the shaft (1) by loosening the jam nut (2).
  7. Do not reuse the nut.

  8. Inspect the shaft (1) for bending or damaged threads.
  9. Clean the tapered surface of the steering knuckle (5).

Installation Procedure


    Object Number: 588097  Size: SH
  1. Lubricate the tie rod threads with chassis lubricant.
  2. Install the tie rod end (3) to the shaft (1).
  3. Install the outer tie rod ball stud (4) to the steering knuckle (5).
  4. Notice: Use the correct fastener in the correct location. Replacement fasteners must be the correct part number for that application. Fasteners requiring replacement or fasteners requiring the use of thread locking compound or sealant are identified in the service procedure. Do not use paints, lubricants, or corrosion inhibitors on fasteners or fastener joint surfaces unless specified. These coatings affect fastener torque and joint clamping force and may damage the fastener. Use the correct tightening sequence and specifications when installing fasteners in order to avoid damage to parts and systems.

  5. Install the new prevailing torque nut (6) to the outer tie rod ball stud (4).
  6. Tighten
    Tighten the new prevailing torque nut to 45 N·m (33 lb ft).

  7. Adjust the front toe. Refer to Measuring Wheel Alignment (Front) in Wheel Alignment.
  8. Tighten the jam nut (2).
  9. Tighten
    Tighten the jam nut to 68 N·m (50 lb ft).