GM Service Manual Online
For 1990-2009 cars only
Makes
🢒
Chevrolet
🢒
2000
🢒
PJJ
🢒
Body and Accessories
🢒
Data Link Communications
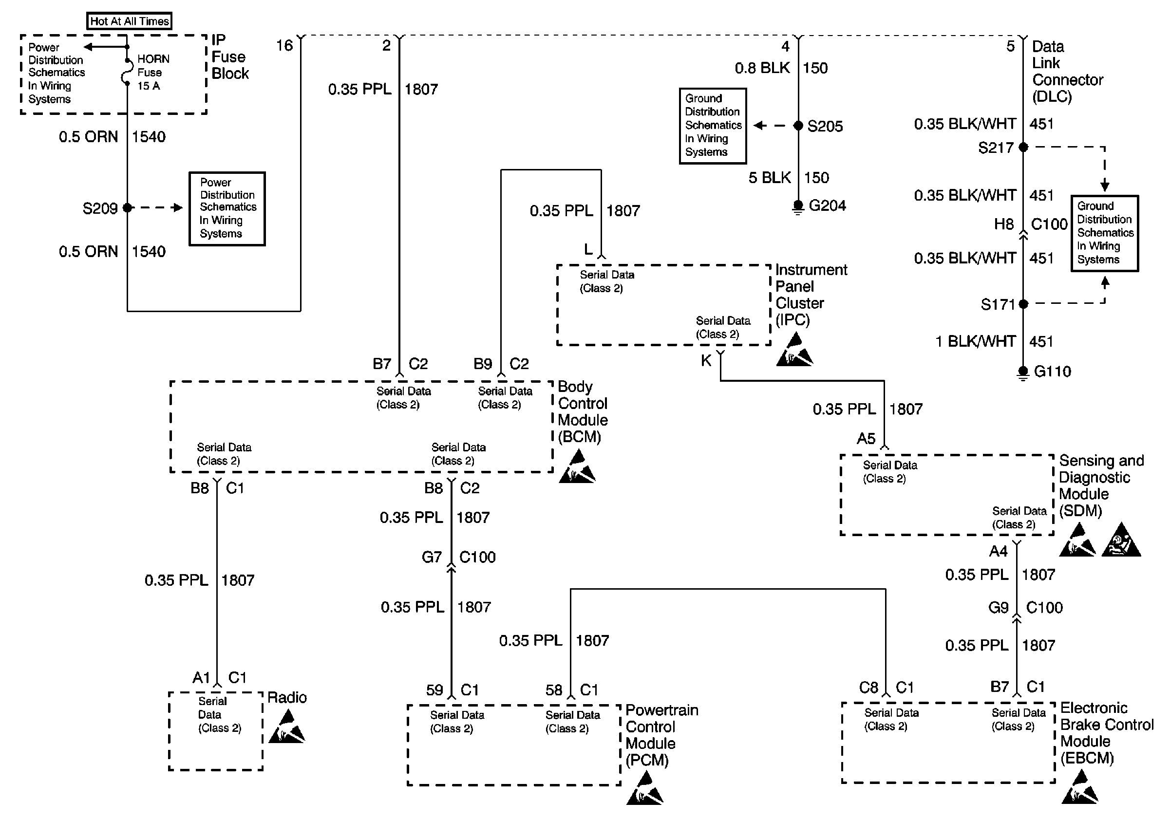
🢒 Data Link Connector Schematics
Class 2 Serial Data Circuits