GM Service Manual Online
For 1990-2009 cars only
Makes
🢒
Chevrolet
🢒
2000
🢒
PJJ
🢒
Body and Accessories
🢒
Lighting Systems
🢒 Interior Lights Schematics
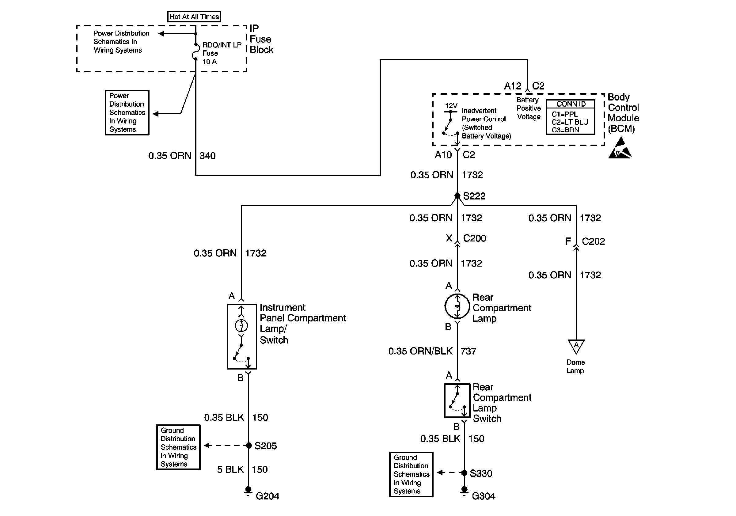
Figure
1:
BCM, Rear Compartment Lamp and Instrument Panel Compartment Lamp/Switch
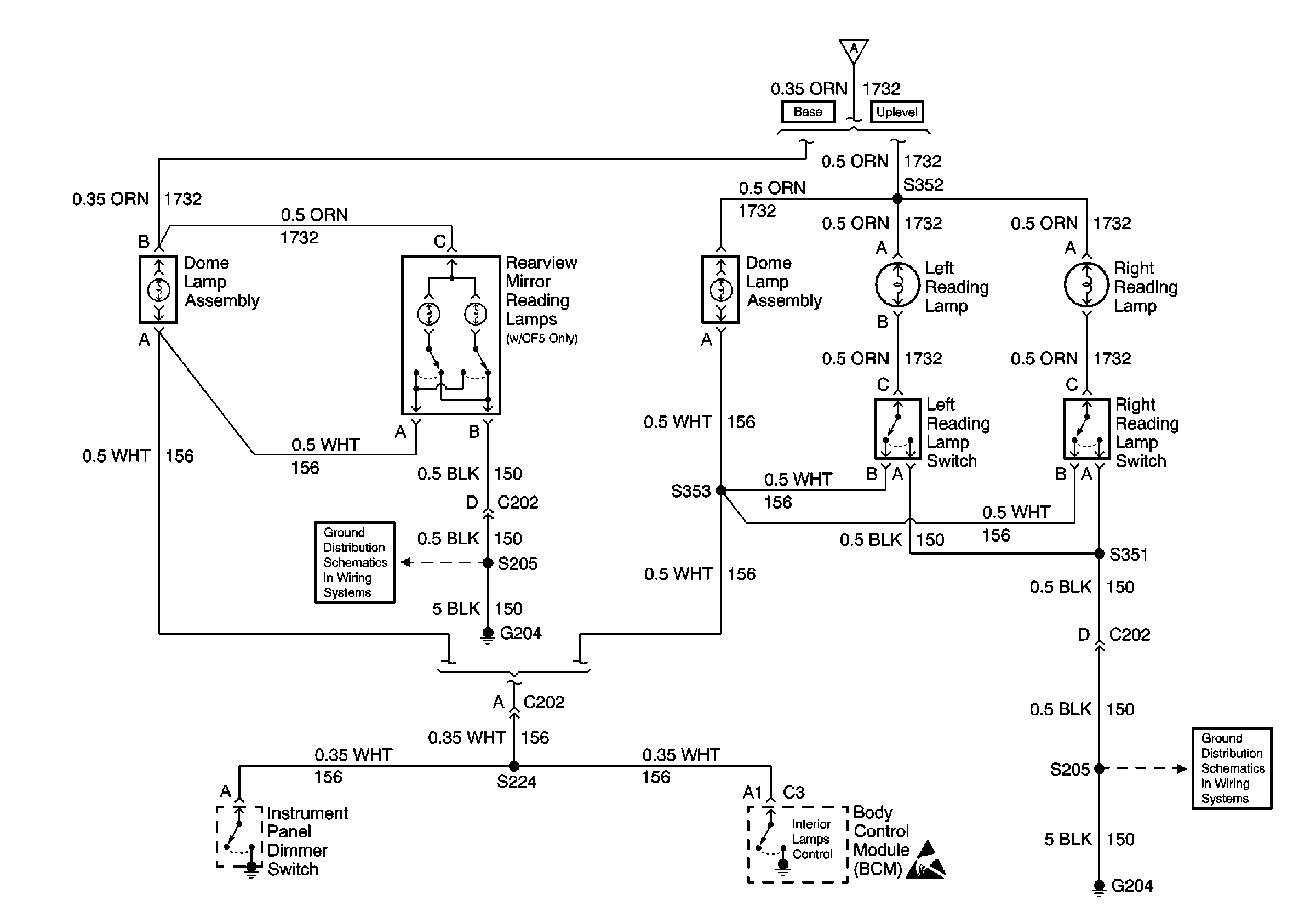
Figure
2:
Dome Lamps, Courtesy Lamps, and Rearview Mirror Lamps