GM Service Manual Online
For 1990-2009 cars only

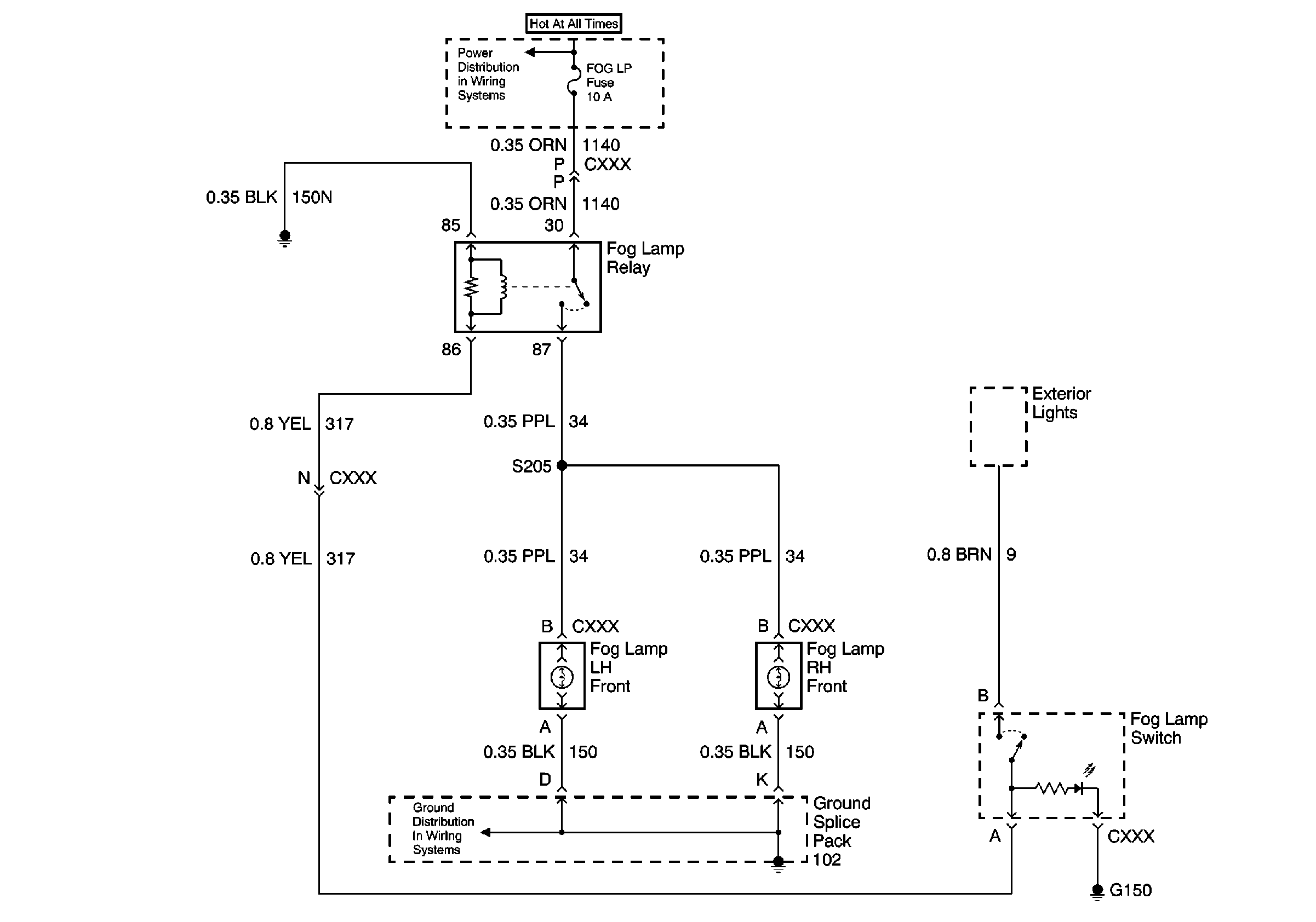
Fog Lamps


Object Number: 574510  Size: FS