GM Service Manual Online
For 1990-2009 cars only
Figure 1:

G102


Object Number: 574060  Size: FS
Figure 2:

G103 and G___


Object Number: 574107  Size: FS
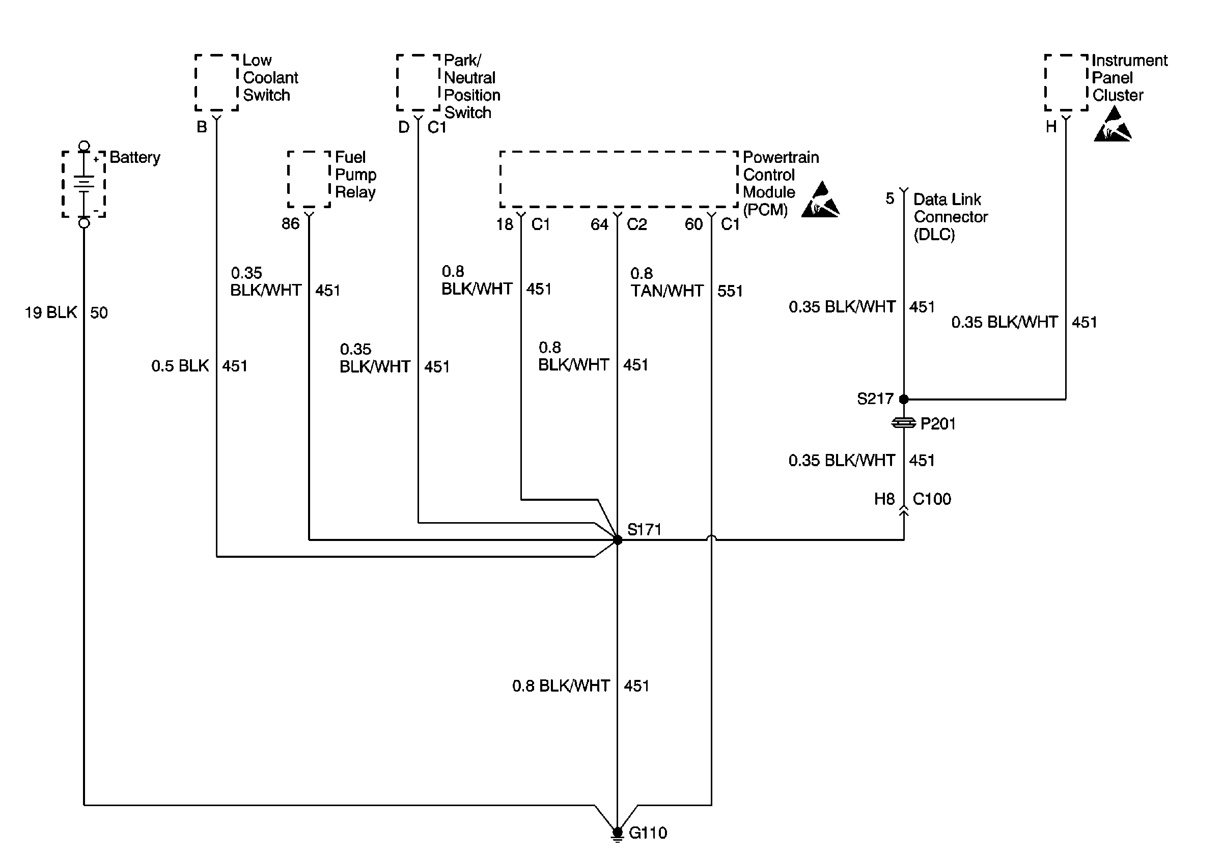
Figure 3:

G110


Object Number: 574063  Size: FS
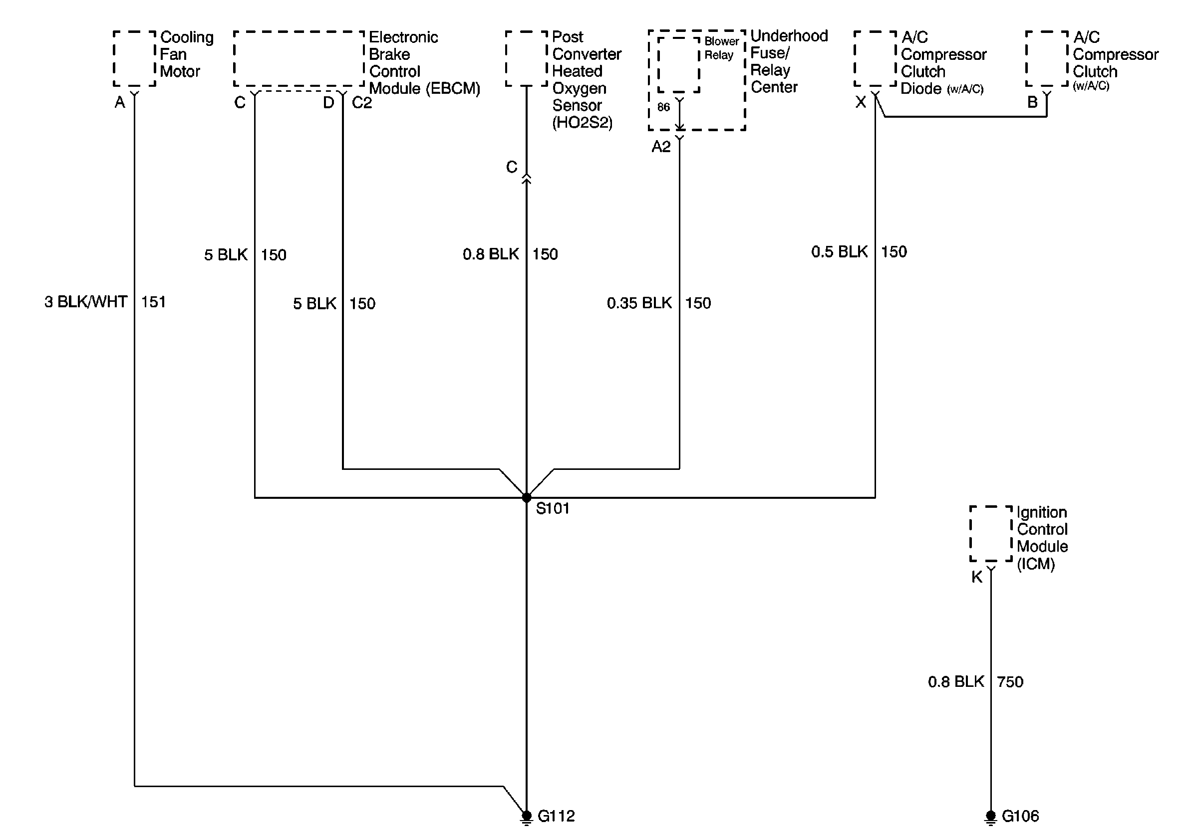
Figure 4:

G112


Object Number: 574085  Size: FS
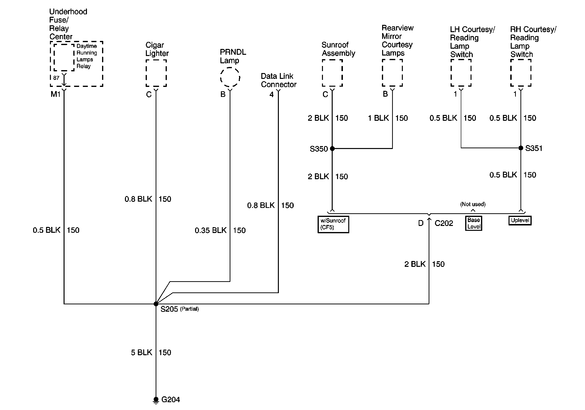
Figure 5:

G204


Object Number: 574101  Size: FS
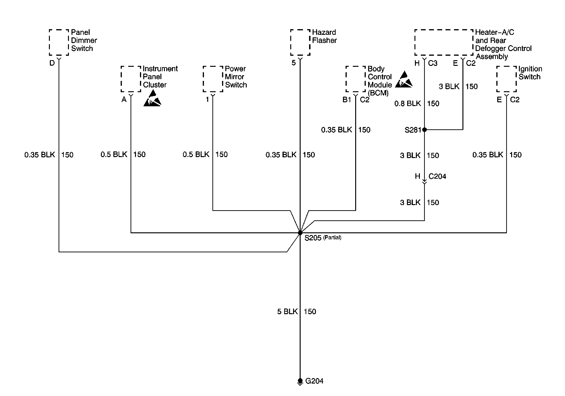
Figure 6:

G204


Object Number: 574104  Size: FS
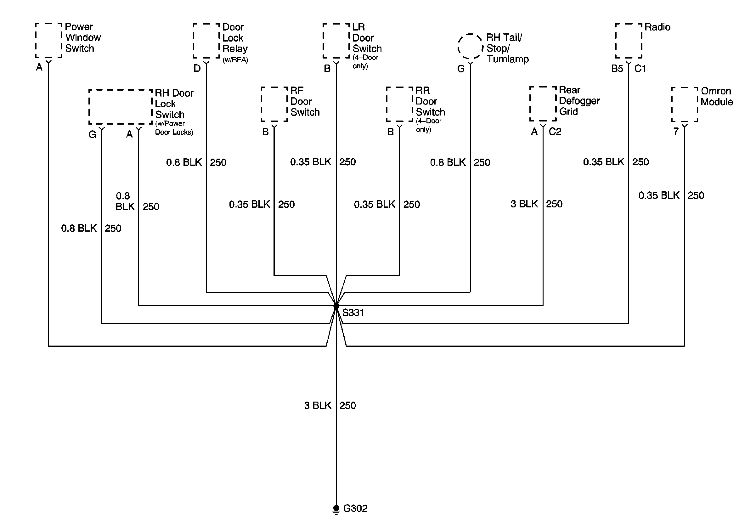
Figure 7:

G302


Object Number: 574109  Size: FS
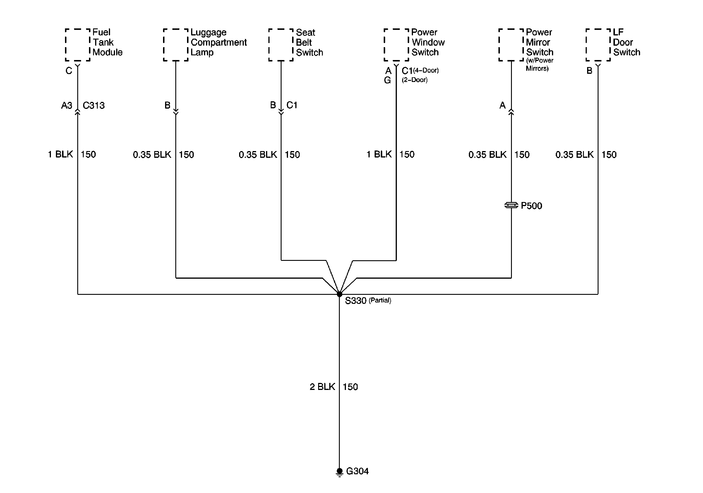
Figure 8:

G304 and G___


Object Number: 574112  Size: FS
Figure 9:

G304


Object Number: 574115  Size: FS