GM Service Manual Online
For 1990-2009 cars only
Figure 1:

Powers, Grounds and Class 2 Data Lines


Object Number: 572471  Size: FS
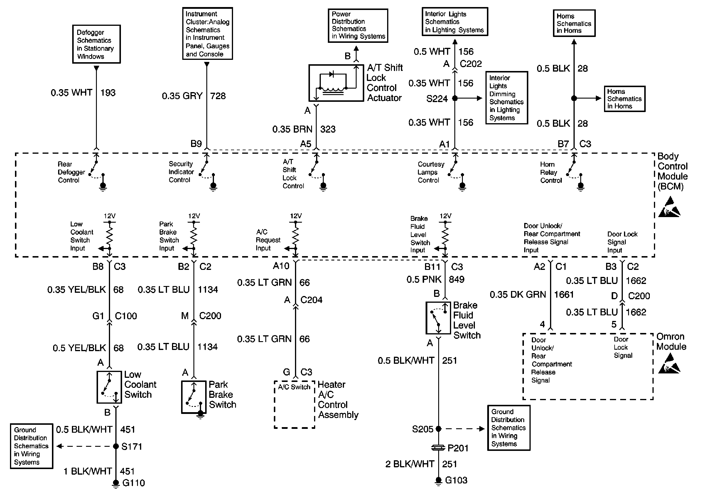
Figure 2:

Park Brake Switch, Low Coolant Switch, Brake Fluid Level Switch and Omron Module


Object Number: 572473  Size: FS
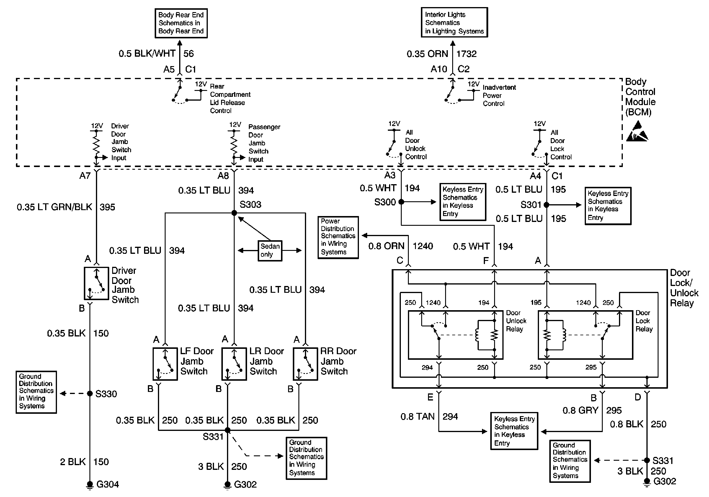
Figure 3:

Door Jamb Switches and Door Lock/Unlock Relay


Object Number: 572475  Size: FS
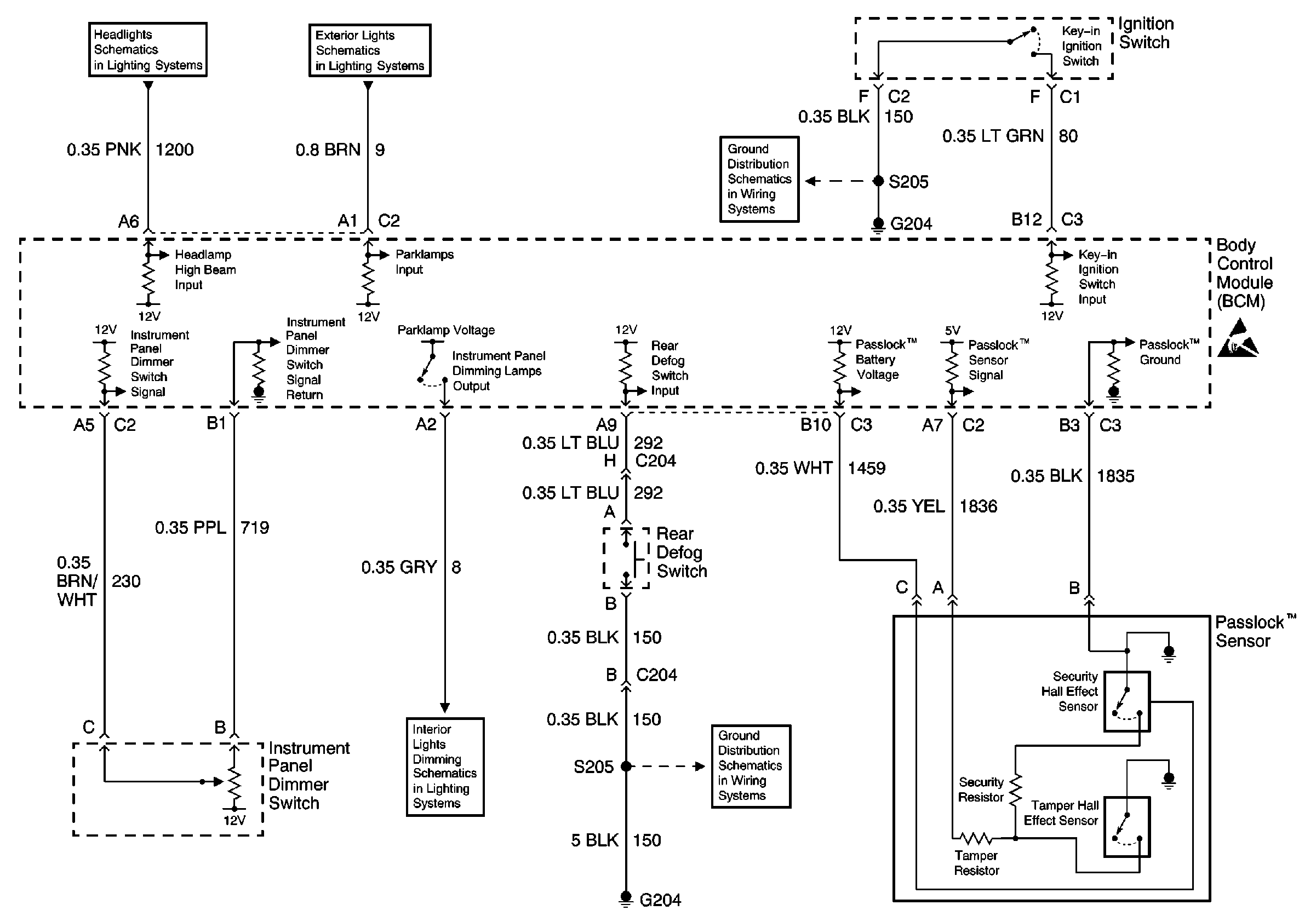
Figure 4:

Passlock Sensorâ„¢, Instrument Panel Dimmer Switch and Ignition Switch


Object Number: 572477  Size: FS