GM Service Manual Online
For 1990-2009 cars only
Makes
🢒
Chevrolet
🢒
2000
🢒
PJJ
🢒
Body and Accessories
🢒
Keyless Entry
🢒 Keyless Entry Schematics
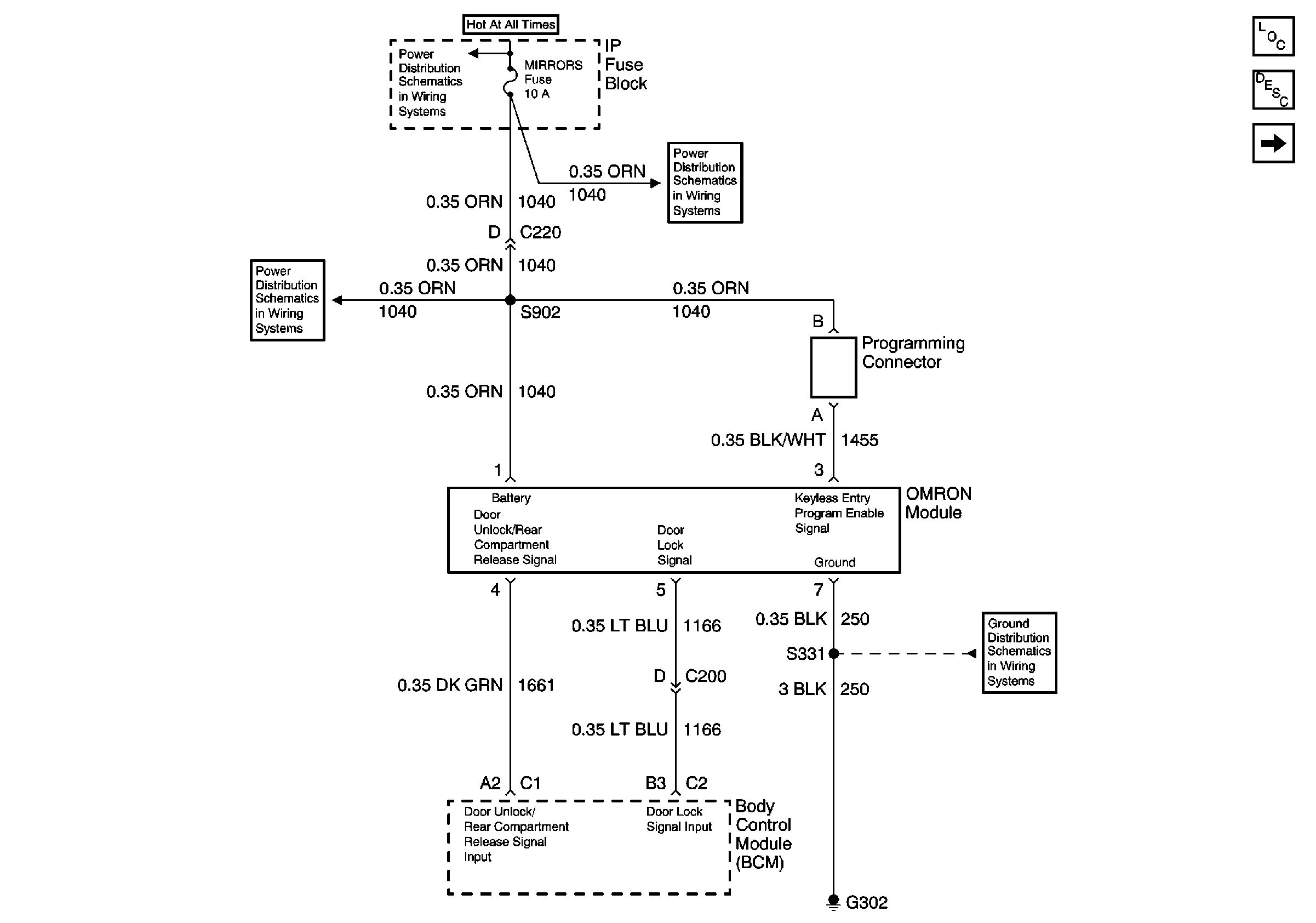
Figure
1:
Omron Module
Door Lock/Unlock Relay
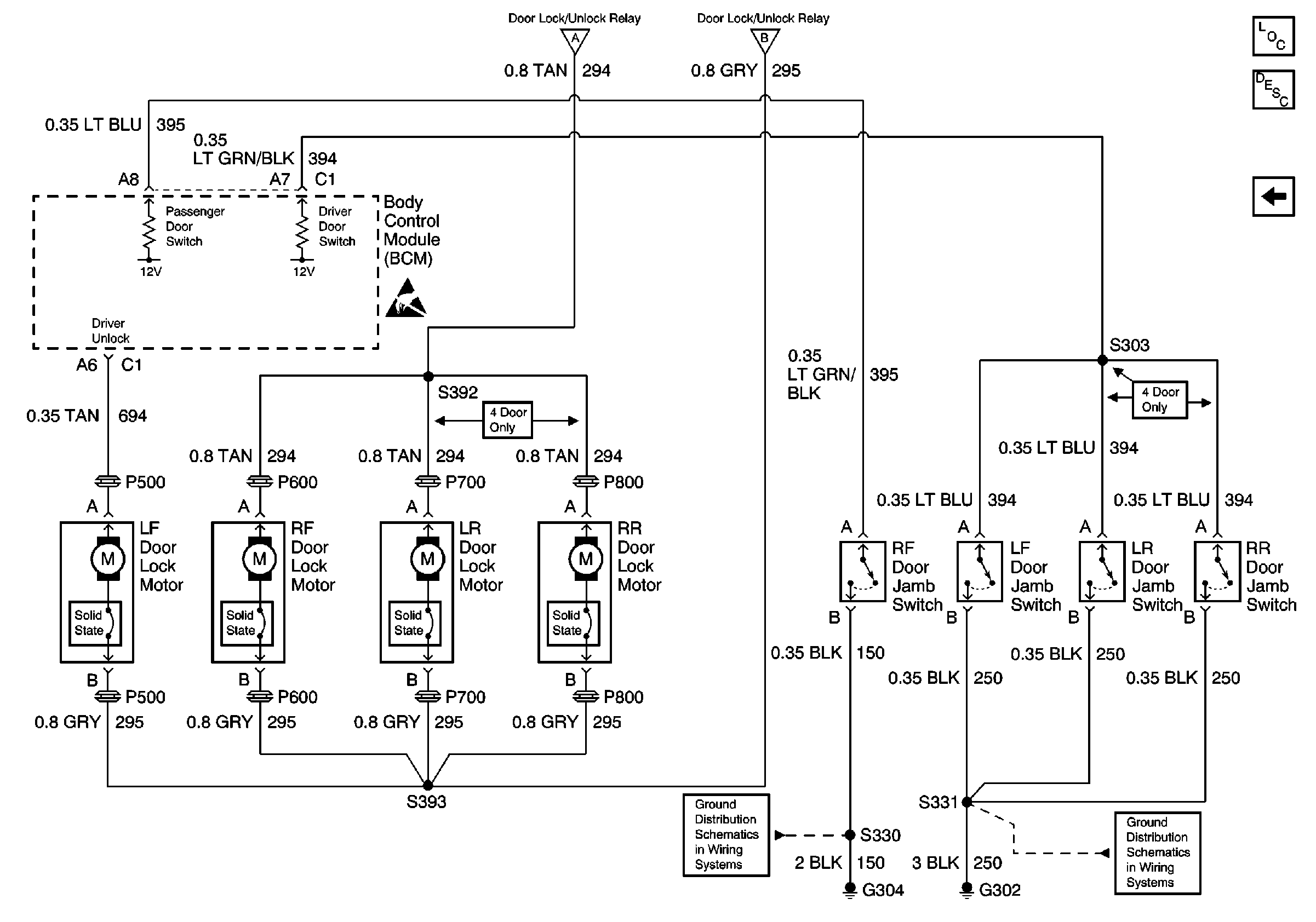
Figure
2:
Door Lock/Unlock Relay
Omron Module
Door Lock Motors
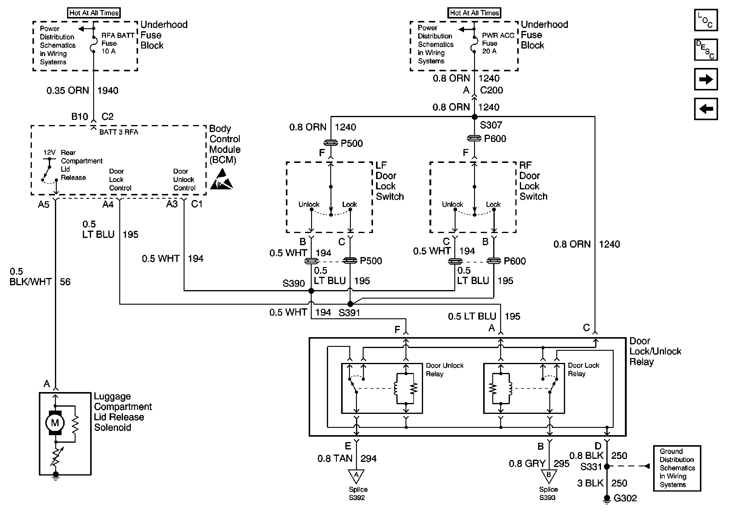
Figure
3:
Door Lock Motors
Door Lock/Unlock Relay