GM Service Manual Online
For 1990-2009 cars only
Makes
🢒
Chevrolet
🢒
2000
🢒
PJJ
🢒
Body and Accessories
🢒
Body Front End
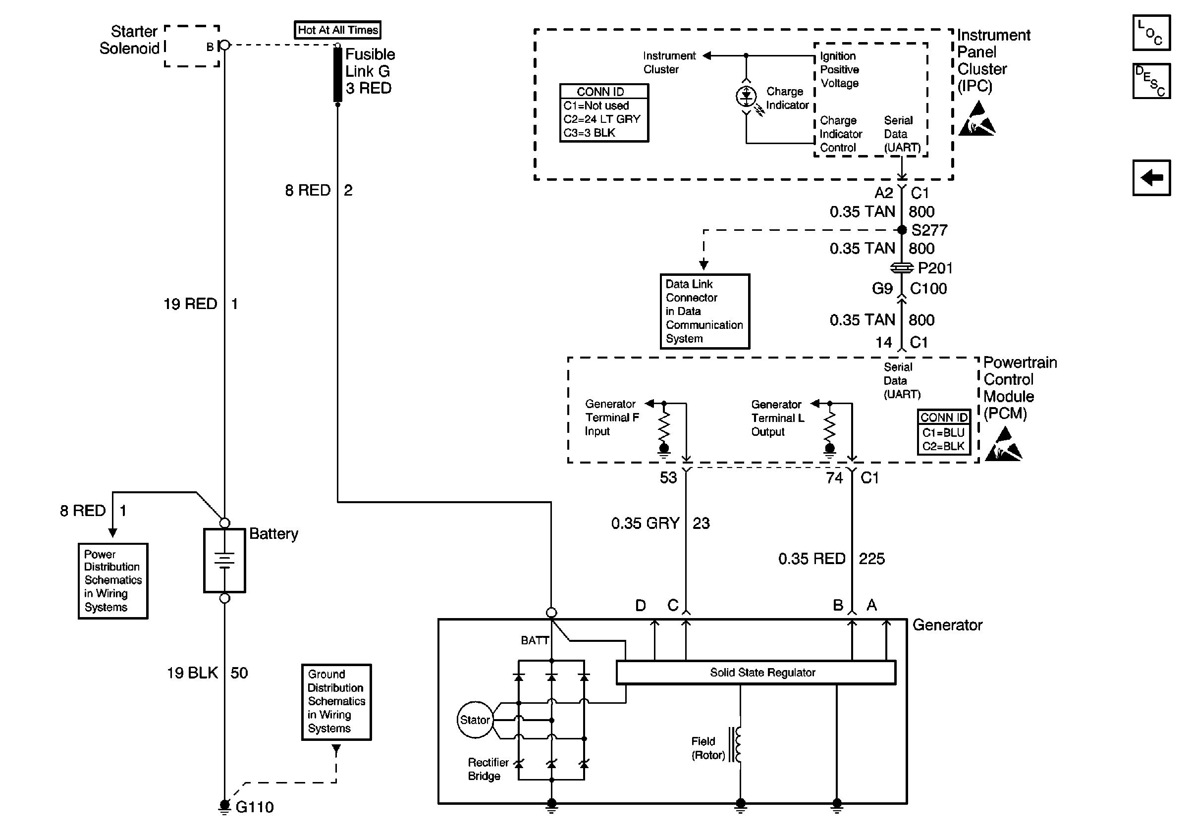
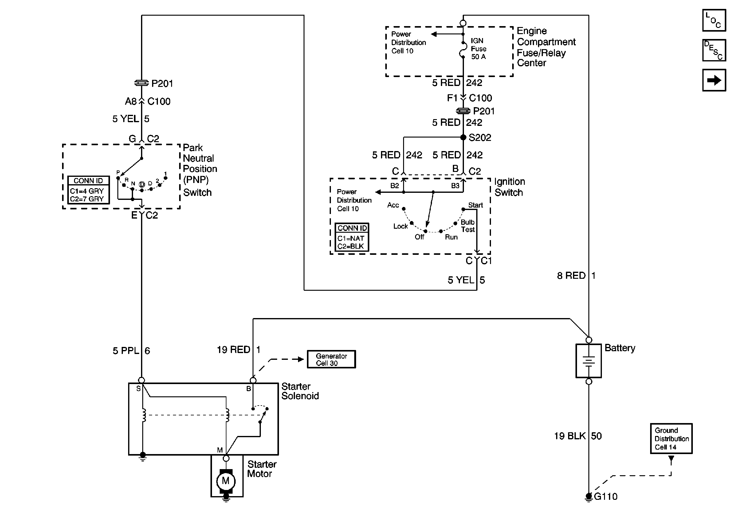
🢒 Starting and Charging Schematics
Figure
1:
Starting System
Figure
2:
Charging System