GM Service Manual Online
For 1990-2009 cars only
Makes
🢒
Chevrolet
🢒
2000
🢒
PJJ
🢒
Body and Accessories
🢒
Doors
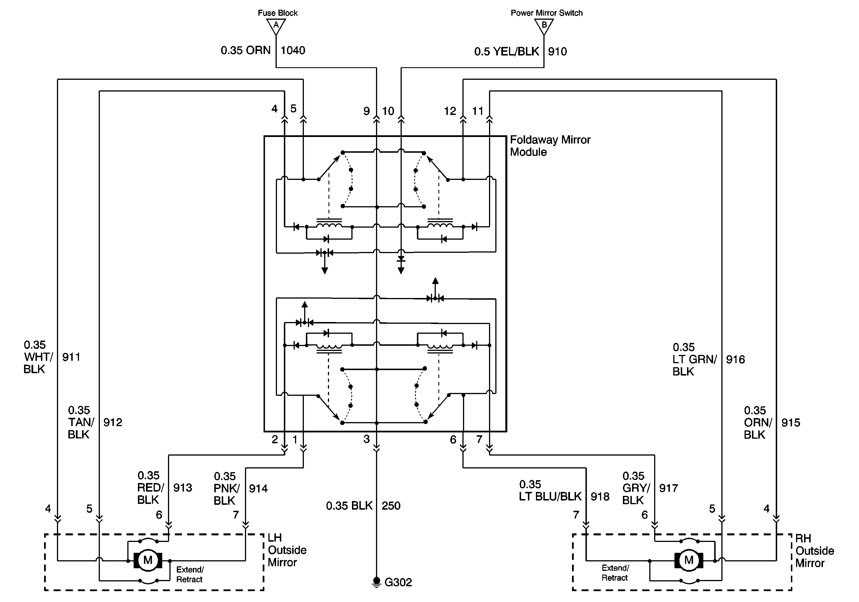
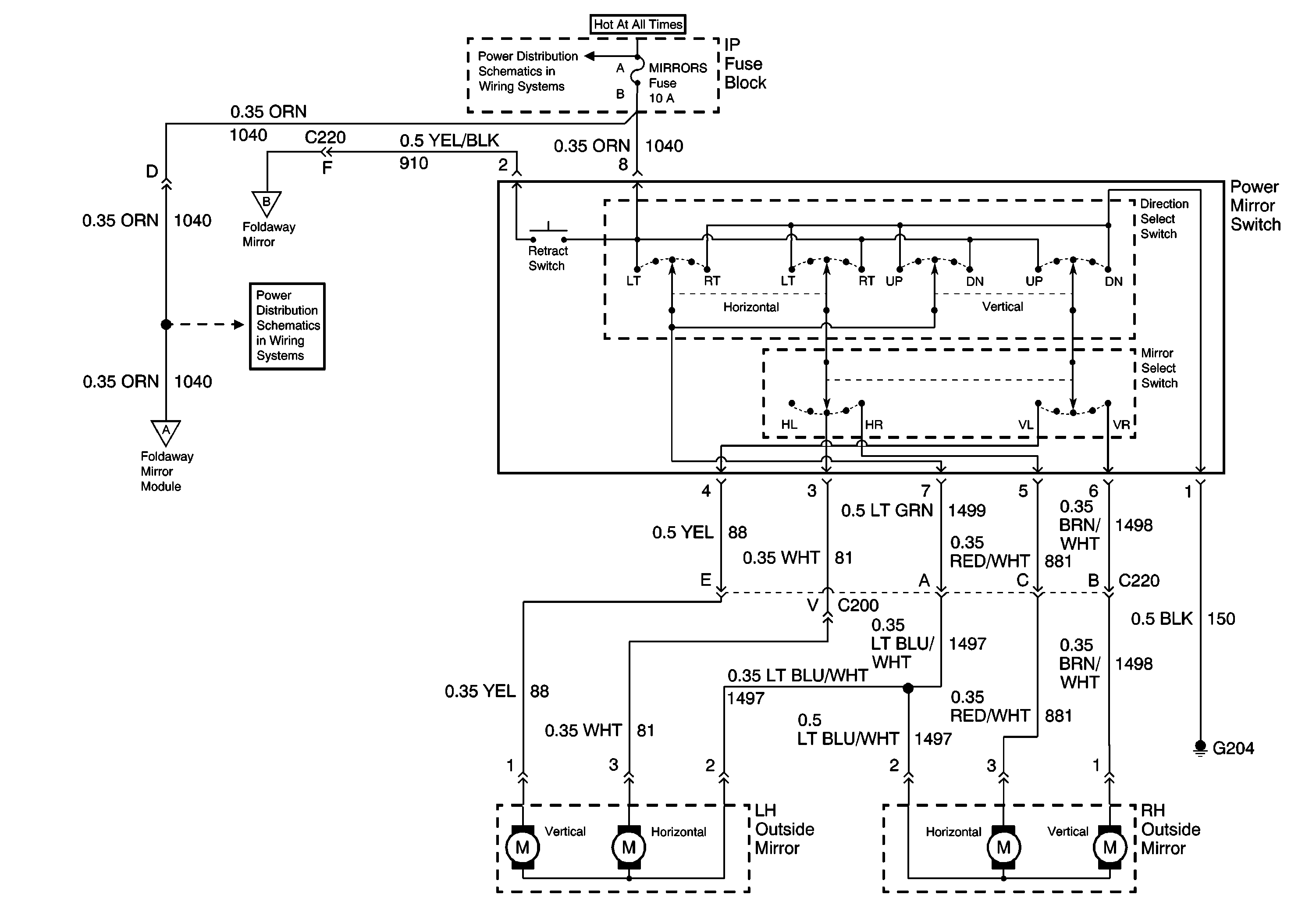
🢒 Outside Rearview Mirror Schematics
Figure
1:
Power Mirror Switch
Figure
2:
Foldaway Mirror Module