GM Service Manual Online
For 1990-2009 cars only
Makes
🢒
Chevrolet
🢒
1998
🢒
Prizm
🢒 Cell 63
Cell 63
Cell 63
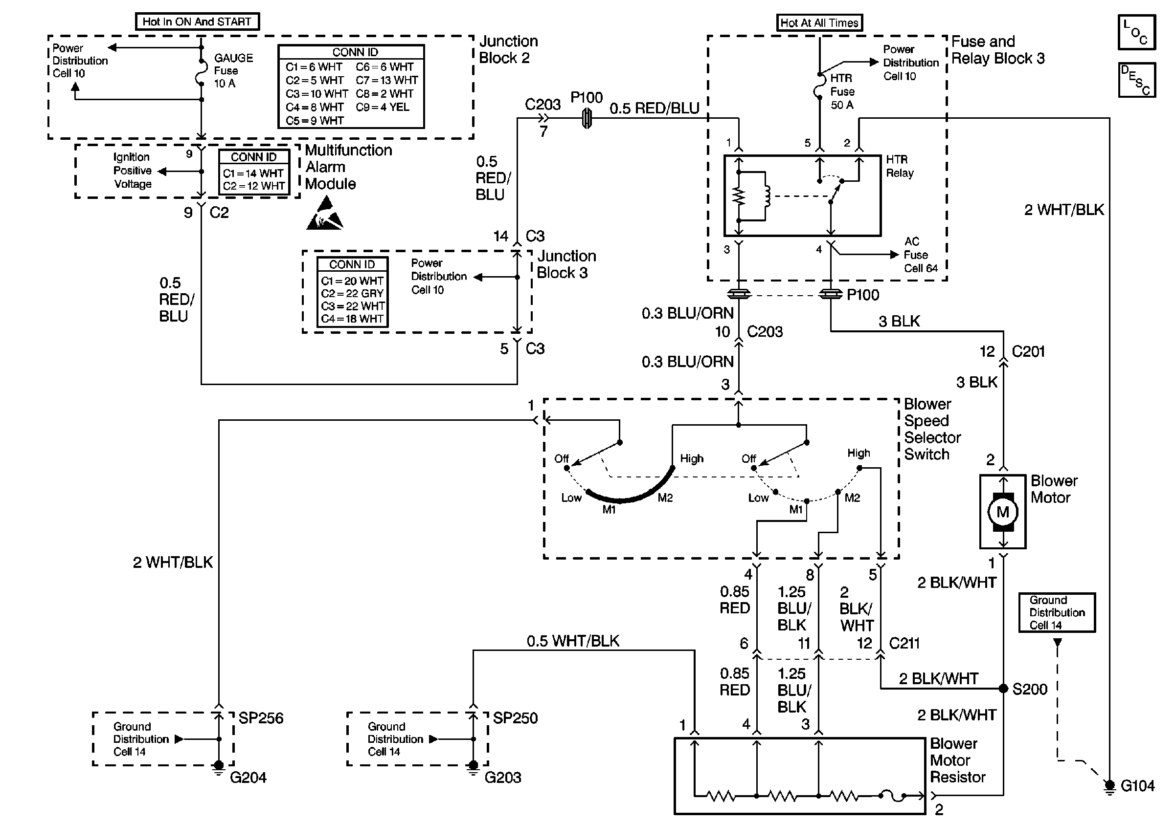
HVAC Components
HVAC Compressor/Condenser Fan Circuit Description
Handling ESD Sensitive Parts Notice
Cell 10: Gauge Fuse
Cell 10: Gauge Fuse
Cell 10: Gauge Fuse
Cell 14: G204 and SP256
Cell 14: G200, G203, SP250 and SP650
Cell 14: Battery, G100, G101, G102, G103, and G104