GM Service Manual Online
For 1990-2009 cars only
Makes
🢒
Chevrolet
🢒
1999
🢒
Prizm
🢒
Body and Accessories
🢒
Lighting Systems
🢒 Interior Lights Schematics
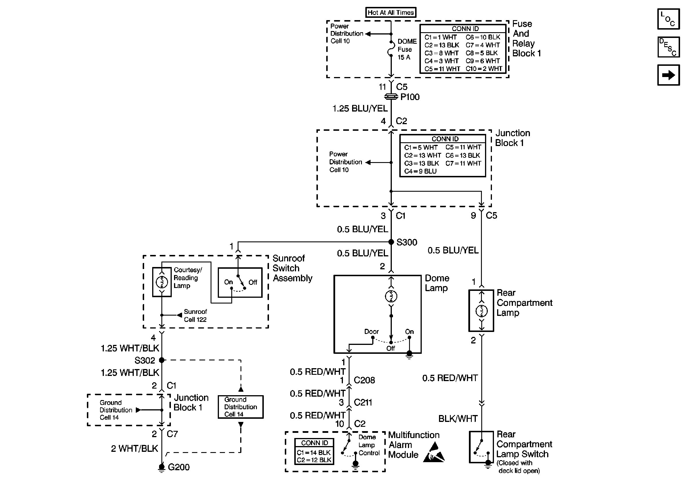
Figure
1:
Cell 114: Luggage Compartment Lamp Switch, Dome Lamp Control and Sunroof Switch Assembly
Lighting Systems Components
Interior Lights Circuit Description
Cell 114b: Door Jamb Switches and Multifunction Alarm Module
Cell 10: Alt-S, AM2, Dome, EFI, Hazard, Horn, and Main Fuses
Cell 10: Alt-S, AM2, Dome, EFI, Hazard, Horn, and Main Fuses
Cell 14: G200, G203, SP250 and SP650
Cell 14: G204 and SP256
Cell 122
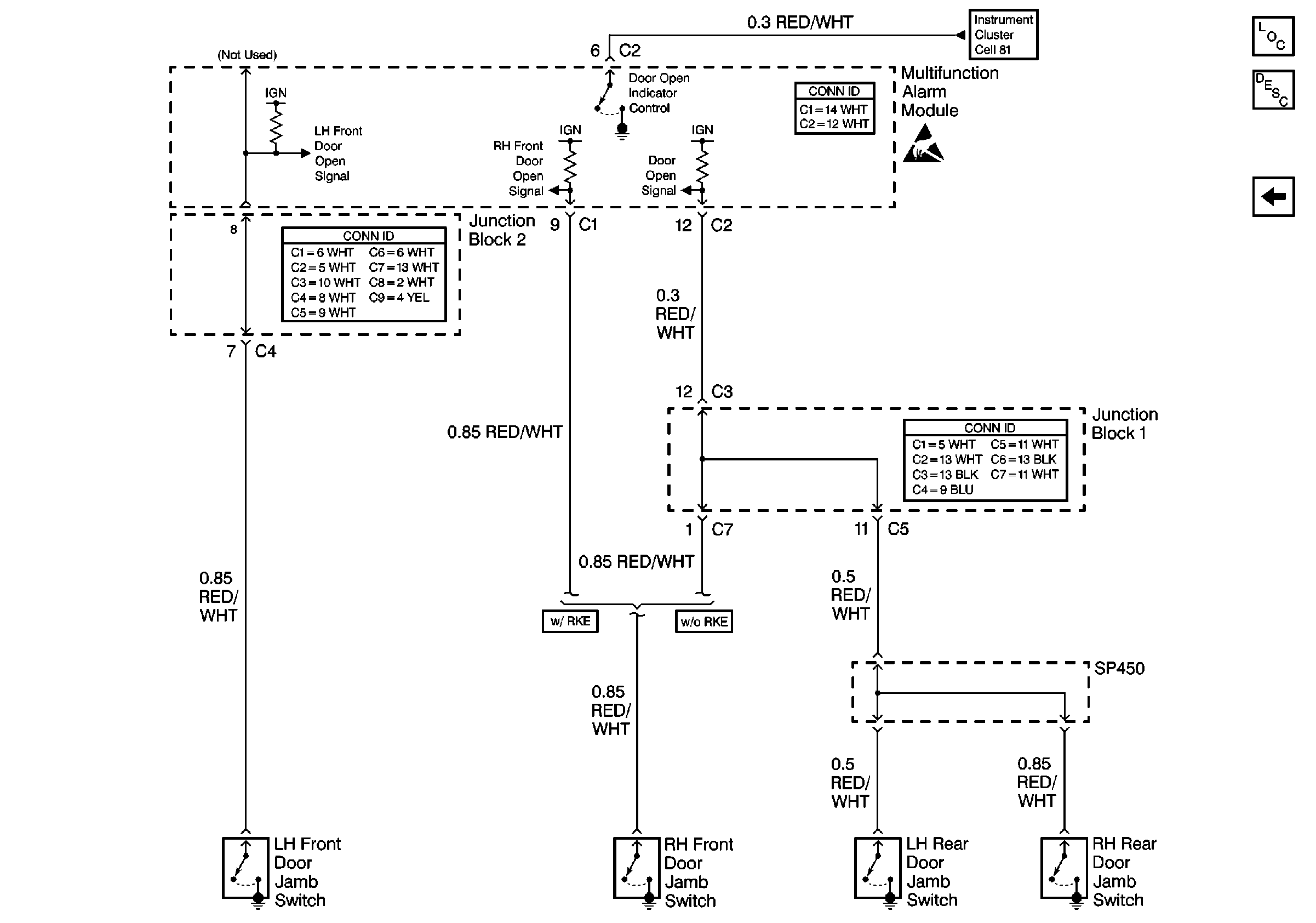
Figure
2:
Cell 114b: Door Jamb Switches and Multifunction Alarm Module
Lighting Systems Components
Interior Lights Circuit Description
Cell 114: Luggage Compartment Lamp Switch, Dome Lamp Controland Sunroof Switch Assembly
Handling ESD Sensitive Parts Notice
Cell 81: Illumination Lamps, Door Open, Air Bag, and Charge Indicators