GM Service Manual Online
For 1990-2009 cars only
Makes
🢒
Chevrolet
🢒
2000
🢒
Prizm
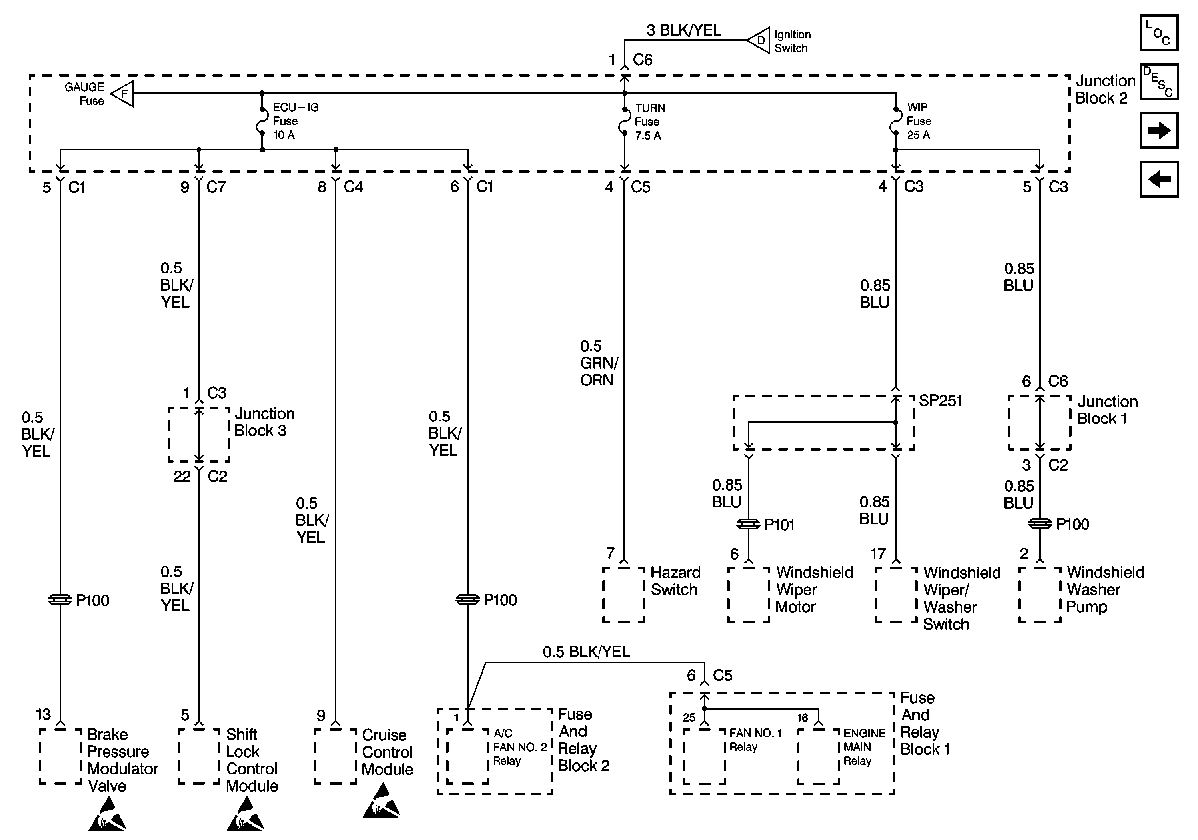
🢒 Cell 10: ECU-IG, Turn, WIP Fuse
Cell 10: ECU-IG, Turn, WIP Fuse
Cell 10: ECU-IG, Turn, WIP Fuse
Power and Grounding Components
Cell 10: Gauge Fuse
Cell 10: CIG Fuse
Handling ESD Sensitive Parts Notice
Handling ESD Sensitive Parts Notice
Handling ESD Sensitive Parts Notice