GM Service Manual Online
For 1990-2009 cars only
Makes
🢒
Chevrolet
🢒
2000
🢒
Prizm
🢒 Cell 10: CRUISE Fuse
Cell 10: CRUISE Fuse
Cell 10: CRUISE Fuse
Power and Grounding Components
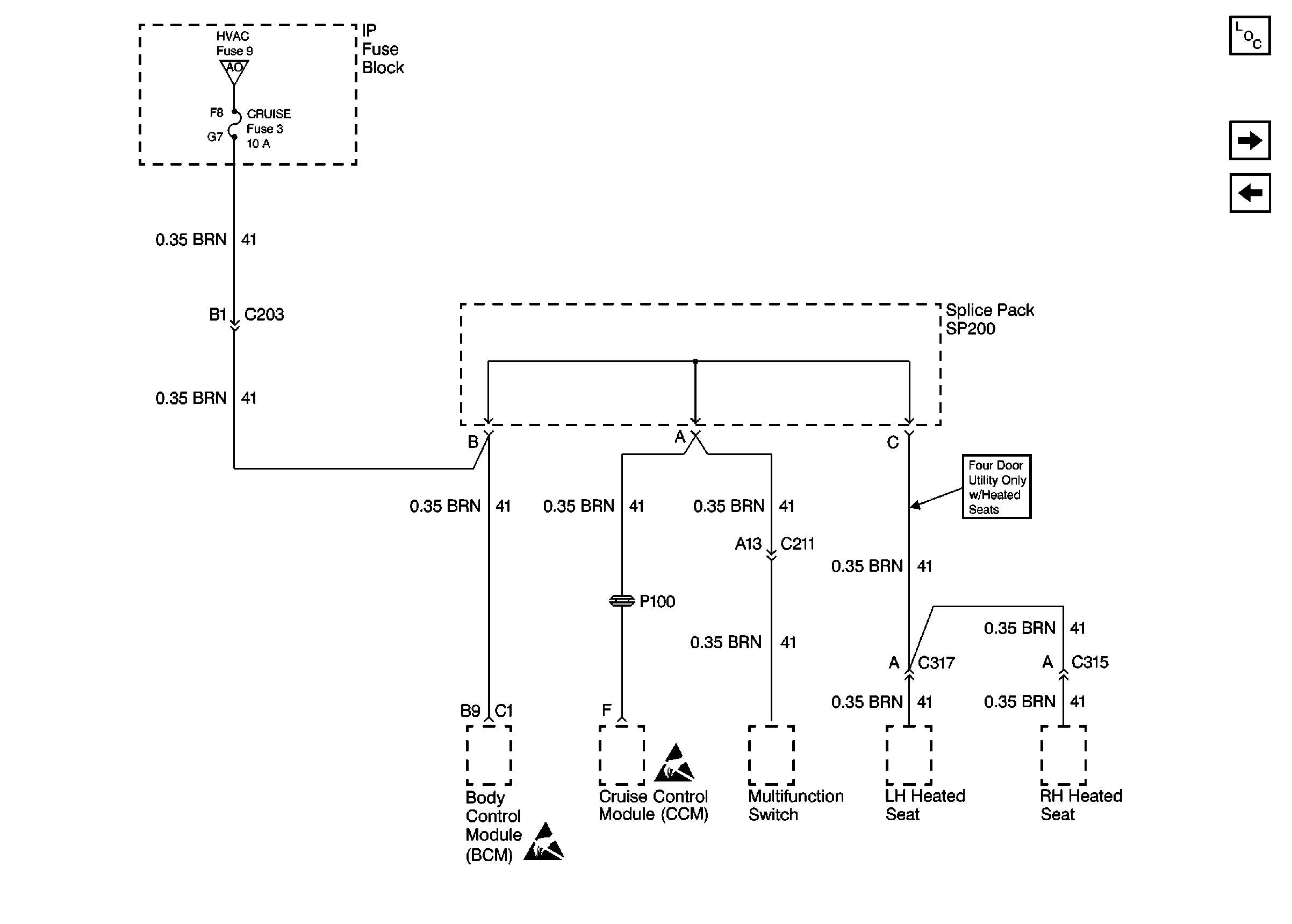
Cell 10: IP Fuse Block and Splice Pack SP200
Cell 10: 4WD and HVAC Fuses
Cell 10: 4WD and HVAC Fuses
Handling ESD Sensitive Parts Notice
Handling ESD Sensitive Parts Notice