GM Service Manual Online
For 1990-2009 cars only
Makes
🢒
Chevrolet
🢒
2000
🢒
Prizm
🢒 Cell 20: VSS Output
Cell 20: VSS Output
Cell 20: VSS Output
Cell 20: HO2S
Engine Controls Components
Cell 20: EVAP Controls, IAC, PSP Switch
OBD II Symbol Description Notice
Handling ESD Sensitive Parts Notice
Handling ESD Sensitive Parts Notice
Cell 10: Gauge Fuse
Cell 10: Gauge Fuse
Cell 10: Gauge Fuse
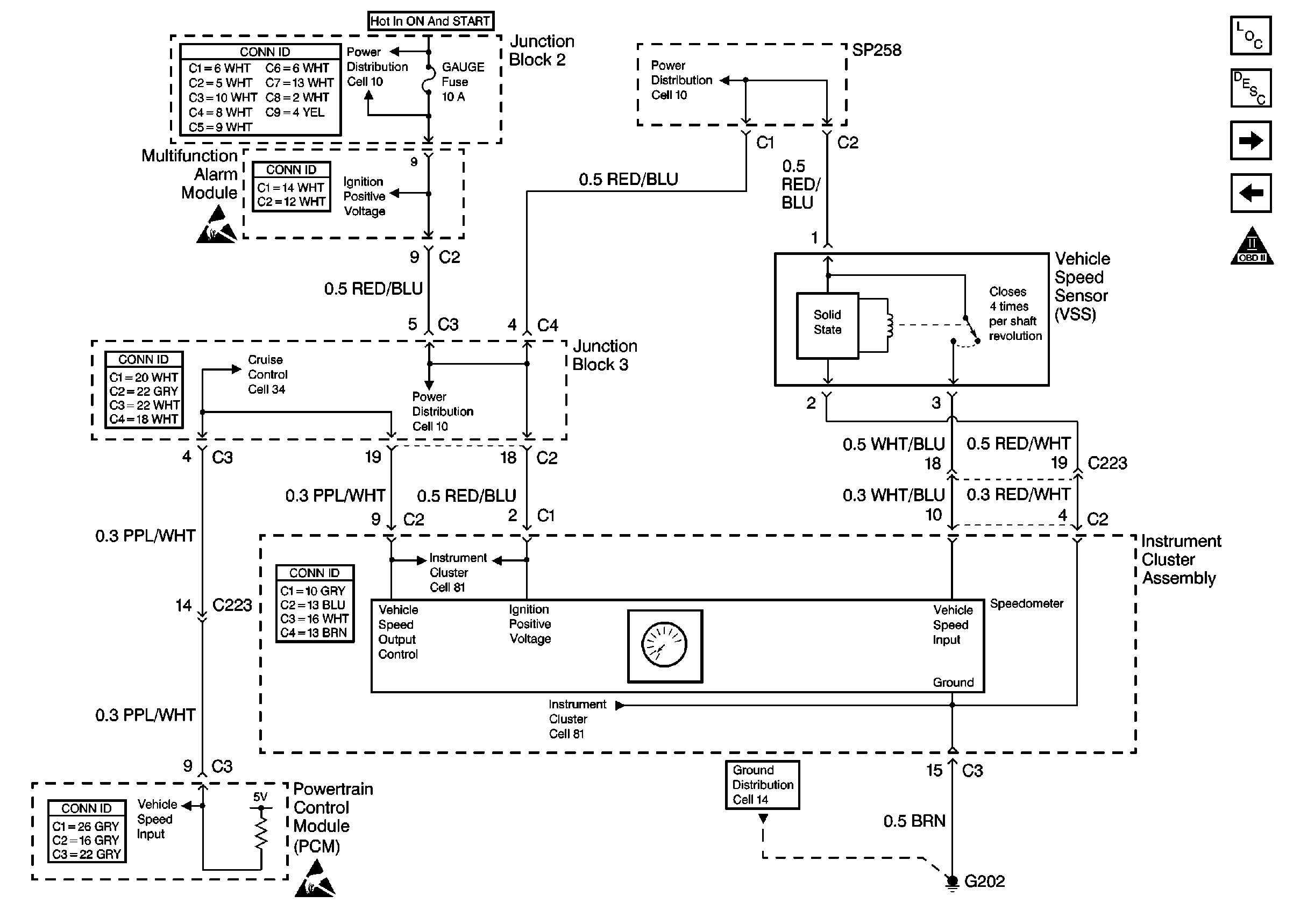
Cell 34: Vehicle Speed Sensor
Cell 81: Gages, Speedometer, and Low Fuel Indicator
Cell 81: Gages, Speedometer, and Low Fuel Indicator
Cell 14: G201 and G202