GM Service Manual Online
For 1990-2009 cars only
Makes
🢒
Chevrolet
🢒
2000
🢒
Prizm
🢒 Cell 61
Cell 61
Cell 61
Stationary Windows Components
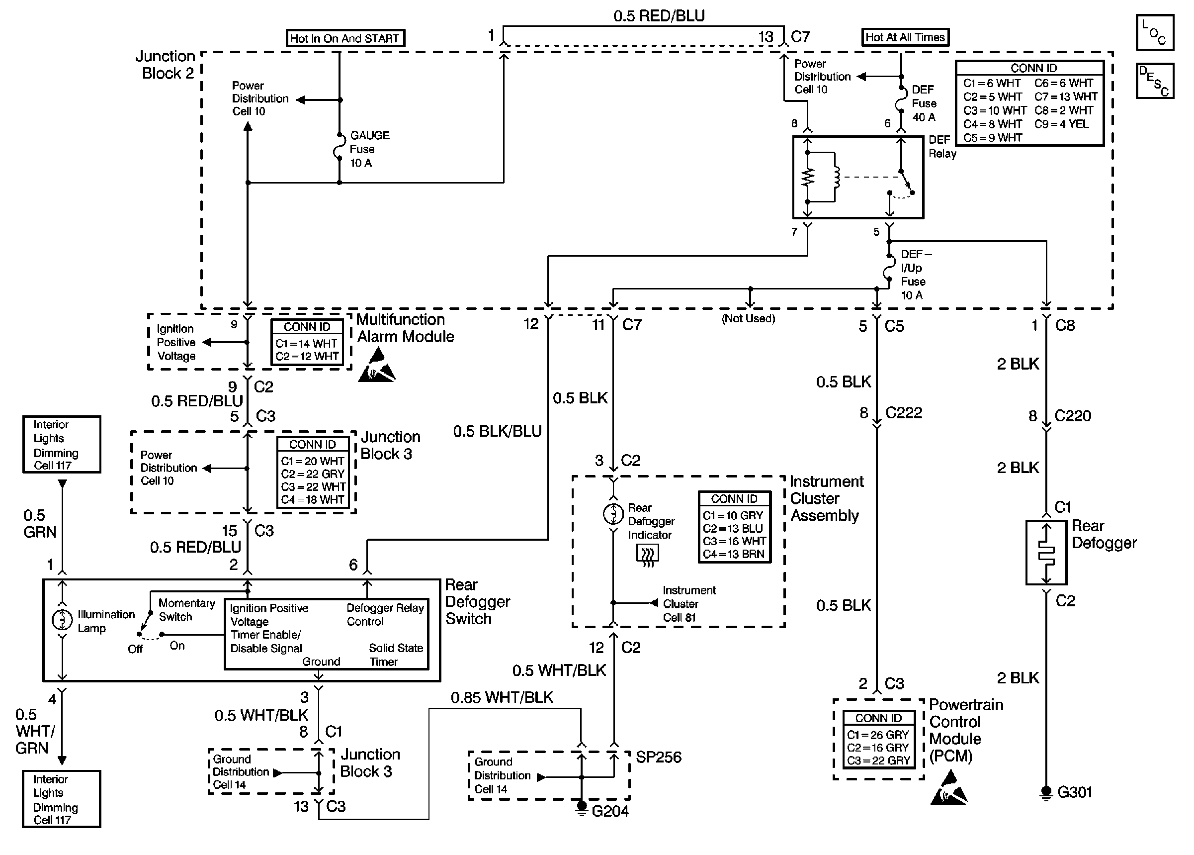
Rear Window Defogger Circuit Description
Handling ESD Sensitive Parts Notice
Handling ESD Sensitive Parts Notice
Cell 10: Gauge Fuse
Cell 10: Gauge Fuse
Cell 10: Gauge Fuse
Cell 14: G204 and SP256
Cell 14: Junction Block 3
Cell 117: DRL Control Module, IP Lamp Dimmer, and Turn Signal/Combination Switch
Cell 117: DRL Control Module, IP Lamp Dimmer, and Turn Signal/Combination Switch