GM Service Manual Online
For 1990-2009 cars only
Makes
🢒
Chevrolet
🢒
2000
🢒
Prizm
🢒 CMP and CKP Sensors
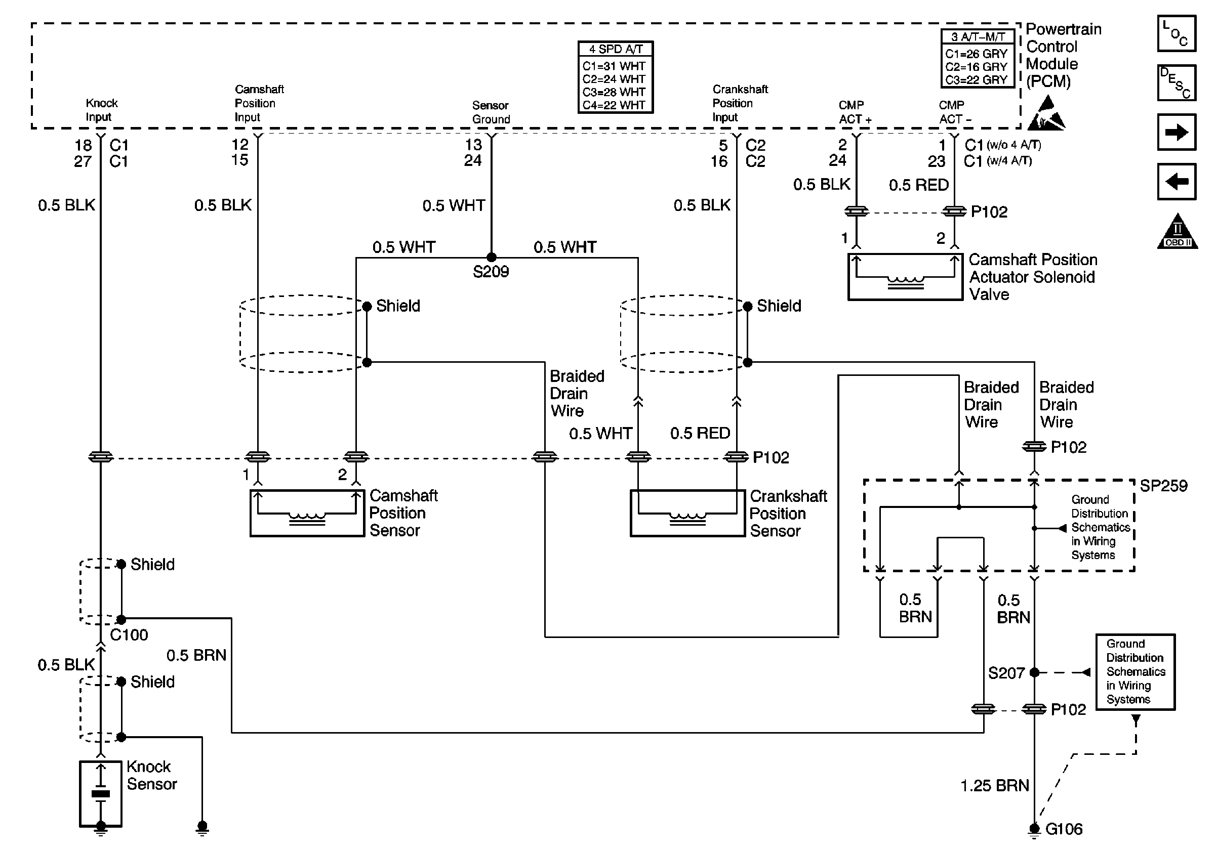
CMP and CKP Sensors
CMP and CKP Sensors
Engine Controls Components
Tachometer
Ignition System
OBD II Symbol Description Notice
Handling ESD Sensitive Parts Notice
Cell 14: G105 and G106 (1 of 2)
Cell 14: G106 (2 of 2)